小度生活
首页
美食营养
手工爱好
生活家居
返回
小度生活
首页
美食营养
游戏数码
手工爱好
生活家居
健康养生
运动户外
职场理财
情感交际
母婴教育
时尚美容
知识问答
生活知识
搜索
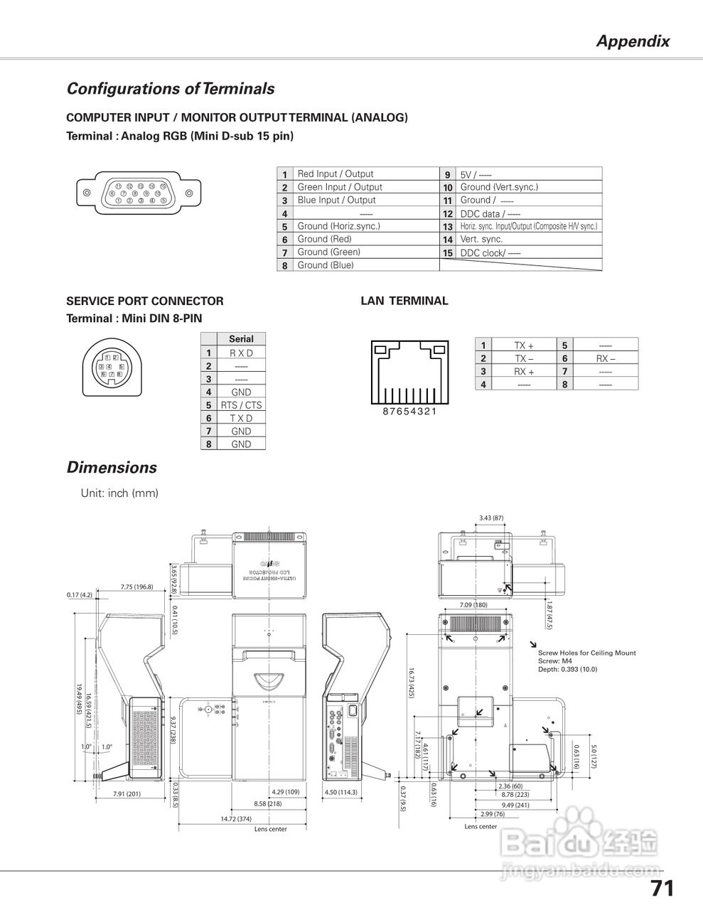
三洋PLC-XL51A投影机使用说明书:[8]
2025-10-25 16:33:31
本篇为《三洋PLC-XL51A投影机使用说明书》,主要介绍该产品的使用方法以及常见故障解决方案。
(共篇)
上一篇:
声明:
本网站引用、摘录或转载内容仅供网站访问者交流或参考,不代表本站立场,如存在版权或非法内容,请联系站长删除,联系邮箱:site.kefu@qq.com。
相关推荐
三洋 PLC-XL51投影机说明书:[3]
阅读量:180
三洋 PLC-XL51投影机说明书:[4]
阅读量:37
使用说明书封面怎么做
阅读量:192
使用说明书wf2651使用指南
阅读量:69
三洋 PLC-XF60A投影机说明书:[8]
阅读量:113
猜你喜欢
维生素b1的作用和功效
25万左右买什么车好
护肝片的功效与作用
电蚊拍什么牌子好
红桃k的作用及功效
奶瓶什么材质好
鸡内金的功效与作用
护腕的作用
高一化学知识点整理
葛根粉的功效与作用
猜你喜欢
我的什么梦作文
运动减肥食谱
小米和红米有什么区别
引用论证的作用
beloved什么意思
什么无什么什么
海螵蛸的功效与作用
媛交什么意思
助学金什么时候发放
山楂片的功效与作用