小度生活
首页
美食营养
手工爱好
生活家居
返回
小度生活
首页
美食营养
游戏数码
手工爱好
生活家居
健康养生
运动户外
职场理财
情感交际
母婴教育
时尚美容
知识问答
生活知识
生活百科
搜索
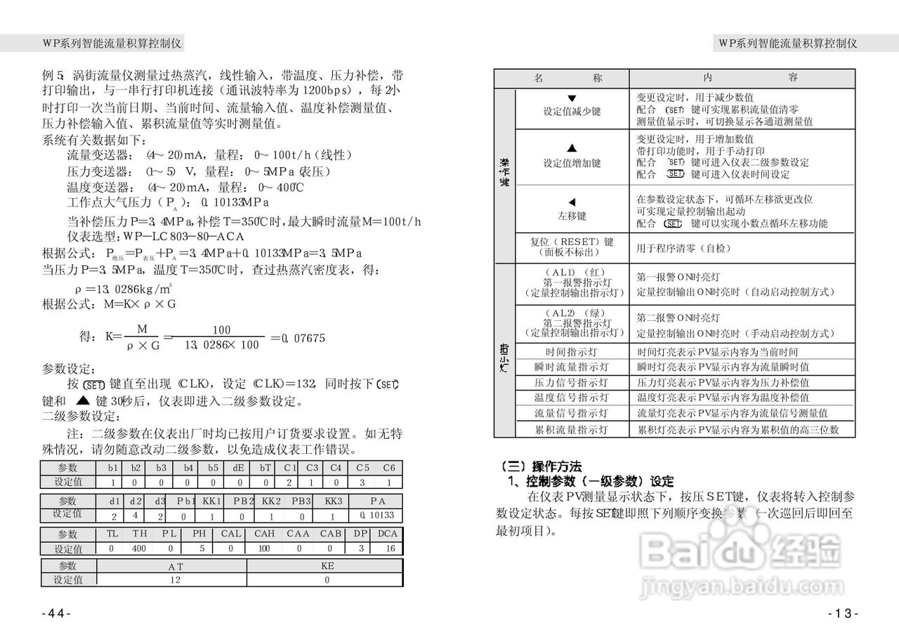
wp系列智能积算控制仪使用手册:[2]
2026-05-16 19:47:45
本篇为《wp系列智能积算控制仪使用手册》,主要介绍该产品的使用方法以及常见故障解决方案。
(共篇)
上一篇:
|
下一篇:
声明:
本网站引用、摘录或转载内容仅供网站访问者交流或参考,不代表本站立场,如存在版权或非法内容,请联系站长删除,联系邮箱:site.kefu@qq.com。
相关推荐
三菱变频器维修攻略案例
阅读量:143
如何进行RS485通信
阅读量:117
教您2G DTU工业DTU对接亚控组态软件的实例
阅读量:180
触摸屏如何设置可见度
阅读量:154
三菱plc编程软件GX Works2怎么更改com口
阅读量:145
猜你喜欢
空调内机漏水是什么原因造成的
沧海一粟什么意思
example是什么意思
后背疼是什么病
睡觉多梦是什么原因
三件套包括什么
刚需房是什么意思
河粉是什么做的
care是什么意思
孳息是什么意思
猜你喜欢
什么时候七夕
only什么意思
孕妇脚抽筋是什么原因
芥末是什么做的
74年属什么生肖
mpv是什么意思
梦到棺材是什么意思
介词后面跟什么
打牌一直输有什么预兆
留什么给你