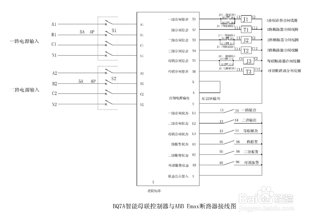
BQ7A进线备自投控制器
1、先将A1,B1,C1,N1接入一路电源,再加A2,B2,C2,N2接入二路电源。

2、 再分别将控制器端子与断路器连接
M1:一路合闸输出 M2:一路分闸输出 M3:二路合闸输出 M4:二路分闸输出 M5:母联合闸输出 M6:母联分闸输出 S:三台断路器辅助及报警公共接点 L1:控制器一路合闸指示,接一路断路器辅助常开 L2:控制器二路合闸指示,接二路断路器辅助常开 L3:控制器母联合闸指示,接母联断路器辅助常开 H1:控制器一路报警指示,接一路断路器报警常开 H2:控制器二路报警指示,接二路断路器报警常开 H3:控制器母联报警指示,接母联断路器报警常开 X:消防切非(S与X短路三台断路器全部分闸)

3、接好后,插好控制器端子就好了

声明:本网站引用、摘录或转载内容仅供网站访问者交流或参考,不代表本站立场,如存在版权或非法内容,请联系站长删除,联系邮箱:site.kefu@qq.com。
阅读量:117
阅读量:140
阅读量:170
阅读量:104
阅读量:186