小度生活
首页
美食营养
手工爱好
生活家居
返回
小度生活
首页
美食营养
游戏数码
手工爱好
生活家居
健康养生
运动户外
职场理财
情感交际
母婴教育
时尚美容
知识问答
生活知识
搜索
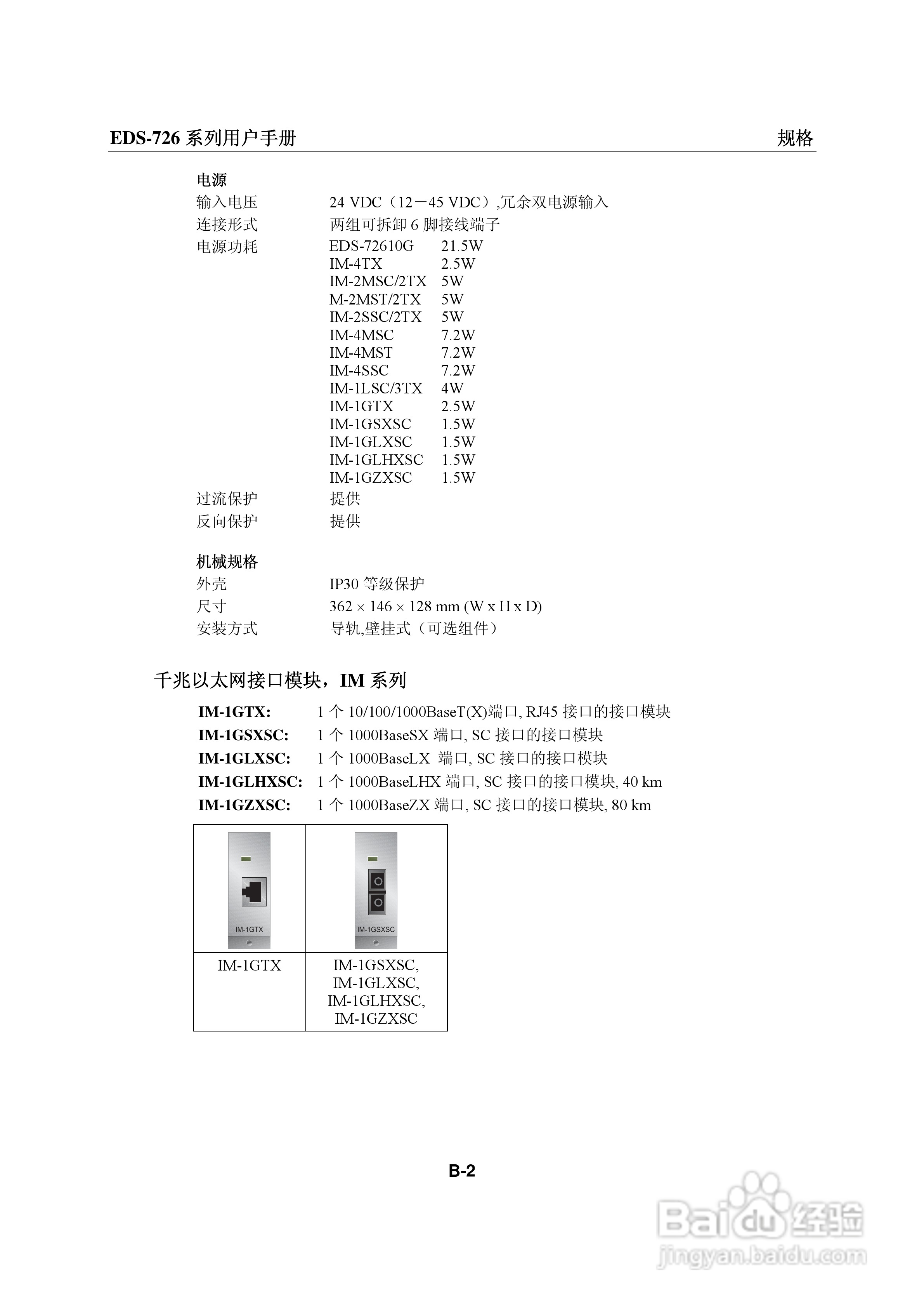
MOXA EDS-726系列以太网交换机用户手册:[10]
2026-01-30 20:16:51
本篇为《MOXA EDS-726系列以太网交换机用户手册》,主要介绍该产品的使用方法以及常见故障解决方案。
(共篇)
上一篇:
声明:
本网站引用、摘录或转载内容仅供网站访问者交流或参考,不代表本站立场,如存在版权或非法内容,请联系站长删除,联系邮箱:site.kefu@qq.com。
相关推荐
MOXA EDS-726系列以太网交换机用户手册:[8]
阅读量:151
MOXA EDS-516A交换机使用手册:[1]
阅读量:65
EDS线扫描的TXT文件如何作图
阅读量:163
怎样设置MOXA交换机环网协议
阅读量:188
如何设置MOXA的无线AP和Client
阅读量:93
猜你喜欢
口臭是什么原因造成的
print是什么意思
设计是什么
s925是什么金
188男团是什么
什么地说填空
违和感是什么意思
normal什么意思
ng什么意思
行号是什么
猜你喜欢
什么东西只能加不能减
金色配什么颜色好看
模卡是什么
挂科是什么意思
男孩学什么乐器好
style是什么意思
磷脂是什么
夏令时是什么
1月27日是什么星座
欲穷千里目的欲是什么意思