小度生活
首页
美食营养
手工爱好
生活家居
返回
小度生活
首页
美食营养
游戏数码
手工爱好
生活家居
健康养生
运动户外
职场理财
情感交际
母婴教育
时尚美容
知识问答
生活知识
生活百科
搜索
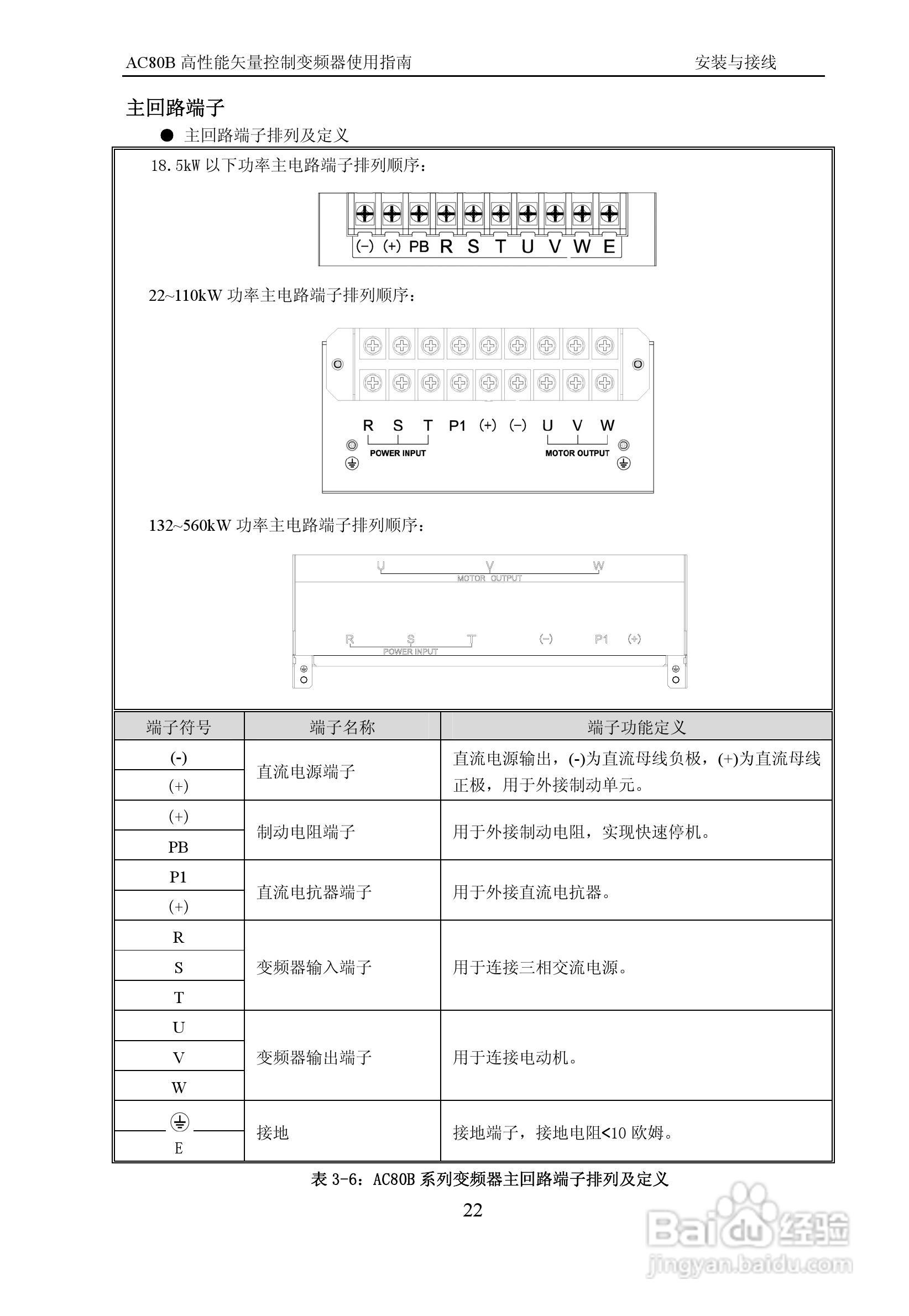
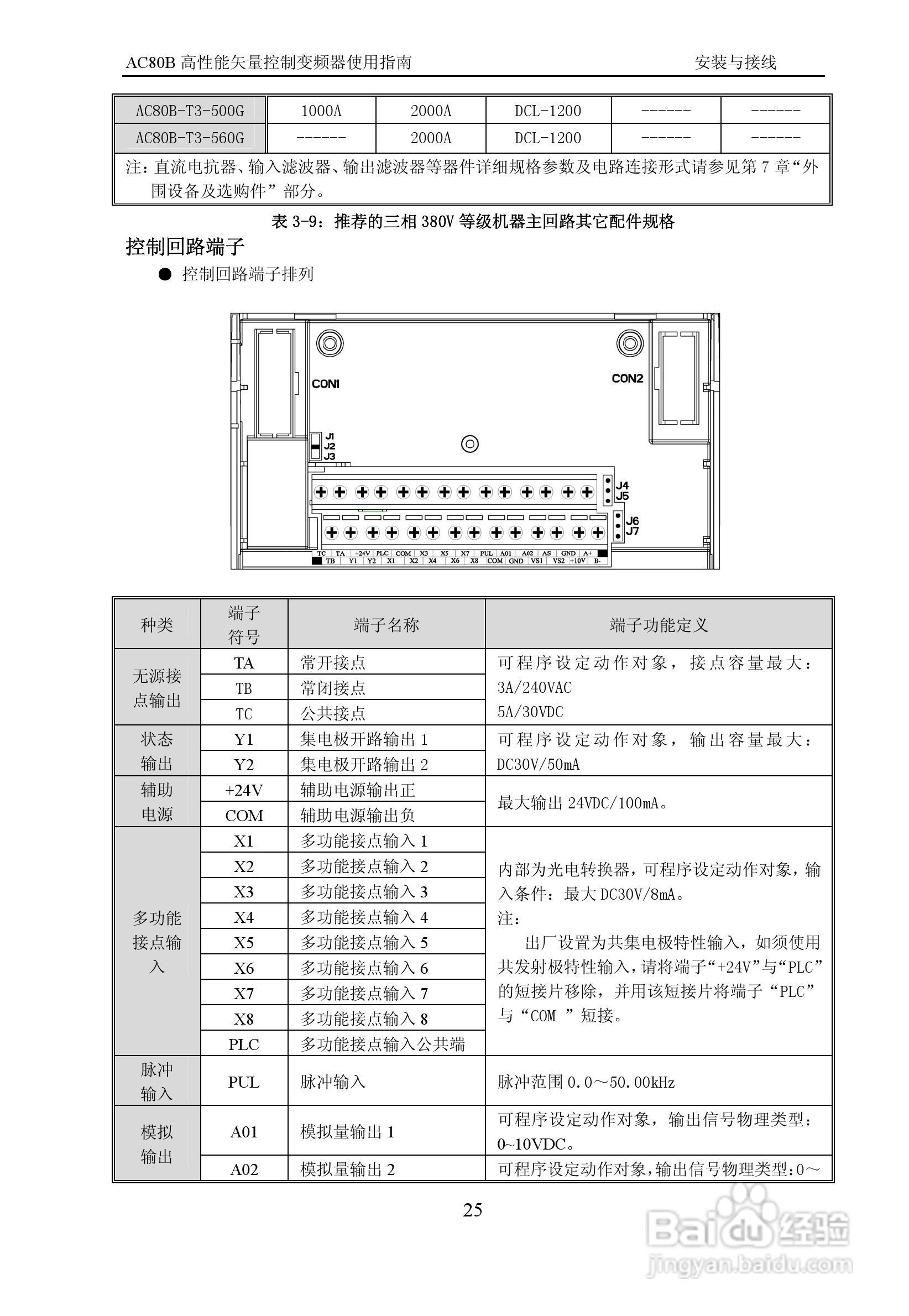
伟创AC80B-T3-700G变频调速器使用手册:[3]
2026-04-21 22:12:36
本篇为《伟创AC80B-T3-700G变频调速器使用手册》,主要介绍该产品的使用方法以及常见故障解决方案。
(共篇)
上一篇:
|
下一篇:
声明:
本网站引用、摘录或转载内容仅供网站访问者交流或参考,不代表本站立场,如存在版权或非法内容,请联系站长删除,联系邮箱:site.kefu@qq.com。
相关推荐
夏天开车如何防瞌睡?
阅读量:112
宏光1.2喷油头怎么拆
阅读量:30
教你维修车时如何正确使用千斤顶
阅读量:148
汽车美容店选址最忌讳“阴阳街”陷阱
阅读量:27
新开的汽车装具美容店洗车行怎样让生意火起来
阅读量:177
猜你喜欢
怎么root
我的世界怎么远程联机
怎么选车
无线网怎么设置
微商代理怎么找货源
齐齐哈尔大学怎么样
cfg文件怎么打开
和彩云怎么用
消化不好怎么调理
怎么清空qq聊天记录
猜你喜欢
菜心怎么炒
脚出汗怎么办
离职原因怎么说合适
虚拟打印机怎么安装
怎么申请163邮箱
怎么盗别人的qq号
怎么样才能生孩子
被仓鼠咬出血怎么办
汗脚怎么办
草莓的英文怎么写