小度生活
首页
美食营养
手工爱好
生活家居
返回
小度生活
首页
美食营养
游戏数码
手工爱好
生活家居
健康养生
运动户外
职场理财
情感交际
母婴教育
时尚美容
知识问答
生活知识
搜索
数字式线路差动保护装置 STS313L 使用说明书:[2]
2025-11-07 02:19:31
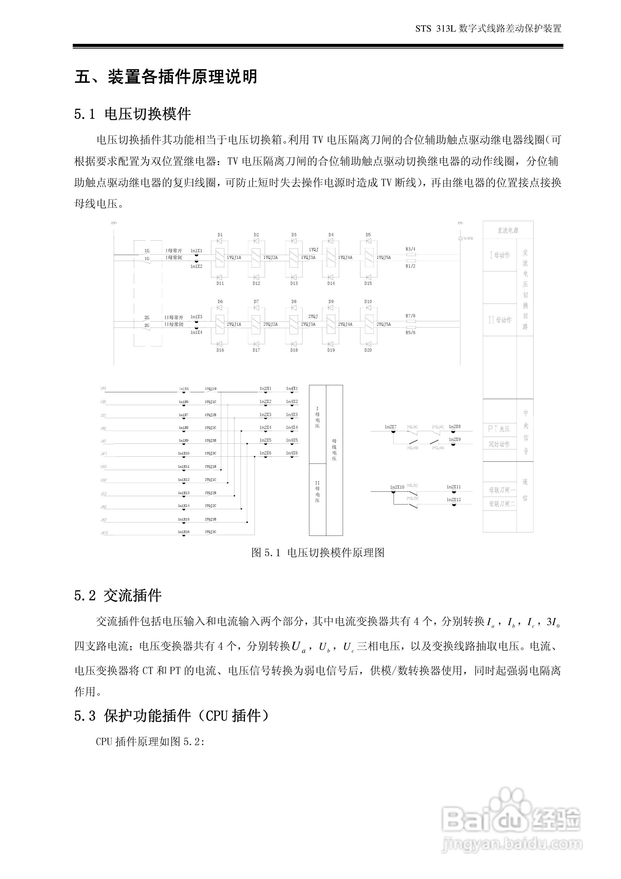
本篇为《数字式线路差动保护装置 STS313L 使用说明书》,主要介绍该产品的使用方法以及常见故障解决方案。
(共篇)
上一篇:
|
下一篇:
声明:
本网站引用、摘录或转载内容仅供网站访问者交流或参考,不代表本站立场,如存在版权或非法内容,请联系站长删除,联系邮箱:site.kefu@qq.com。
相关推荐
LDS-311 数字式变压器差动保护装置说明书:[2]
阅读量:106
LDS-311 数字式变压器差动保护装置说明书:[3]
阅读量:149
LDS-311 数字式变压器差动保护装置说明书:[1]
阅读量:63
天能DST-32B数字差动保护装置说明书:[2]
阅读量:99
天能DST-31B数字差动保护装置说明书:[2]
阅读量:132
猜你喜欢
手指脱皮是什么原因
曲水流觞是什么意思
农村什么赚钱
who是什么意思
额头窄适合什么发型
旭字五行属什么
布草是什么
南红是什么
麝香是什么动物身上的哪个部位
世界第八大奇迹是什么
猜你喜欢
绿茶是什么意思
显卡是什么
dha宝宝什么时候吃最好
爱过的人我已不再拥有是什么歌
sg是什么意思
什么是倒数
祭祀是什么意思
怜悯的近义词是什么
ups是什么
处日念什么