小度生活
首页
美食营养
手工爱好
生活家居
返回
小度生活
首页
美食营养
游戏数码
手工爱好
生活家居
健康养生
运动户外
职场理财
情感交际
母婴教育
时尚美容
知识问答
生活知识
生活百科
搜索
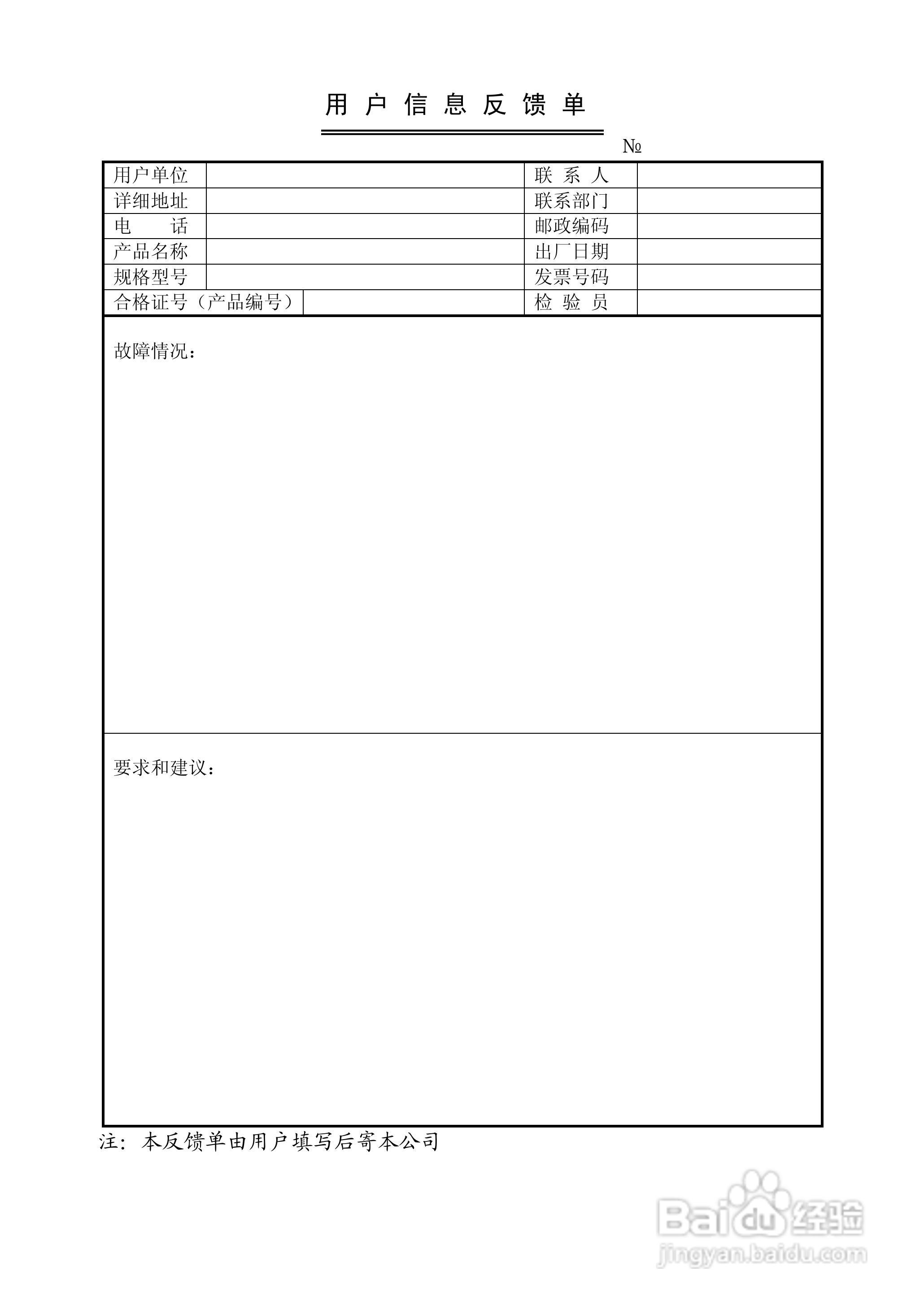
上海自仪九仪表智能LDCK型电磁流量计使用说明书:[4]
2026-03-30 15:34:51
本篇为《上海自仪九仪表智能LDCK型电磁流量计使用说明书》,主要介绍该产品的使用方法以及常见故障解决方案。
(共篇)
上一篇:
声明:
本网站引用、摘录或转载内容仅供网站访问者交流或参考,不代表本站立场,如存在版权或非法内容,请联系站长删除,联系邮箱:site.kefu@qq.com。
相关推荐
自由幻想怎样增加血量储备?
阅读量:98
王者荣耀盾山怎么克制?
阅读量:38
LOL火人怎么玩?
阅读量:133
王者技能怎么换位置
阅读量:75
王者荣耀英雄高渐离如何通过任务获得
阅读量:26
猜你喜欢
微信直播间怎么开通
眼睛水肿怎么消除
蚜虫怎么治
抖音怎么拍视频教程
微信视频号怎么发视频
跑步机怎么用
纤纤擢素手怎么读
莲花白怎么做好吃
qq邮箱怎么写
职业价值观怎么写
猜你喜欢
怎么看电脑内存
腋下臭怎么治
纸飞机怎么折飞得远
小青菜怎么炒好吃
颈椎病怎么自我治疗
月利率怎么算
兔宝宝板材怎么样
京东购物卡怎么用
北京汽车怎么样
外阴长了个大痘像粉刺怎么办