小度生活
首页
美食营养
手工爱好
生活家居
返回
小度生活
首页
美食营养
游戏数码
手工爱好
生活家居
健康养生
运动户外
职场理财
情感交际
母婴教育
时尚美容
知识问答
生活知识
生活百科
搜索
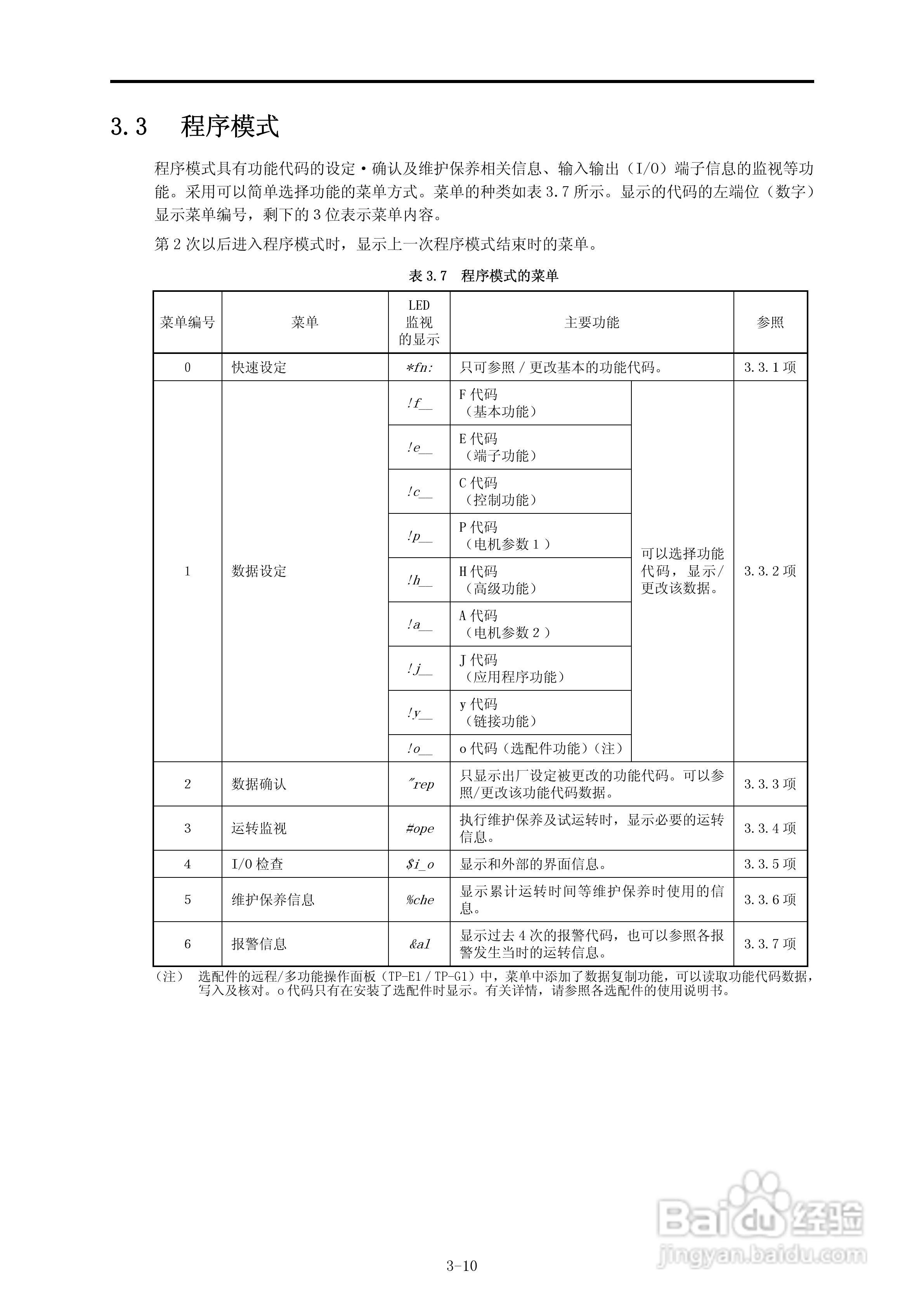
FRENIC-Multi高性能紧凑型变频器用户手册:[5]
2026-05-31 09:44:21
本篇为《FRENIC-Multi高性能紧凑型变频器用户手册》,主要介绍该产品的使用方法以及常见故障解决方案。
(共篇)
上一篇:
|
下一篇:
声明:
本网站引用、摘录或转载内容仅供网站访问者交流或参考,不代表本站立场,如存在版权或非法内容,请联系站长删除,联系邮箱:site.kefu@qq.com。
相关推荐
FRENIC-Multi高性能紧凑型变频器用户手册:[1]
阅读量:174
FRENIC-Multi高性能紧凑型变频器用户手册:[4]
阅读量:100
FRENIC-Mini紧凑型变频器使用说明书:[5]
阅读量:148
FRENIC-Mini紧凑型变频器使用说明书:[6]
阅读量:173
FRENIC-Mini紧凑型变频器使用说明书:[4]
阅读量:119
猜你喜欢
阴性阳性是什么意思
围绕中心意思写作文
什么牌子的蜂胶好
生日祝福语图片
工会会员卡有什么用
introduce是什么意思
感恩节的祝福
崇洋媚外的意思
落地签是什么意思
弥留之际是什么意思
猜你喜欢
一山一水一圣人指什么
在农村开什么店赚钱
公司开业送什么礼品
显卡位宽是什么意思
ps意思
member是什么意思
惊艳是什么意思
报得三春晖的意思
plan b是什么意思
decision是什么意思