小度生活
首页
美食营养
手工爱好
生活家居
返回
小度生活
首页
美食营养
游戏数码
手工爱好
生活家居
健康养生
运动户外
职场理财
情感交际
母婴教育
时尚美容
知识问答
生活知识
生活百科
搜索
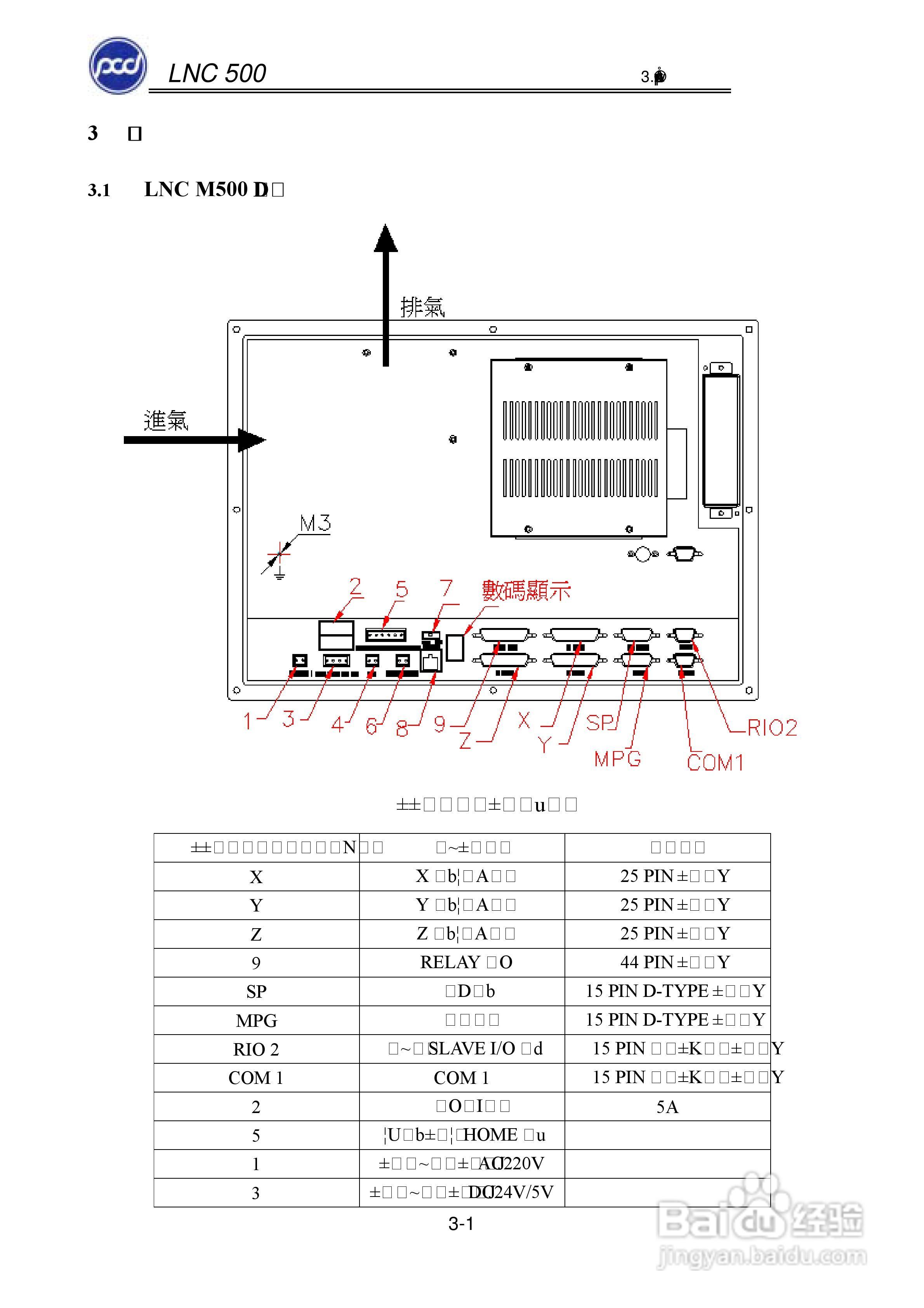
宝元科技LNC-M500系列铣床控制器维护手册:[2]
2026-04-19 01:38:50
本篇为《宝元科技LNC-M500系列铣床控制器维护手册》,主要介绍该产品的使用方法以及常见故障解决方案。
(共篇)
上一篇:
|
下一篇:
声明:
本网站引用、摘录或转载内容仅供网站访问者交流或参考,不代表本站立场,如存在版权或非法内容,请联系站长删除,联系邮箱:site.kefu@qq.com。
相关推荐
宝元科技LNC-M500系列铣床控制器维护手册:[3]
阅读量:128
时光科技IMS-HL系列伺服控制器使用说明书:[2]
阅读量:138
众智科技HGM6310D/6320D 控制器用户手册:[2]
阅读量:163
IP-COM M系列(M100/M300/M500)路由器网络配置
阅读量:41
控制器暂停功能的实现步骤
阅读量:106
猜你喜欢
野兔子肉怎么做好吃
云云古代悠闲生活
手机丢了第一时间怎么办
如何让鼻子变挺
艺术生活
如何修改mac地址
kg是什么意思
360驱动大师怎么用
平安易贷怎么样
coo是什么职位
猜你喜欢
乡村生活作文
创业是一种生活方式
磊科路由器怎么安装
cup是什么意思
科技改变生活作文
笔记本怎么关闭触控板
高考如何填志愿
中老年如何补钙
甲亢是什么原因引起的
如何设置屏保