小度生活
首页
美食营养
手工爱好
生活家居
返回
小度生活
首页
美食营养
游戏数码
手工爱好
生活家居
健康养生
运动户外
职场理财
情感交际
母婴教育
时尚美容
知识问答
生活知识
生活百科
搜索
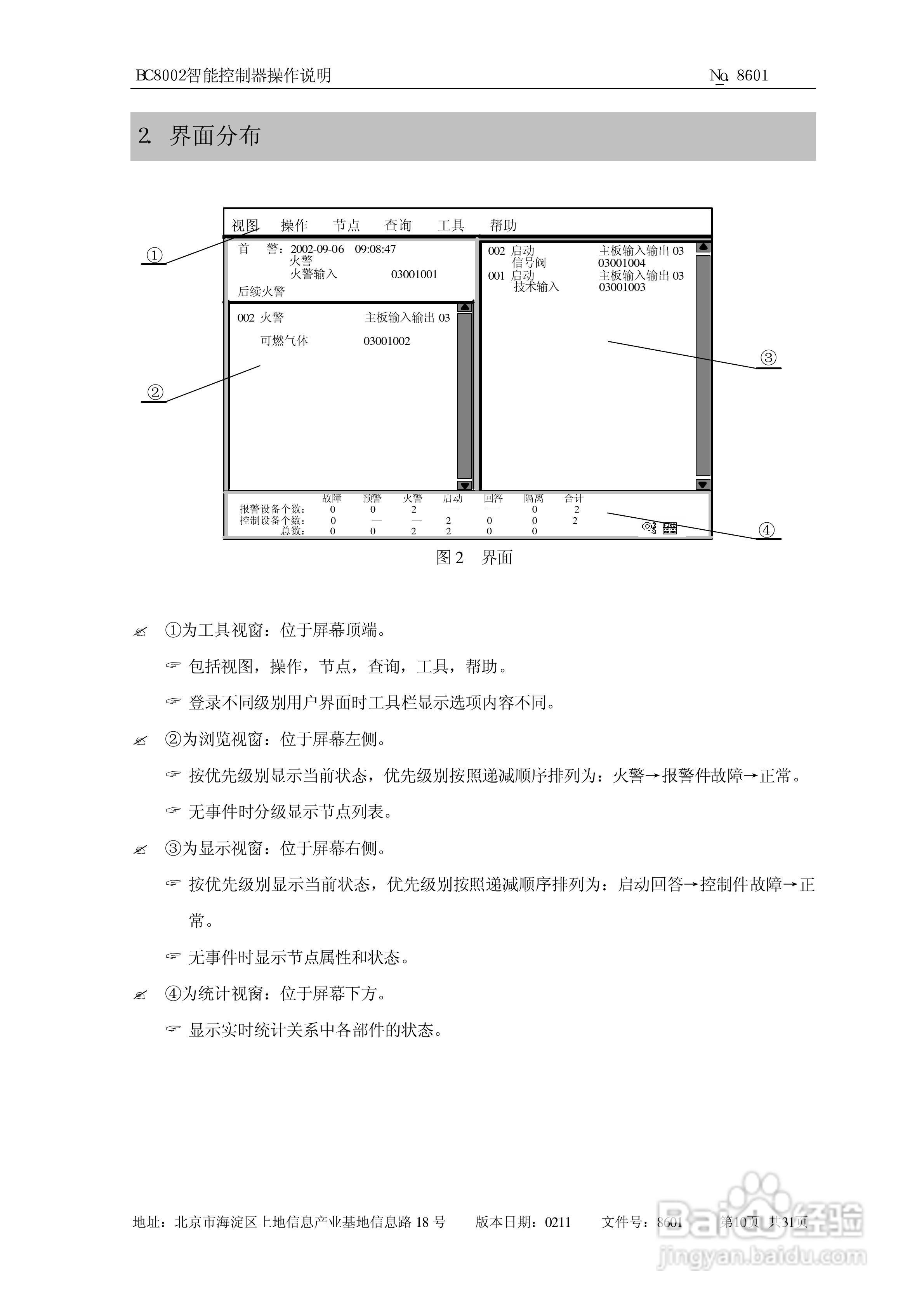
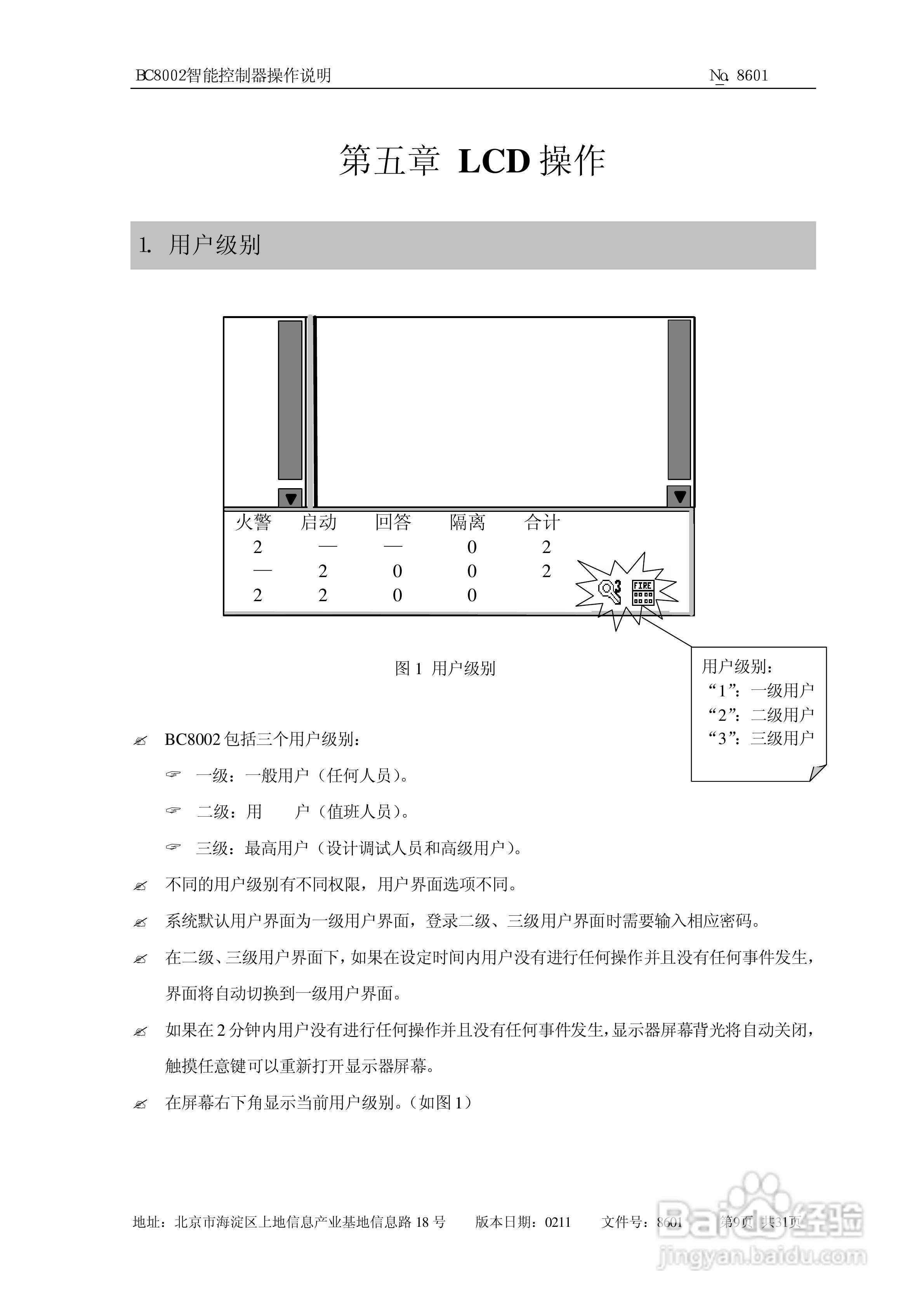
西门子西伯乐斯BC80控制器操作说明书:[1]
2026-04-22 00:03:47
本篇为《西门子西伯乐斯BC80控制器操作说明书》,主要介绍该产品的使用方法以及常见故障解决方案。
(共篇)
下一篇:
声明:
本网站引用、摘录或转载内容仅供网站访问者交流或参考,不代表本站立场,如存在版权或非法内容,请联系站长删除,联系邮箱:site.kefu@qq.com。
相关推荐
西门子冰箱温度怎么调
阅读量:87
冰箱报警器怎么解除
阅读量:75
如何把PWQ-5101电力猫升级到PWQ-5101R
阅读量:139
西门子KK28F88TI冰箱使用说明书:[1]
阅读量:150
雄迈云存储如何实现高效监控?
阅读量:24
猜你喜欢
孕妇应该多吃什么
南昌有什么好吃的
什么牌子的叶酸好
风口浪尖的意思
发动机制动是什么意思
wan口未连接是什么意思
eps是什么意思
精诚所至金石为开的意思
提单的作用
雪中送炭的意思
猜你喜欢
微信拍了拍什么意思
怦然心动的意思
柠檬片的作用
女生生日礼物送什么好
什么是网络防火墙
985211大学是什么意思
勿谓言之不预也是什么意思
mac是什么意思
审视的意思
leg是什么意思