小度生活
首页
美食营养
手工爱好
生活家居
返回
小度生活
首页
美食营养
游戏数码
手工爱好
生活家居
健康养生
运动户外
职场理财
情感交际
母婴教育
时尚美容
知识问答
生活知识
搜索
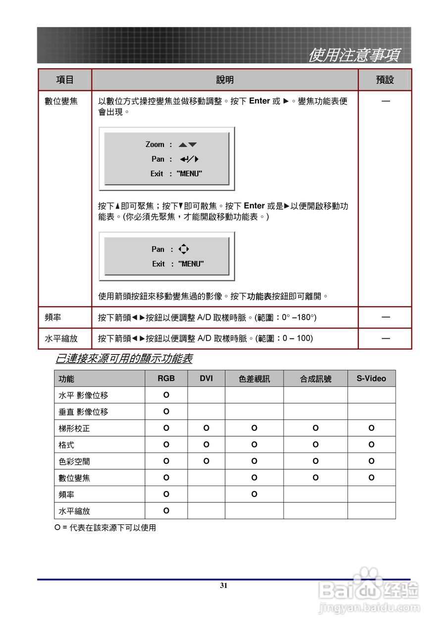
奥图玛投影机EP771型说明书:[4]
2026-01-21 11:13:56
本篇为《奥图玛投影机EP771型说明书》,主要介绍该产品的使用方法以及常见故障解决方案。
(共篇)
上一篇:
|
下一篇:
声明:
本网站引用、摘录或转载内容仅供网站访问者交流或参考,不代表本站立场,如存在版权或非法内容,请联系站长删除,联系邮箱:site.kefu@qq.com。
相关推荐
奥图玛投影机EP771型说明书:[3]
阅读量:146
奥图玛投影机EP752型说明书:[4]
阅读量:64
奥图玛投影机EP728型说明书:[4]
阅读量:95
投影机的安装与调试
阅读量:191
投影机ip设置
阅读量:154
猜你喜欢
阿弥陀佛是什么意思
如何计算建筑面积
墙壁纸怎么贴
如何更改qq密码
6542是什么药
怎么吐烟圈图解
如何做数据透视表
淘宝子账号怎么申请
仲裁是什么意思
fps是什么意思
猜你喜欢
腹肌怎么练最有效
黛安芬内衣怎么样
花眼怎么办
酒店式公寓怎么样
武汉友好医院怎么样
男人梦见蛇是什么预兆
如何驾驶手动挡汽车
如何给宝宝添加辅食
3d touch怎么用
如何培养学生良好的学习习惯