小度生活
首页
美食营养
手工爱好
生活家居
返回
小度生活
首页
美食营养
游戏数码
手工爱好
生活家居
健康养生
运动户外
职场理财
情感交际
母婴教育
时尚美容
知识问答
生活知识
生活百科
搜索
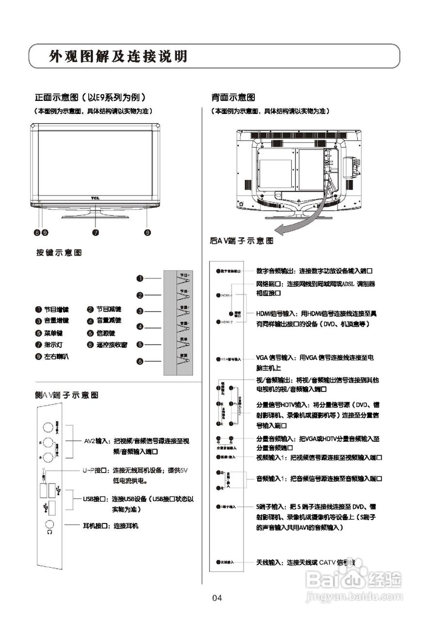
TCL王牌L42E9FE液晶彩电使用说明书:[1]
2026-03-28 21:04:53
(共篇)
下一篇:
声明:
本网站引用、摘录或转载内容仅供网站访问者交流或参考,不代表本站立场,如存在版权或非法内容,请联系站长删除,联系邮箱:site.kefu@qq.com。
相关推荐
湿疹膏是什么
阅读量:125
枕头套发黄怎么洗
阅读量:139
工业路由器安装说明
阅读量:100
使用Excel怎样创建面粉的吸水量对比表?
阅读量:86
大白菜winpe系统CPU测速SuperPi的教程
阅读量:45
猜你喜欢
1948年属什么生肖
杜鹃花什么时候开
干加一笔是什么字
意淫什么意思
防空警报响了什么意思
什么是闰年
什么是a股
梦见打仗是什么意思
should是什么意思
bottle是什么意思
猜你喜欢
计算机应用技术是学什么的
银行什么时候上班
净值是什么意思
星星是什么
旅游管理专业学什么
拍身份证照片穿什么颜色衣服
psa是什么意思
white是什么意思
vpn是什么意思
street是什么意思