小度生活
首页
美食营养
手工爱好
生活家居
返回
小度生活
首页
美食营养
游戏数码
手工爱好
生活家居
健康养生
运动户外
职场理财
情感交际
母婴教育
时尚美容
知识问答
生活知识
生活百科
搜索
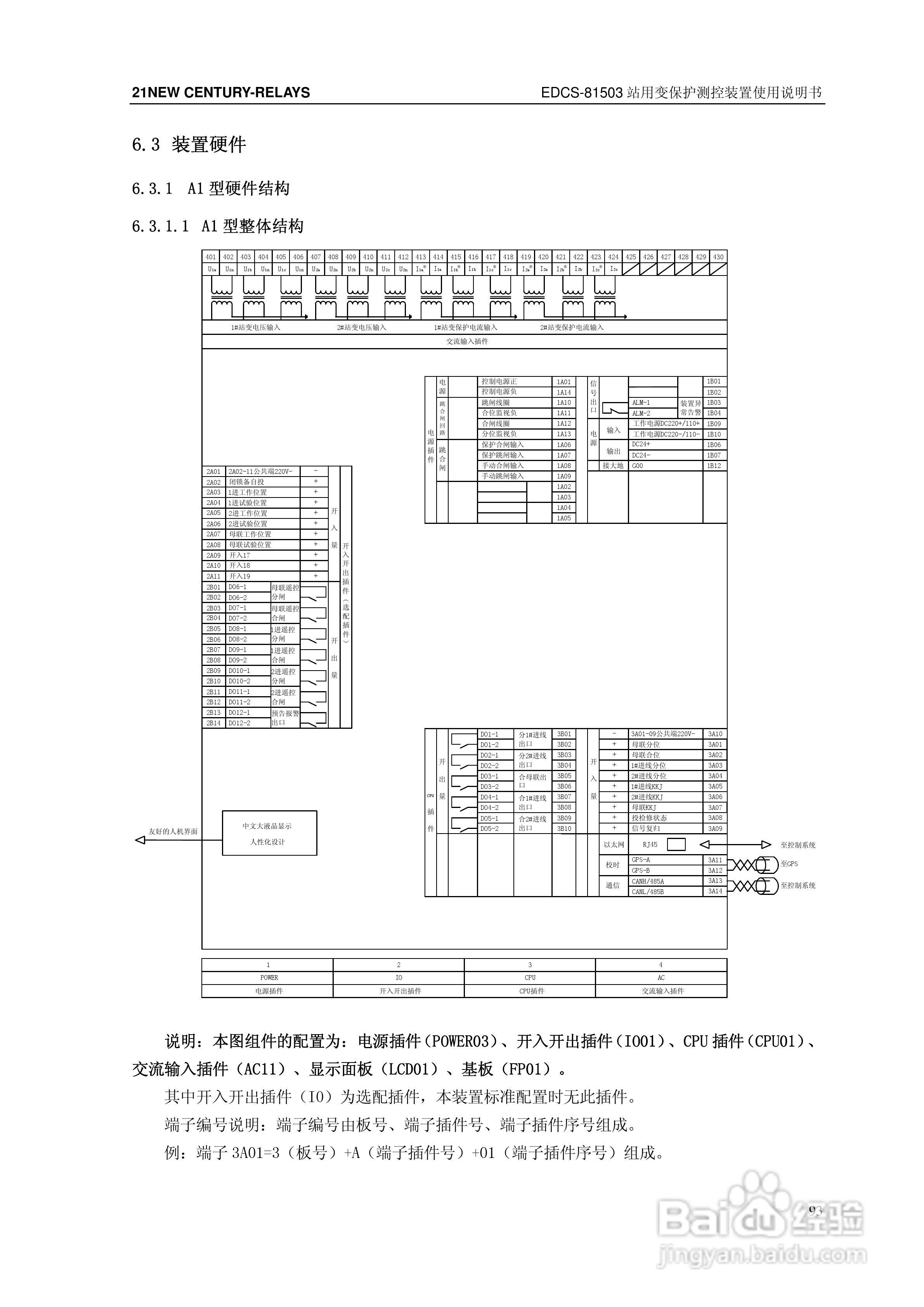
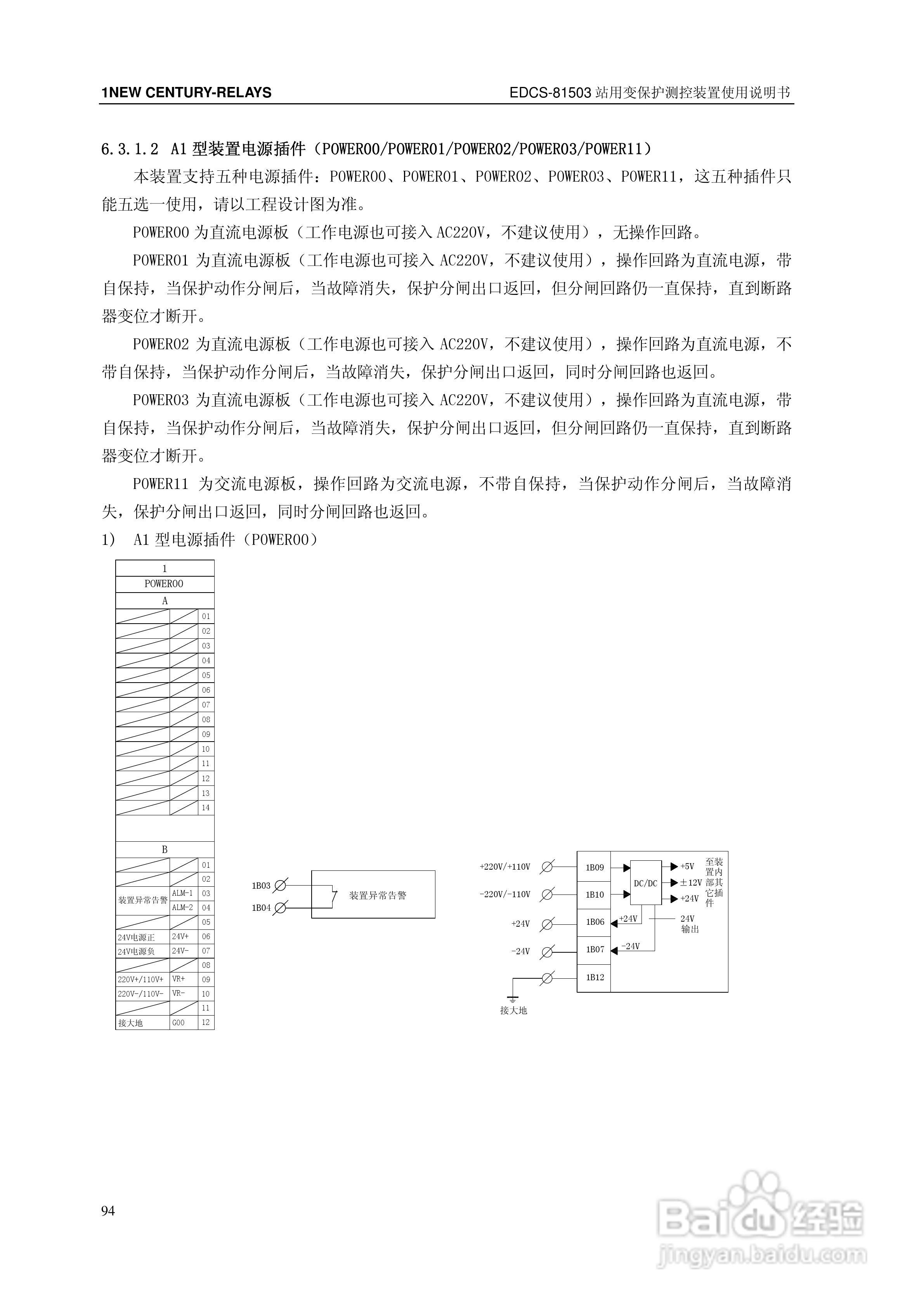
新世纪EDCS-81503站用变保护测控装置说明书:[10]
2026-05-11 08:44:12
本篇为《新世纪EDCS-81503站用变保护测控装置说明书》,主要介绍该产品的使用方法以及常见故障解决方案。
(共篇)
上一篇:
|
下一篇:
声明:
本网站引用、摘录或转载内容仅供网站访问者交流或参考,不代表本站立场,如存在版权或非法内容,请联系站长删除,联系邮箱:site.kefu@qq.com。
相关推荐
新世纪EDCS-81503站用变保护测控装置说明书:[11]
阅读量:145
新世纪EDCS-81503站用变保护测控装置说明书:[5]
阅读量:80
新世纪福音战士ol回收系统介绍
阅读量:98
新世纪EDCS-81503站用变保护测控装置说明书:[9]
阅读量:67
新世纪EDCS-81503站用变保护测控装置说明书:[6]
阅读量:190
猜你喜欢
area是什么意思
粗心的近义词是什么
什么动物最厉害
渎职是什么意思
打破沙锅问到底是什么意思
股票什么时候开盘
四个龙念什么
现在养殖什么前景好
千里共婵娟是什么意思
r36是什么车
猜你喜欢
罗志祥多人运动是什么意思
core是什么意思
什么是银行承兑汇票
rubbish是什么意思
金色的什么
补充维生素c的好处
避孕套有什么用
钓鲫鱼用什么打窝
q币能干什么
维生素b6可以治痘痘