感应耐压试验装置的安装及运行方法
1、为保证机组平稳运行,安装基础必须牢固,并且要确保电动机、发电机与联轴器的同轴运行;全槽钢焊接底盘的6个脚板,用地脚螺栓固定在稳定的地基上,地脚的支撑点水平度可允许偏差≤0.5㎜。

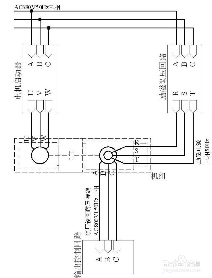
2、使用地脚螺栓安装时,要根据总装的技术要求,对螺栓施加紧固力矩,保证螺栓安全紧固。电气连接如下图

3、按照电机铭牌的额定电压,电流选择合适的电线或电缆连接驱动控制器到电动机接线盒,驱动控制器应设计降压启动功能,并有过流保护电路。
4、发电机转子连接三相励磁调节回路,由调节回路提供三相50Hz励磁电流。
5、检查紧固螺栓,确保其正确连接并紧固。
正确连接电动机和发电机接地线,接地导线面积大于安全截面。
封闭接线盒前,再次按照接线原理图及机组实物图检查所有连线及电机接地保护线连接无误,接线盒内部要求清洁,没有残端线头污物。
6、各引线接头适当紧固,并满足防护等级、绝缘类型、允许线径等要求,并已正确装配。外露电缆绝缘无损伤,未使用的进线口要封闭。
检查接线盒的所有垫圈和密封圈状态良好,如果有带螺纹的端子,都应再次合理紧固。

1、第一次启动之前或长时间未运行或防止后启动前,应立即测量绝缘电阻值。原因是经过不当运输、存放或装机后,可能会有潮气浸入,造成电阻值降到最小绝缘电阻以下。
2、用1000V兆欧表测量转子绝缘电阻,用500V兆欧表测量定子绕组绝缘电阻。
如果必要对绕组进行烘潮处理。
3、开机前再次检查
(a) 检查各紧固螺纹连接良好
(b)检查接线端子,确保连线正确且,接线盒内清洁且密封良好
(c) 比较电机技术参数是否与控制系统要求一致
(d)检查铭牌参数与实际是否相符
(e) 检查主、辅电路以及电机内加热器电路无误
(f) 清理工作现场,确保工具和杂物没有遗留
1、检查电机的旋转方向、轴承温度、轴承有无异常响动和振动等异常情况。
发电运行
2、 启动电动机,待电动机运行平稳。
3、 开启励磁调节器,监视励磁电流和输出电压、频率。
4、励磁电流达到额定值5%后,电压应达到额定值的5%左右,测定频率应为148到150Hz。
5、如果频率为50Hz,则应停止运行,并调换电动机电源的相位或发电机励磁电源相位。
6、频率正确后,在额定范围内,继续调增励磁电流;监视励磁电流和输出电压、频率;
7、 当输出电压超过额定输出电压的70%后,会有高频励磁音出现,在规定的噪音允许内,属于正常噪音。
8、GB755-200对电机绕组温升限值规定如下

1、整机维护
根据电机运行环境,每年对电机进行一次整体清洁维护,检查所有的紧固件(螺栓、垫片等)连接良好,检查绝缘电阻是否满足要求。
2、轴承维护(包括润滑)
加油周期
电机运行每2000小时加一次润滑脂,传动端加120g油脂,非传动端加120g油脂,加注润滑油脂需要在电机运转时进行,废油从集油器中排出。
使用润滑油枪进行手动注油。
3、电刷维护
运行一周后,每隔6个月进行定期检查。关停电机,逐个取下电刷并进行检查,正常状态电刷表面应该是光亮清洁的。
检查电刷高度,电刷磨损和剩余高度不少于新电刷高度的三分之一。
4、滑环维护
检查周期:6个月
滑环是电接触面,正常运行时会留下电刷的刷痕,滑环的表面质量反应出电刷的运行特性。电机静止时,观察滑环面,在运行500小时以后会出现小刷痕,小刷痕不会影响到滑环的安全运行功能。如果表面烧结点,大面积烧伤或者烧痕,滑环径向跳动超差,必须重新磨滑环。