唯隆专线WMD2400-I-V1.2型专线嵌入式MODEM模块使用说:[1]
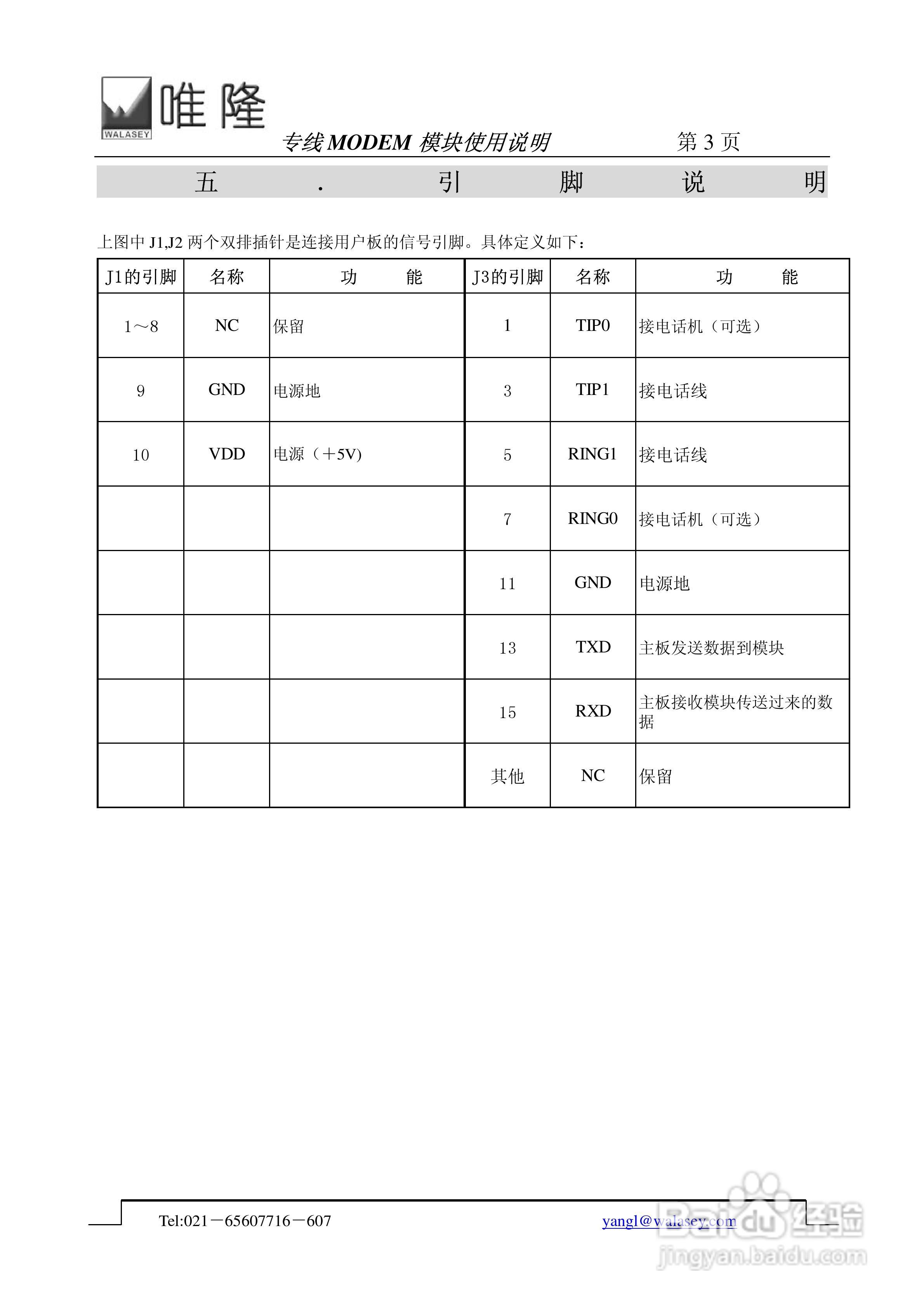
本篇为《唯隆专线WMD2400-I-V1.2型专线嵌入式MODEM模块使用说》,主要介绍该产品的使用方法以及常见故障解决方案。
![唯隆专线WMD2400-I-V1.2型专线嵌入式MODEM模块使用说:[1]](https://exp-picture.cdn.bcebos.com/939c2d40b6f39187febfb37524fce186252fef38.jpg)
![唯隆专线WMD2400-I-V1.2型专线嵌入式MODEM模块使用说:[1]](https://exp-picture.cdn.bcebos.com/7830e01d96d818196d848d78876efbf203b3de38.jpg)
![唯隆专线WMD2400-I-V1.2型专线嵌入式MODEM模块使用说:[1]](https://exp-picture.cdn.bcebos.com/604e9556ad042e680c4d7b5485f85856d43dd138.jpg)
![唯隆专线WMD2400-I-V1.2型专线嵌入式MODEM模块使用说:[1]](https://exp-picture.cdn.bcebos.com/116b1ae23ea23a428ade8aa53733ec3835bbc038.jpg)
![唯隆专线WMD2400-I-V1.2型专线嵌入式MODEM模块使用说:[1]](https://exp-picture.cdn.bcebos.com/c33acc828689a1468115c44cf4bd4c7c35b33439.jpg)
![唯隆专线WMD2400-I-V1.2型专线嵌入式MODEM模块使用说:[1]](https://exp-picture.cdn.bcebos.com/023cff37c97622bc3f61e5d2a05fd54604962839.jpg)
![唯隆专线WMD2400-I-V1.2型专线嵌入式MODEM模块使用说:[1]](https://exp-picture.cdn.bcebos.com/47bf594ec28333bf744b1ffadbb8b43ea9db1d39.jpg)
![唯隆专线WMD2400-I-V1.2型专线嵌入式MODEM模块使用说:[1]](https://exp-picture.cdn.bcebos.com/def3c219ce2c5b1b427ade692b39131fcfec0e39.jpg)
![唯隆专线WMD2400-I-V1.2型专线嵌入式MODEM模块使用说:[1]](https://exp-picture.cdn.bcebos.com/49bf00425d6b04d1228db03db213e8e5edee0139.jpg)
![唯隆专线WMD2400-I-V1.2型专线嵌入式MODEM模块使用说:[1]](https://exp-picture.cdn.bcebos.com/3ac71c214f579356291fd295effb960b30217039.jpg)
声明:本网站引用、摘录或转载内容仅供网站访问者交流或参考,不代表本站立场,如存在版权或非法内容,请联系站长删除,联系邮箱:site.kefu@qq.com。
阅读量:142
阅读量:90
阅读量:21
阅读量:139
阅读量:166