小度生活
首页
美食营养
手工爱好
生活家居
返回
小度生活
首页
美食营养
游戏数码
手工爱好
生活家居
健康养生
运动户外
职场理财
情感交际
母婴教育
时尚美容
知识问答
生活知识
搜索
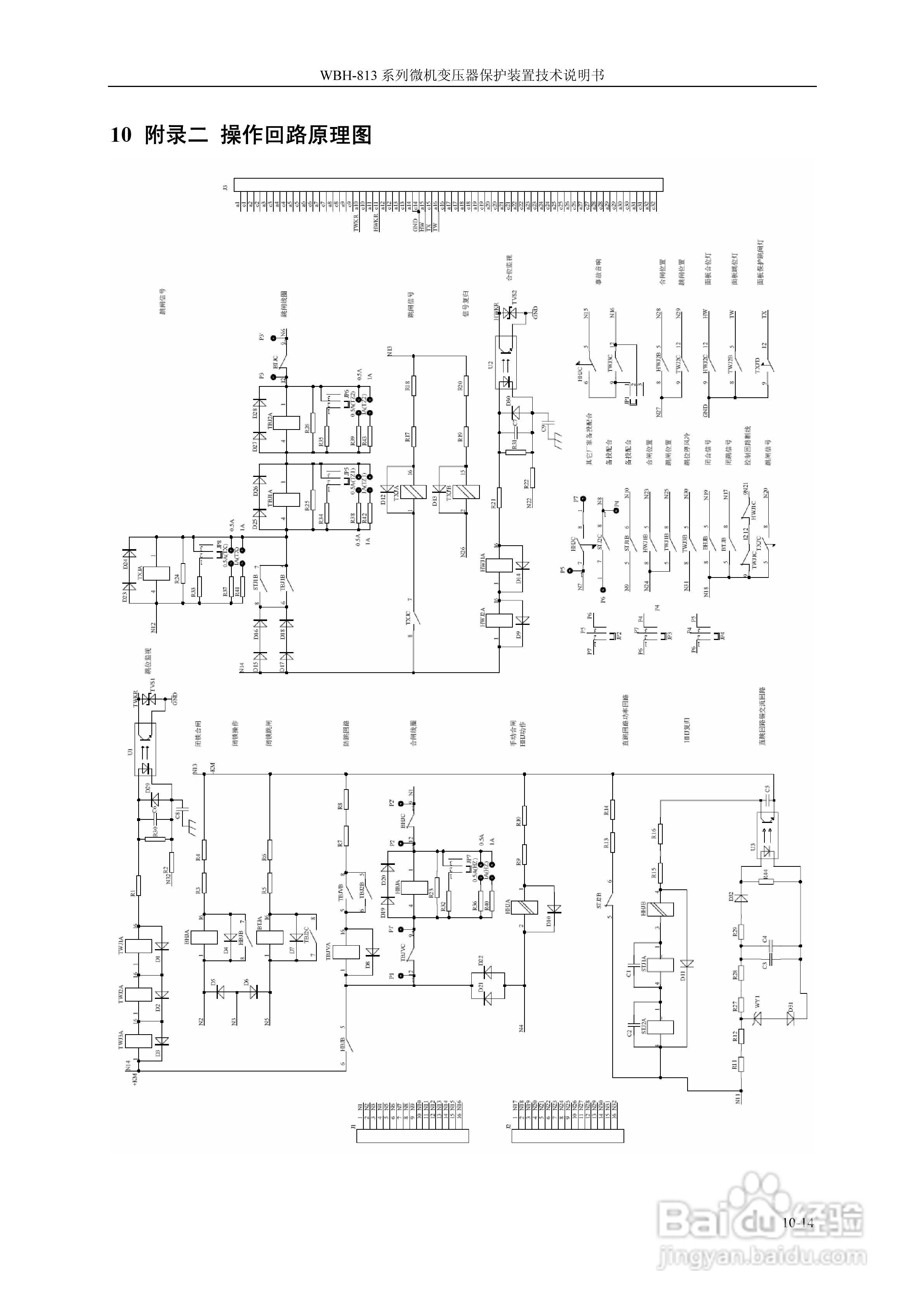
WBH-818A微机变压器保护装置技术说明书:[6]
2026-02-06 06:39:20
本篇为《WBH-818A微机变压器保护装置技术说明书》,主要介绍该产品的使用方法以及常见故障解决方案。
(共篇)
上一篇:
声明:
本网站引用、摘录或转载内容仅供网站访问者交流或参考,不代表本站立场,如存在版权或非法内容,请联系站长删除,联系邮箱:site.kefu@qq.com。
相关推荐
u启动v6.3 uefi模式安装win10 系统教程
阅读量:176
Telsda 天时达 T5966格机解锁
阅读量:161
华源电气PZG8成套直流电源使用说明书:[5]
阅读量:81
易语言窗口界面如何添加文件框
阅读量:28
EIC-RC20 CDMA路由使用说明书:[1]
阅读量:129
猜你喜欢
家里养什么鱼好
扁平化是什么意思
银河系中心是什么
cucumber是什么意思
树懒是什么动物
什么是可再生能源
月球是什么星
什么枕头对颈椎最好
丘疹是什么
全面深化改革的总目标是什么
猜你喜欢
dept是什么意思
反复发烧是什么原因
880什么意思
text是什么意思
巧克力代表什么意思
孔子名什么字什么
多汗是什么原因
那一夜我对着自己开了一枪什么歌
人生的意义是什么
手机root什么意思