小度生活
首页
美食营养
手工爱好
生活家居
返回
小度生活
首页
美食营养
游戏数码
手工爱好
生活家居
健康养生
运动户外
职场理财
情感交际
母婴教育
时尚美容
知识问答
生活知识
生活百科
搜索
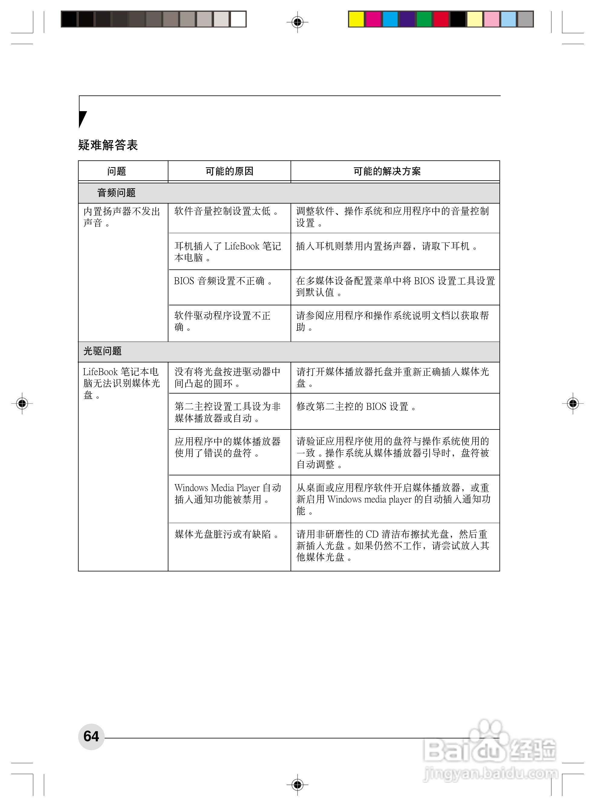
富士通N6460笔记本电脑使用说明书:[7]
2026-05-07 21:06:21
本篇为《富士通N6460笔记本电脑使用说明书》,主要介绍该产品的使用方法以及常见故障解决方案。
(共篇)
上一篇:
|
下一篇:
声明:
本网站引用、摘录或转载内容仅供网站访问者交流或参考,不代表本站立场,如存在版权或非法内容,请联系站长删除,联系邮箱:site.kefu@qq.com。
相关推荐
富士通P1630笔记本电脑使用说明书:[7]
阅读量:22
富士通Sparrow TH550笔记本电脑使用说明书:[7]
阅读量:64
富士通Stork T901笔记本电脑使用说明书:[7]
阅读量:32
笔记本电脑如何连接wifi
阅读量:179
笔记本电脑开不了机怎么处理
阅读量:118
猜你喜欢
皮肤暗黄有色斑怎么办
好开头好结尾摘抄大全
鱼头火锅的家常做法
腰椎骨折治疗方法
去眼袋的方法
读书的方法
生菜怎么做好吃
飞利浦电视怎么样
怎么加快网速
游戏大全
猜你喜欢
电视剧免费观看电视剧大全在线观看
婚前协议怎么写
缓解胃疼的方法
幼儿画画图片大全
量血压的正确方法
汽车导航怎么升级
痘印怎么办
紫金保险怎么样
小孩肚子胀气怎么办
猜字谜语大全及答案