小度生活
首页
美食营养
手工爱好
生活家居
返回
小度生活
首页
美食营养
游戏数码
手工爱好
生活家居
健康养生
运动户外
职场理财
情感交际
母婴教育
时尚美容
知识问答
生活知识
生活百科
搜索
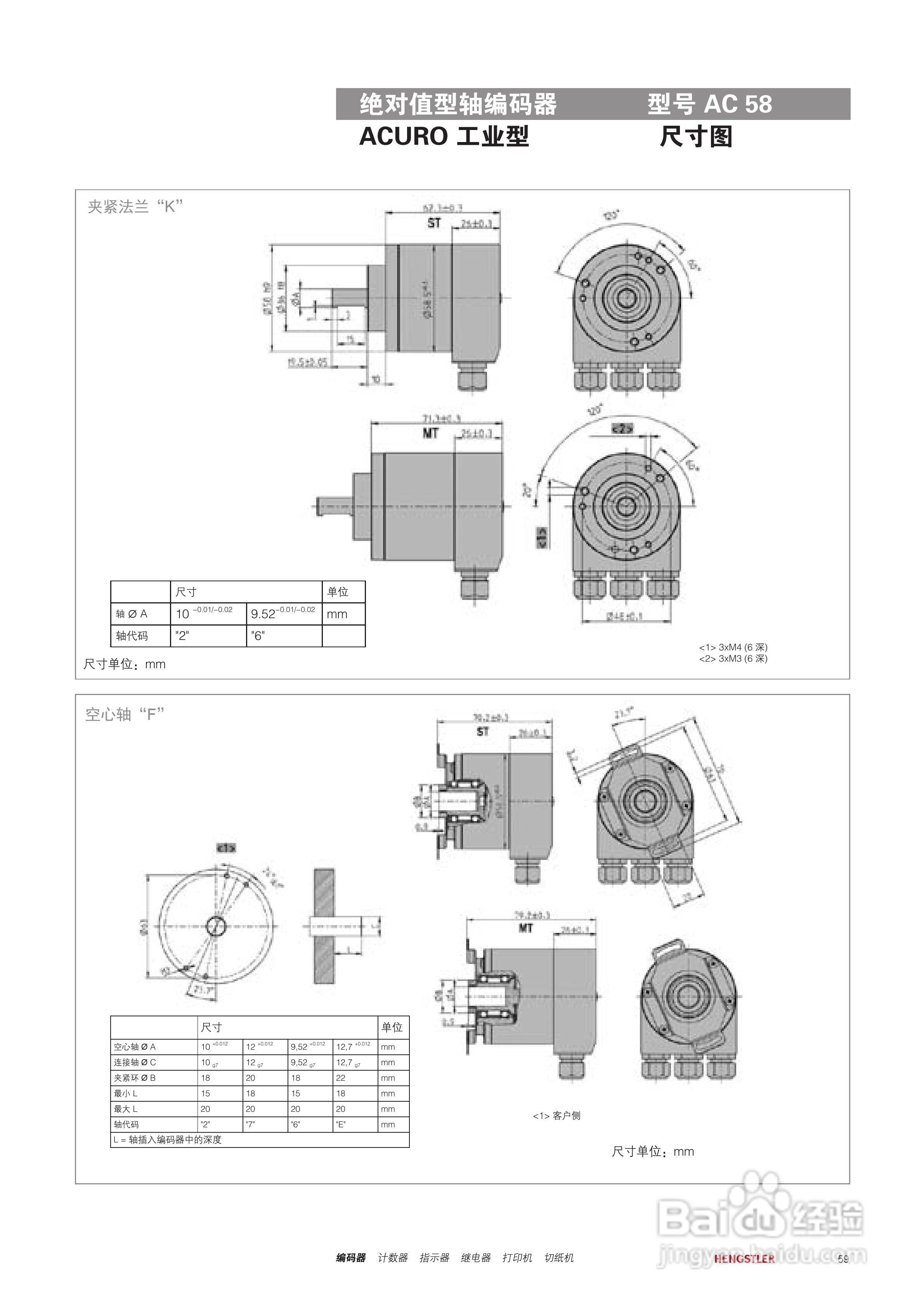
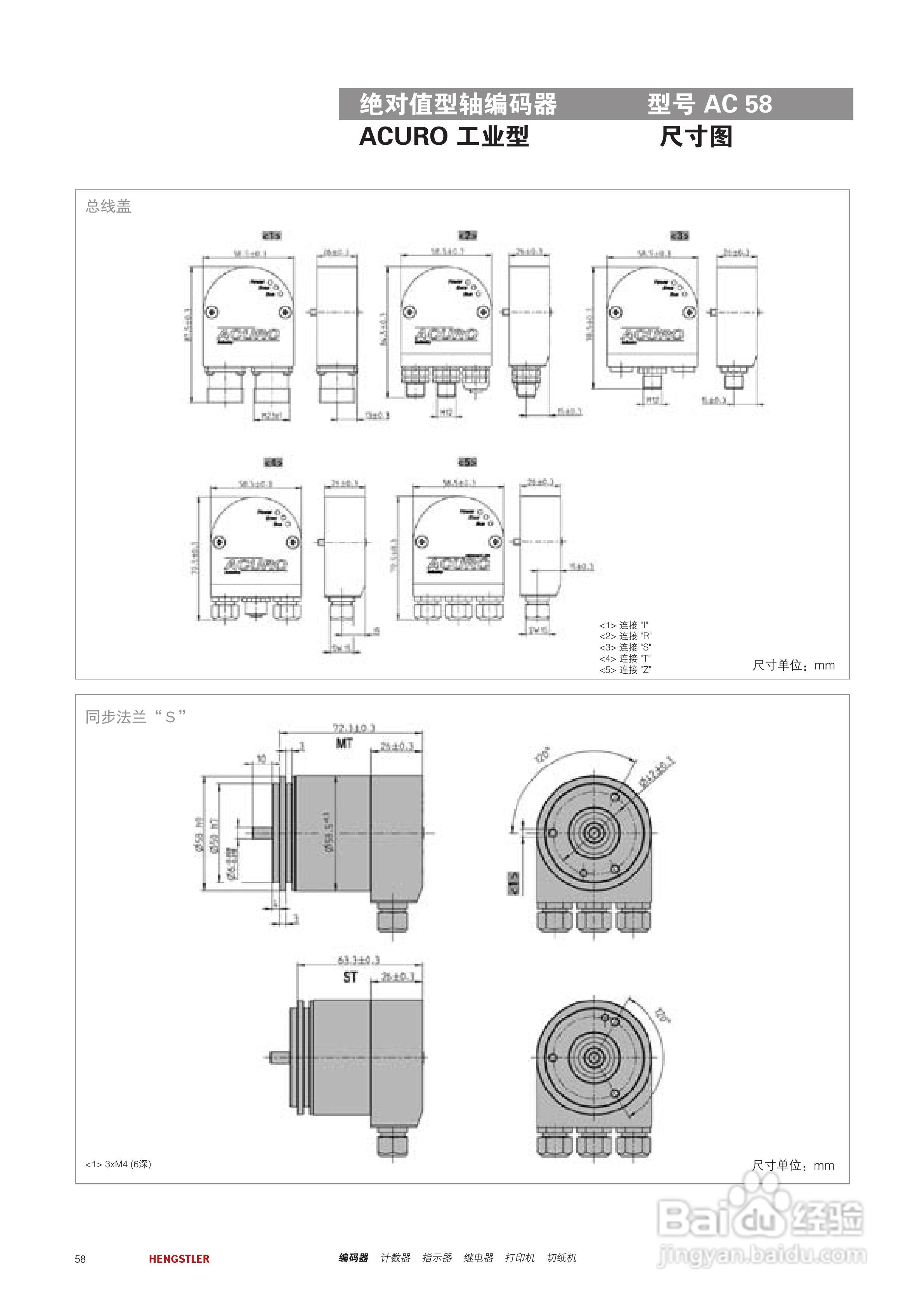
Hengstler 绝对值型编码器产品说明书:[6]
2026-04-25 06:42:58
本篇为《Hengstler 绝对值型编码器产品说明书》,主要介绍该产品的使用方法以及常见故障解决方案。
(共篇)
上一篇:
|
下一篇:
声明:
本网站引用、摘录或转载内容仅供网站访问者交流或参考,不代表本站立场,如存在版权或非法内容,请联系站长删除,联系邮箱:site.kefu@qq.com。
相关推荐
Hengstler 绝对值型编码器产品说明书:[8]
阅读量:111
Hengstler 绝对值型编码器产品说明书:[4]
阅读量:75
编码器的安装方法
阅读量:124
编码器干扰解决方法
阅读量:108
编码器直播推流方案
阅读量:140
猜你喜欢
果胶铋的功效与作用
玉米须的功效与作用
关于运动的名言
花椒籽的功效与作用
花生泡醋的功效与作用
媛交什么意思
生物必修一知识点
运动的重要性
幼儿园运动会解说词
血糯米的功效与作用
猜你喜欢
黄芪的功效与作用及禁忌
光子嫩肤有什么作用
林心如属什么
地震小知识
红小豆的功效与作用
480分能上什么大学
穿心莲片的功效与作用
高中三角函数知识点
八上历史知识点
知识产权案例