小度生活
首页
美食营养
手工爱好
生活家居
返回
小度生活
首页
美食营养
游戏数码
手工爱好
生活家居
健康养生
运动户外
职场理财
情感交际
母婴教育
时尚美容
知识问答
搜索
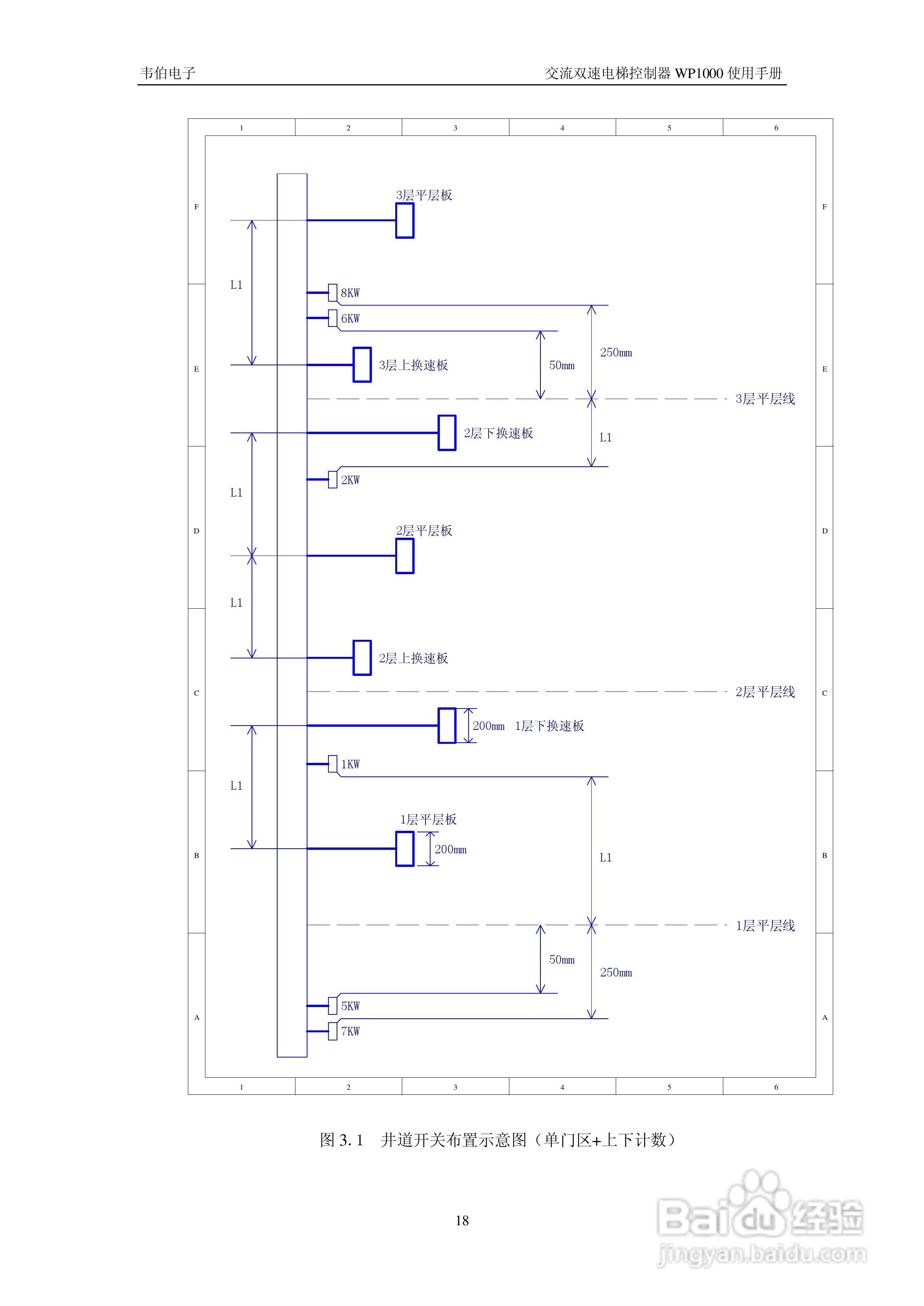
WP1000双速电梯控制器用户手册:[2]
2025-10-10 09:51:07
本篇为《WP1000双速电梯控制器用户手册》,主要介绍该产品的使用方法以及常见故障解决方案。
(共篇)
上一篇:
|
下一篇:
声明:
本网站引用、摘录或转载内容仅供网站访问者交流或参考,不代表本站立场,如存在版权或非法内容,请联系站长删除,联系邮箱:site.kefu@qq.com。
相关推荐
WP1000双速电梯控制器用户手册:[3]
阅读量:160
WP1000双速电梯控制器用户手册:[4]
阅读量:144
控制器暂停功能的实现步骤
阅读量:22
电梯楼层提示器
阅读量:113
无锡中秀WP-CAN-2100/WP-CAN-3000电梯控制器205E用户:[2]
阅读量:26
猜你喜欢
电脑连电视怎么设置
如何治疗脂肪肝
生活中的小窍门
不卑不亢是什么意思
秦奋是什么来头
无锡工艺职业技术学院怎么样
天津农学院怎么样
flag是什么意思
如何培养学习兴趣
老年人便秘怎么治
猜你喜欢
如何做到心如止水
沃金之矛声望怎么刷
duck是什么意思
如何写自我评价
fruit是什么意思
如何学会做生意
996工作制是什么意思
如何练弹跳力
电脑速度太慢怎么办
计算机专业主要学什么