小度生活
首页
美食营养
手工爱好
生活家居
返回
小度生活
首页
美食营养
游戏数码
手工爱好
生活家居
健康养生
运动户外
职场理财
情感交际
母婴教育
时尚美容
知识问答
生活知识
搜索
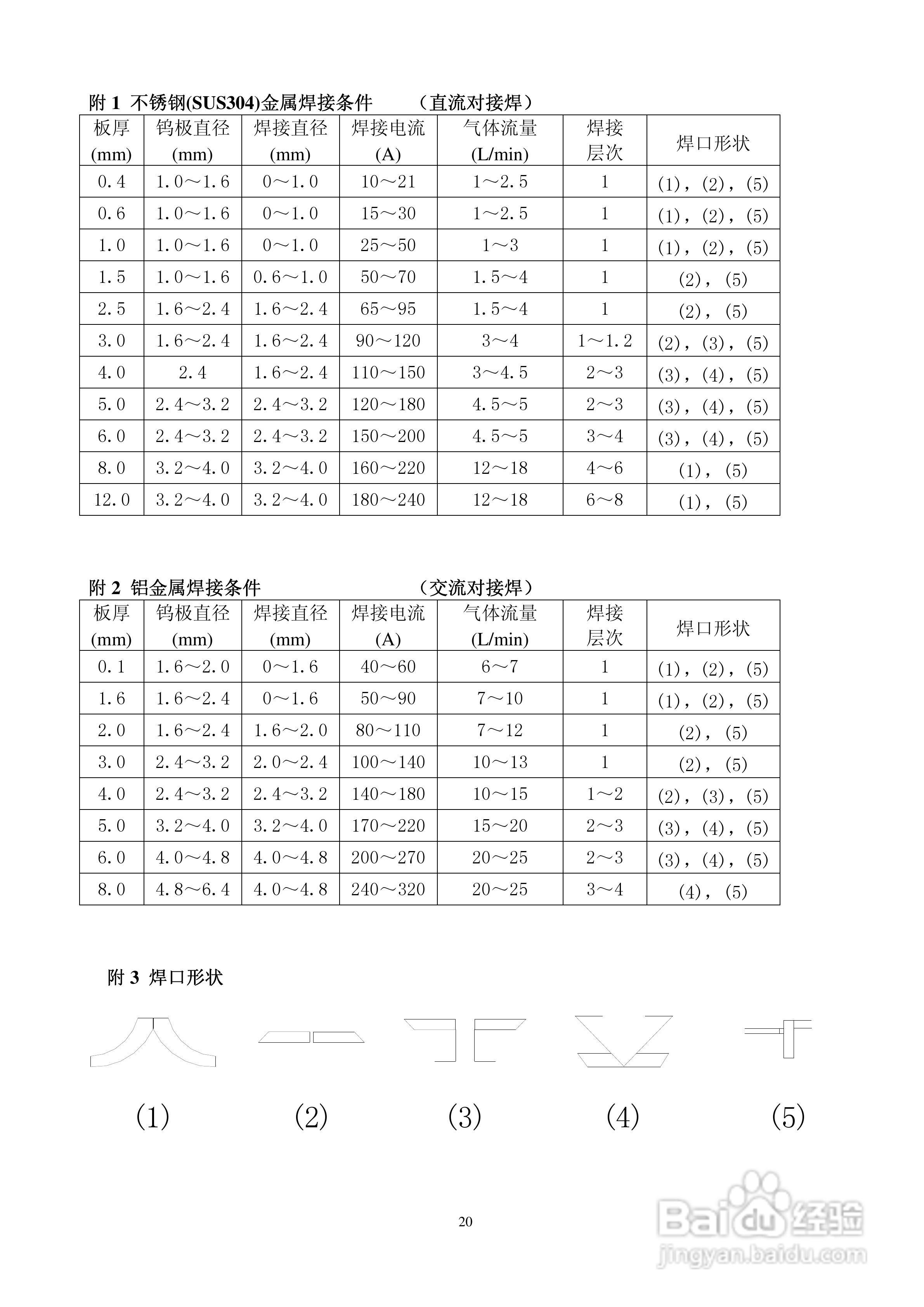
焊王WSE-180A交直流方波氩弧焊机使用说明书:[2]
2025-10-30 12:59:06
本篇为《焊王WSE-180A交直流方波氩弧焊机使用说明书》,主要介绍该产品的使用方法以及常见故障解决方案。
(共篇)
上一篇:
声明:
本网站引用、摘录或转载内容仅供网站访问者交流或参考,不代表本站立场,如存在版权或非法内容,请联系站长删除,联系邮箱:site.kefu@qq.com。
相关推荐
喝水减肥法越喝越瘦
阅读量:54
事业最容易成功的星座:只有付出才有回报哦!
阅读量:159
烽火战国带近程兵的英雄应该学哪些技能
阅读量:178
天天象棋春秋五霸第165关美人计破解方法
阅读量:121
丰胸的水果有哪些?
阅读量:47
猜你喜欢
why是什么意思
爱老虎油什么意思
什么值得卖
朋克是什么意思
无知是什么意思
三聚净戒是指什么
韧性是什么意思
趋炎附势的意思
休止符是什么意思
生气的意思
猜你喜欢
valentine s day是什么意思
童趣的意思
gloria什么意思
点读机什么牌子好
什么食物可以化痰
road是什么意思
others是什么意思
创举的意思
revise什么意思
我顶你个肺什么意思