小度生活
首页
美食营养
手工爱好
生活家居
返回
小度生活
首页
美食营养
游戏数码
手工爱好
生活家居
健康养生
运动户外
职场理财
情感交际
母婴教育
时尚美容
知识问答
生活知识
生活百科
搜索
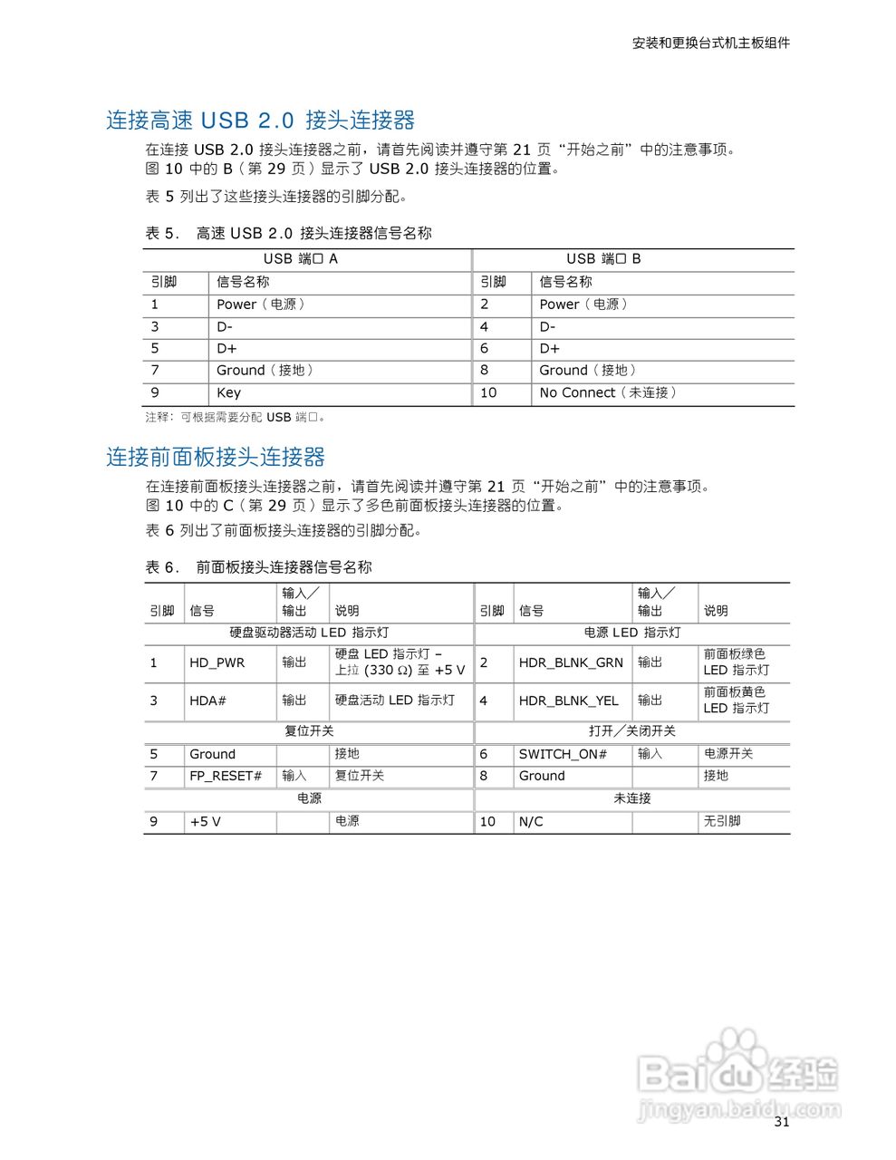
英特尔D201GLY型主板说明书:[4]
2026-04-08 16:22:23
本篇为《英特尔D201GLY型主板说明书》,主要介绍该产品的使用方法以及常见故障解决方案。
(共篇)
上一篇:
|
下一篇:
声明:
本网站引用、摘录或转载内容仅供网站访问者交流或参考,不代表本站立场,如存在版权或非法内容,请联系站长删除,联系邮箱:site.kefu@qq.com。
相关推荐
英特尔D201GLY2型主板说明书:[4]
阅读量:119
英特尔D201GLY2型主板说明书:[5]
阅读量:79
英特尔D946GZAB型主板说明书:[4]
阅读量:90
英特尔D945GCL型主板说明书:[4]
阅读量:28
英特尔DX48BT2型主板说明书:[4]
阅读量:142
猜你喜欢
好听的名字大全
卡通图片大全
牙龈痛怎么办
惠兰花怎么养
东南汽车dx7怎么样
他怎么了作文500字
手刹怎么用
手语歌曲大全
怎么去红色痘印
服装店名大全
猜你喜欢
素菜菜谱大全
头七怎么做
邪恶帝少女漫画大全
小孩睡觉磨牙是怎么回事
关于爱国的古诗大全
2345小说大全
四路虎网址大全
张九龄简介
淘宝怎么上传视频
过敏性哮喘怎么治疗