小度生活
首页
美食营养
手工爱好
生活家居
返回
小度生活
首页
美食营养
游戏数码
手工爱好
生活家居
健康养生
运动户外
职场理财
情感交际
母婴教育
时尚美容
知识问答
生活知识
生活百科
搜索
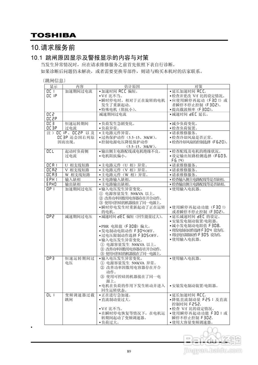
东芝VPFP-4315KP变频器中文说明书:[10]
2026-04-03 20:13:28
本篇为《东芝VPFP-4315KP变频器中文说明书》,主要介绍该产品的使用方法以及常见故障解决方案。
(共篇)
上一篇:
声明:
本网站引用、摘录或转载内容仅供网站访问者交流或参考,不代表本站立场,如存在版权或非法内容,请联系站长删除,联系邮箱:site.kefu@qq.com。
相关推荐
变频器调试接线教程
阅读量:72
变频器怎么恢复出厂设置
阅读量:103
变频器滤波器的选型
阅读量:45
变频器过载的原因
阅读量:177
变频器维修培训技巧
阅读量:169
猜你喜欢
转化率怎么算
cad公差怎么标注
抖音怎么投屏到电视
ps怎么做水印
脚扭伤怎么处理
末影龙怎么打
dns配置错误怎么办
天使的翅膀怎么画
御宝羊奶粉怎么样
创维电视机怎么样
猜你喜欢
ps怎么去色
lol怎么在游戏中回复好友消息
林内热水器怎么样
旅行青蛙怎么玩
timex手表怎么样
怎么穿鞋带好看图解
保温杯不保温了怎么办
怎么打开资源管理器
鞋后跟磨脚怎么办
福特蒙迪欧怎么样