小度生活
首页
美食营养
手工爱好
生活家居
返回
小度生活
首页
美食营养
游戏数码
手工爱好
生活家居
健康养生
运动户外
职场理财
情感交际
母婴教育
时尚美容
知识问答
生活知识
搜索
三垦WD05-55K卷绕专用型变频器使用说明书:[3]
2025-12-27 22:29:09
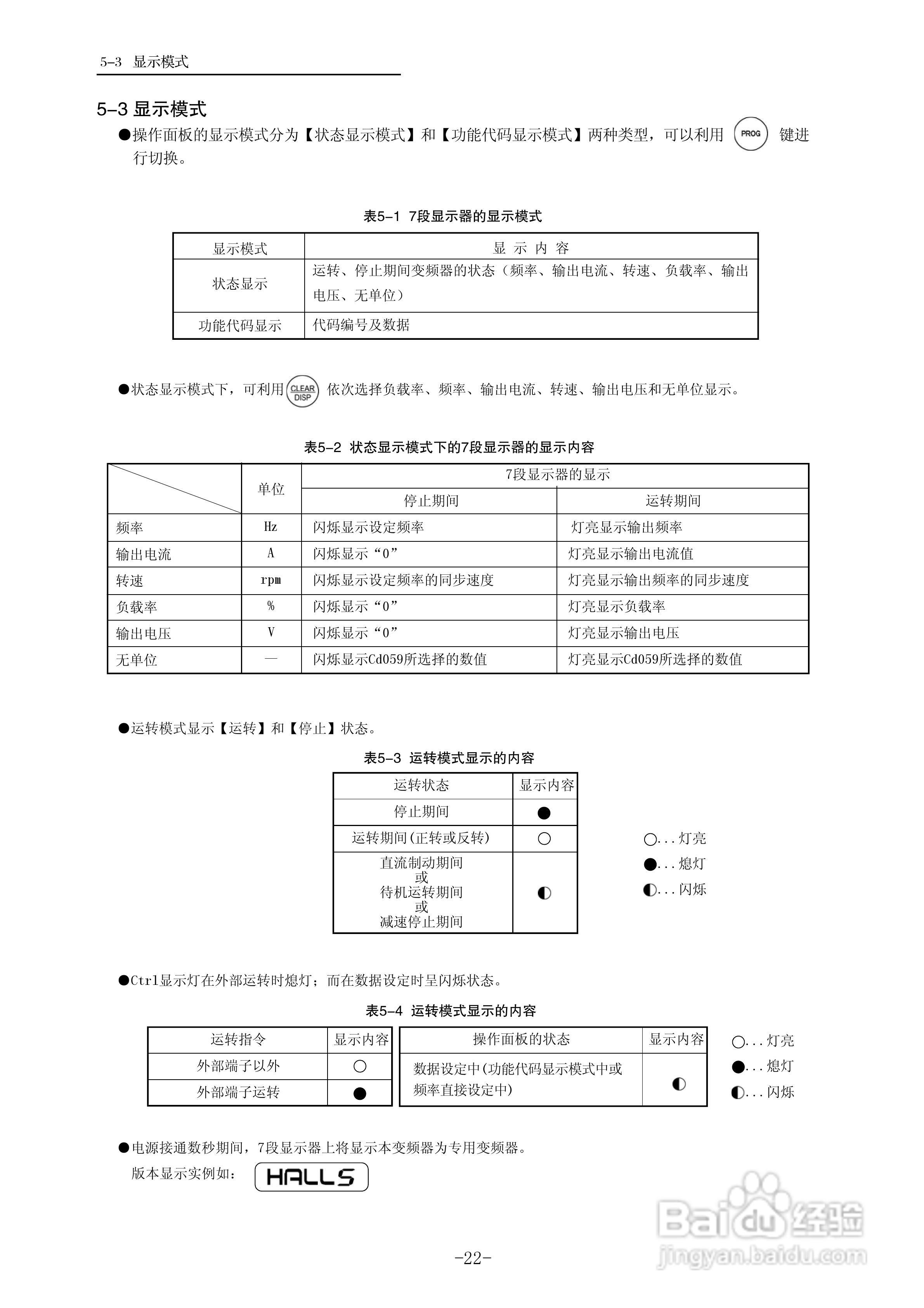
本篇为《三垦WD05-55K卷绕专用型变频器使用说明书》,主要介绍该产品的使用方法以及常见故障解决方案。
(共篇)
上一篇:
|
下一篇:
声明:
本网站引用、摘录或转载内容仅供网站访问者交流或参考,不代表本站立场,如存在版权或非法内容,请联系站长删除,联系邮箱:site.kefu@qq.com。
相关推荐
三垦WD05-55K卷绕专用型变频器使用说明书:[5]
阅读量:169
三垦SVC06-2500变频器使用说明书:[5]
阅读量:95
三垦SVC06-2500变频器使用说明书:[3]
阅读量:46
12C05使用说明书
阅读量:51
17C05使用说明书
阅读量:150
猜你喜欢
cydia是什么
仿丝棉是什么
不言而喻什么意思
赤道是什么意思
麻烦的近义词是什么
什么是软文
属马和什么属相最配
530是什么意思
兔子养殖技术
我国什么时候开始用砖瓦
猜你喜欢
counter是什么意思
微信运动刷步数
黄粉虫养殖技术
胎位rop是什么意思
什么是id
维生素b2功能与作用
function是什么意思
鹌鹑养殖
排卵日有什么症状
稀疏的反义词是什么