小度生活
首页
美食营养
手工爱好
生活家居
返回
小度生活
首页
美食营养
游戏数码
手工爱好
生活家居
健康养生
运动户外
职场理财
情感交际
母婴教育
时尚美容
知识问答
生活知识
生活百科
搜索
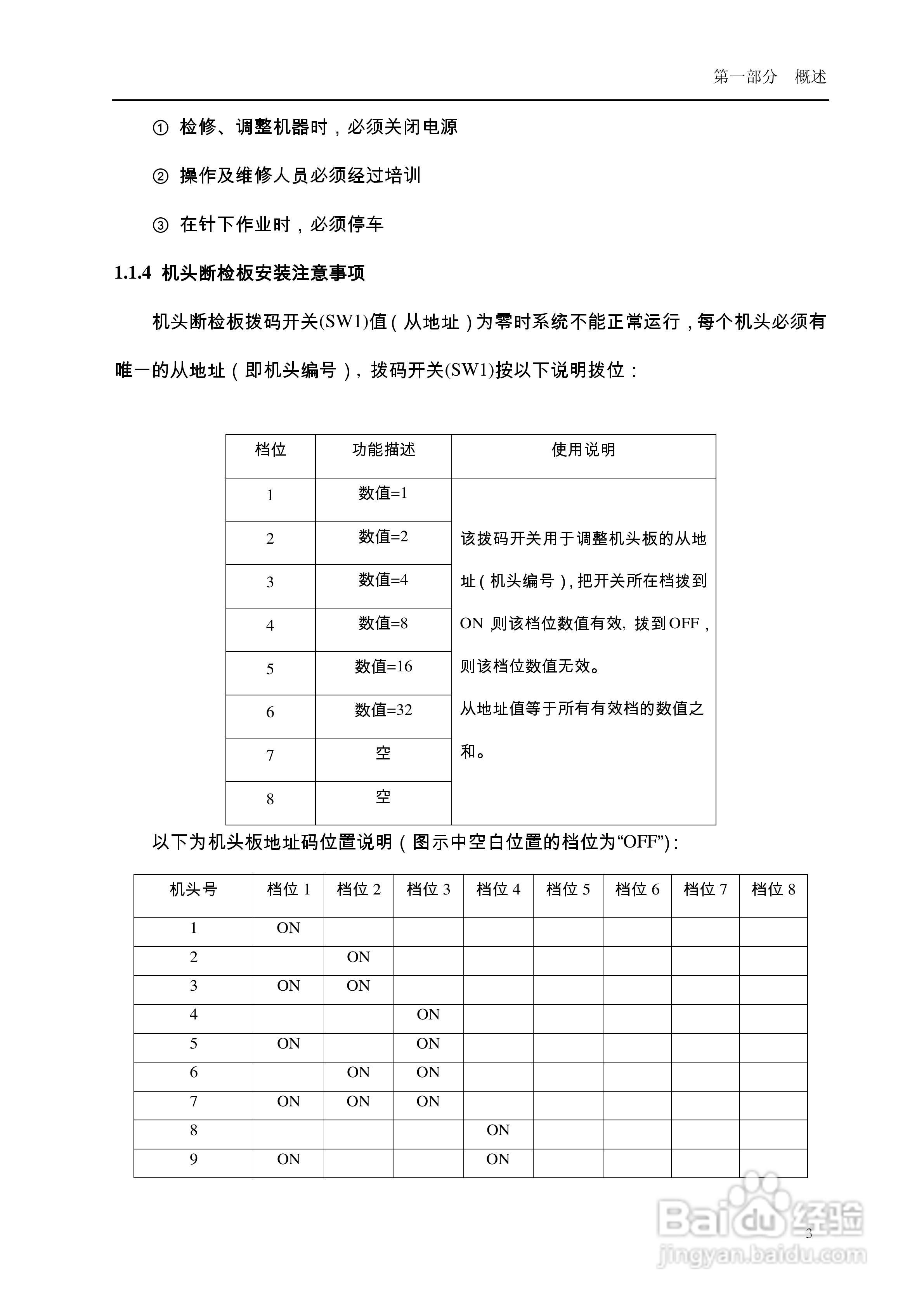
A68电脑刺绣机说明书:[1]
2026-04-06 03:56:09
本篇为《A68电脑刺绣机说明书》,主要介绍该产品的使用方法以及常见故障解决方案。
(共篇)
下一篇:
声明:
本网站引用、摘录或转载内容仅供网站访问者交流或参考,不代表本站立场,如存在版权或非法内容,请联系站长删除,联系邮箱:site.kefu@qq.com。
相关推荐
A68电脑刺绣机说明书:[6]
阅读量:27
8085电脑刺绣机说明书:[6]
阅读量:82
8085电脑刺绣机说明书:[3]
阅读量:138
A19电脑刺绣机说明书:[5]
阅读量:147
A19电脑刺绣机说明书:[1]
阅读量:93
猜你喜欢
睾丸痛怎么办
存货计价方法有哪些
广州怎么样
脚底长水泡怎么办
风湿痛的治疗方法
降血脂最好的方法
英雄联盟怎么发所有人
冻伤的治疗方法
豆腐汤的家常做法
温度计碎了怎么办
猜你喜欢
家常草鱼
鱼籽的做法大全
河北医科大学怎么样
手机玩游戏卡怎么办
肚子减肥的最好方法
鸡翅怎么做好吃又简单
医院怎么分等级
写作文的方法
电视剧免费观看电视剧大全在线观看
翻毛皮鞋怎么清洗