JF系列局部放电检测系统说明书:[1]
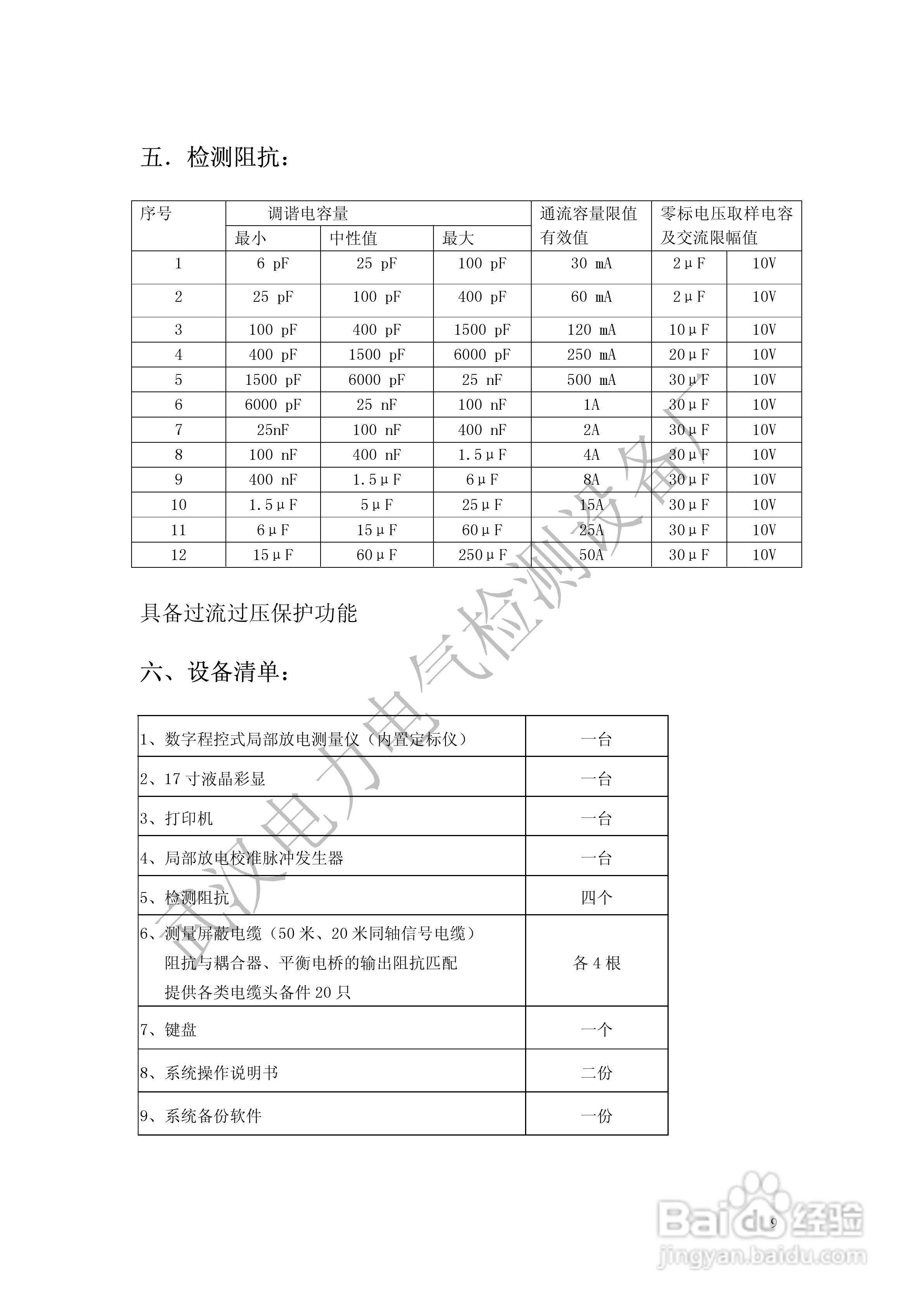
本篇为《JF系列局部放电检测系统说明书》,主要介绍该产品的使用方法以及常见故障解决方案。
![JF系列局部放电检测系统说明书:[1]](https://exp-picture.cdn.bcebos.com/1562a0b9763e21c2186ea365e6e89a618725b10d.jpg)
![JF系列局部放电检测系统说明书:[1]](https://exp-picture.cdn.bcebos.com/6ca98461862541936750f2b1df1bd10ff326ab0d.jpg)
![JF系列局部放电检测系统说明书:[1]](https://exp-picture.cdn.bcebos.com/f367139a310e17995892f80dc9406afec214a30d.jpg)
![JF系列局部放电检测系统说明书:[1]](https://exp-picture.cdn.bcebos.com/c255efc595ee41c10e9feee68d88912ca4ca9b0d.jpg)
![JF系列局部放电检测系统说明书:[1]](https://exp-picture.cdn.bcebos.com/dda98e4800fc77f75ab61d95c8715fdb3720900d.jpg)
![JF系列局部放电检测系统说明书:[1]](https://exp-picture.cdn.bcebos.com/274e9635dd8a59de8bbfcab4b370d5413b8c840d.jpg)
![JF系列局部放电检测系统说明书:[1]](https://exp-picture.cdn.bcebos.com/51cd85cec7f88a778765caf96e4a2f27e6eff80d.jpg)
![JF系列局部放电检测系统说明书:[1]](https://exp-picture.cdn.bcebos.com/3201a8f39187031c7f78ed496a86242fa972ec0d.jpg)
![JF系列局部放电检测系统说明书:[1]](https://exp-picture.cdn.bcebos.com/7830e01d96d818199598e578876efbf203b3de0d.jpg)
![JF系列局部放电检测系统说明书:[1]](https://exp-picture.cdn.bcebos.com/8a17b3042e6817e955584c4dd356d53da924ce0d.jpg)
声明:本网站引用、摘录或转载内容仅供网站访问者交流或参考,不代表本站立场,如存在版权或非法内容,请联系站长删除,联系邮箱:site.kefu@qq.com。
阅读量:194
阅读量:110
阅读量:168
阅读量:168
阅读量:66
本篇为《JF系列局部放电检测系统说明书》,主要介绍该产品的使用方法以及常见故障解决方案。
![JF系列局部放电检测系统说明书:[1]](https://exp-picture.cdn.bcebos.com/1562a0b9763e21c2186ea365e6e89a618725b10d.jpg)
![JF系列局部放电检测系统说明书:[1]](https://exp-picture.cdn.bcebos.com/6ca98461862541936750f2b1df1bd10ff326ab0d.jpg)
![JF系列局部放电检测系统说明书:[1]](https://exp-picture.cdn.bcebos.com/f367139a310e17995892f80dc9406afec214a30d.jpg)
![JF系列局部放电检测系统说明书:[1]](https://exp-picture.cdn.bcebos.com/c255efc595ee41c10e9feee68d88912ca4ca9b0d.jpg)
![JF系列局部放电检测系统说明书:[1]](https://exp-picture.cdn.bcebos.com/dda98e4800fc77f75ab61d95c8715fdb3720900d.jpg)
![JF系列局部放电检测系统说明书:[1]](https://exp-picture.cdn.bcebos.com/274e9635dd8a59de8bbfcab4b370d5413b8c840d.jpg)
![JF系列局部放电检测系统说明书:[1]](https://exp-picture.cdn.bcebos.com/51cd85cec7f88a778765caf96e4a2f27e6eff80d.jpg)
![JF系列局部放电检测系统说明书:[1]](https://exp-picture.cdn.bcebos.com/3201a8f39187031c7f78ed496a86242fa972ec0d.jpg)
![JF系列局部放电检测系统说明书:[1]](https://exp-picture.cdn.bcebos.com/7830e01d96d818199598e578876efbf203b3de0d.jpg)
![JF系列局部放电检测系统说明书:[1]](https://exp-picture.cdn.bcebos.com/8a17b3042e6817e955584c4dd356d53da924ce0d.jpg)