小度生活
首页
美食营养
手工爱好
生活家居
返回
小度生活
首页
美食营养
游戏数码
手工爱好
生活家居
健康养生
运动户外
职场理财
情感交际
母婴教育
时尚美容
知识问答
生活知识
搜索
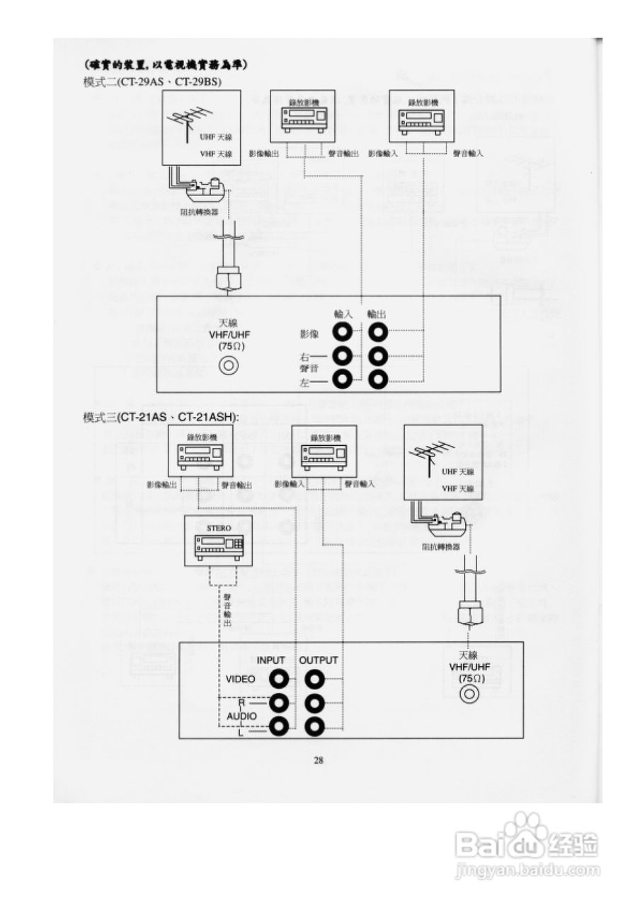
歌林CT-34AS型电视机说明书:[3]
2025-10-20 19:55:08
/>
(共篇)
上一篇:
|
下一篇:
声明:
本网站引用、摘录或转载内容仅供网站访问者交流或参考,不代表本站立场,如存在版权或非法内容,请联系站长删除,联系邮箱:site.kefu@qq.com。
相关推荐
歌林CT-34AS型电视机说明书:[4]
阅读量:49
歌林CT-29AS型电视机使用说明书:[3]
阅读量:114
歌林CT-21AS型电视机使用说明书:[4]
阅读量:56
歌林CT-29AS型电视机使用说明书:[1]
阅读量:38
歌林CT-21AS型电视机使用说明书:[1]
阅读量:61
猜你喜欢
大黄花鱼的家常做法
清炖猪蹄的家常做法
偏头痛的原因和治疗方法
尿蛋白是怎么回事
月亮图片大全唯美大图
鸡块的做法大全家常
瘦腰腹的最快方法
怎样做鱼好吃
别克昂科拉怎么样
红烧鸡块怎么烧好吃又嫩
猜你喜欢
菜谱家常菜做法大全
玉米面怎么做好吃
口疮的快速治疗方法
幸运数字的测算方法
清炖鸡块的家常做法
宫颈炎最佳治疗方法
缩句大全
我的世界怎么做梯子
新车除味最有效方法
推迟月经的方法