小度生活
首页
美食营养
手工爱好
生活家居
返回
小度生活
首页
美食营养
游戏数码
手工爱好
生活家居
健康养生
运动户外
职场理财
情感交际
母婴教育
时尚美容
知识问答
生活知识
搜索
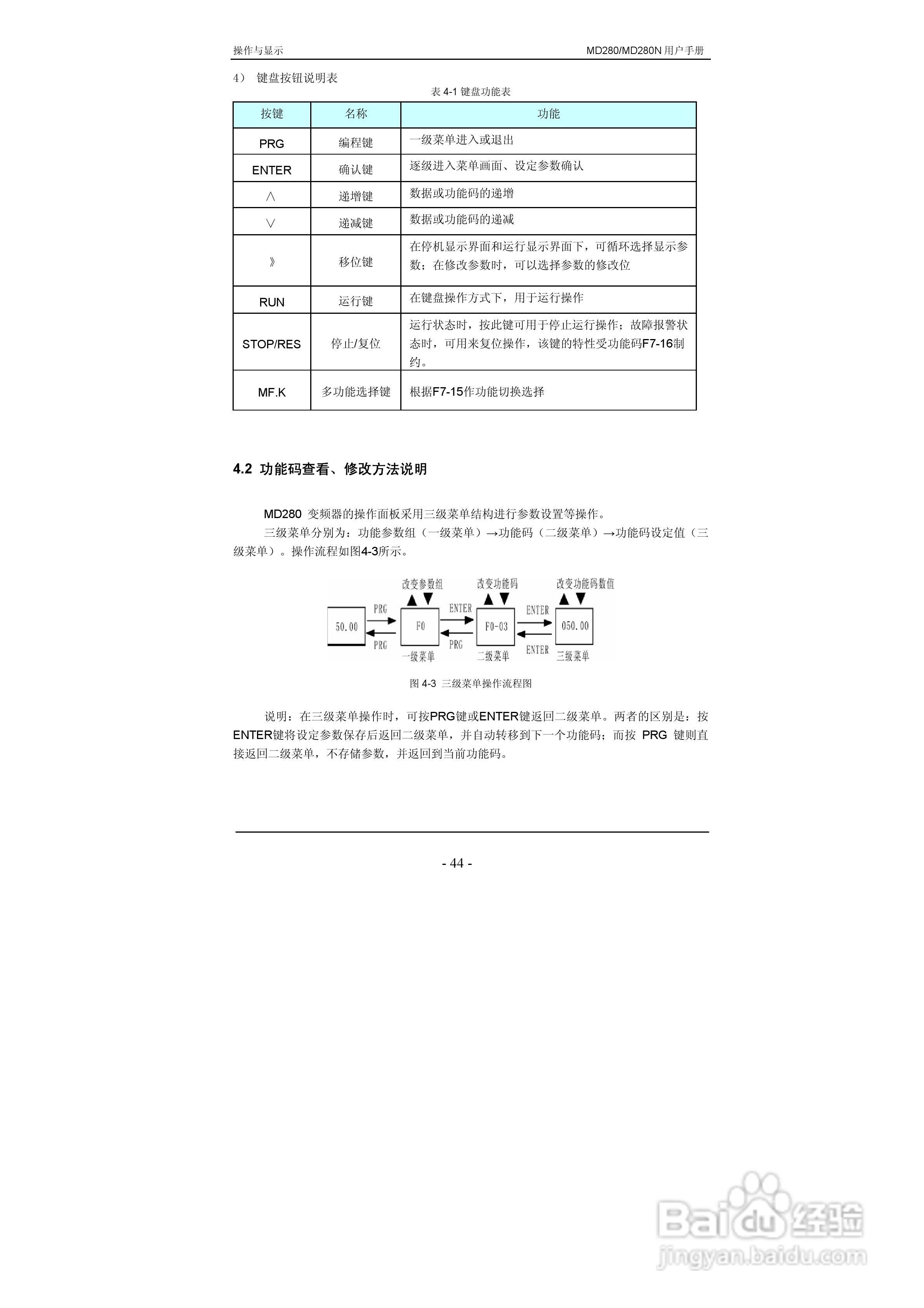
汇川MD280NT55G/75P变频器用户手册:[6]
2025-10-18 21:32:09
本篇为《汇川MD280NT55G/75P变频器用户手册》,主要介绍该产品的使用方法以及常见故障解决方案。
(共篇)
上一篇:
声明:
本网站引用、摘录或转载内容仅供网站访问者交流或参考,不代表本站立场,如存在版权或非法内容,请联系站长删除,联系邮箱:site.kefu@qq.com。
相关推荐
汇川ME320L-4045电梯专用变频器用户手册:[5]
阅读量:102
汇川ME320L-4045电梯专用变频器用户手册:[6]
阅读量:195
汇川ME320L-4045电梯专用变频器用户手册:[4]
阅读量:111
变频器的检查流程
阅读量:33
变频器调试接线教程
阅读量:165
猜你喜欢
让生活好看
yy游戏直播怎么弄
4月份是什么星座
淘宝子账户怎么登陆
论文引用文献如何标注
海信手机怎么刷机
良品生活
怎么打造爆款
奢侈生活
去柬埔寨怎么签证
猜你喜欢
湿气重的症状怎么调理
低碳生活作文
哈弗m4怎么样
ip冲突怎么解决
我的世界如何骑马
扬子地板质量怎么样
没有声音是怎么回事
cad如何添加打印机
星美生活
平方米的符号怎么打