小度生活
首页
美食营养
手工爱好
生活家居
返回
小度生活
首页
美食营养
游戏数码
手工爱好
生活家居
健康养生
运动户外
职场理财
情感交际
母婴教育
时尚美容
知识问答
生活知识
生活百科
搜索
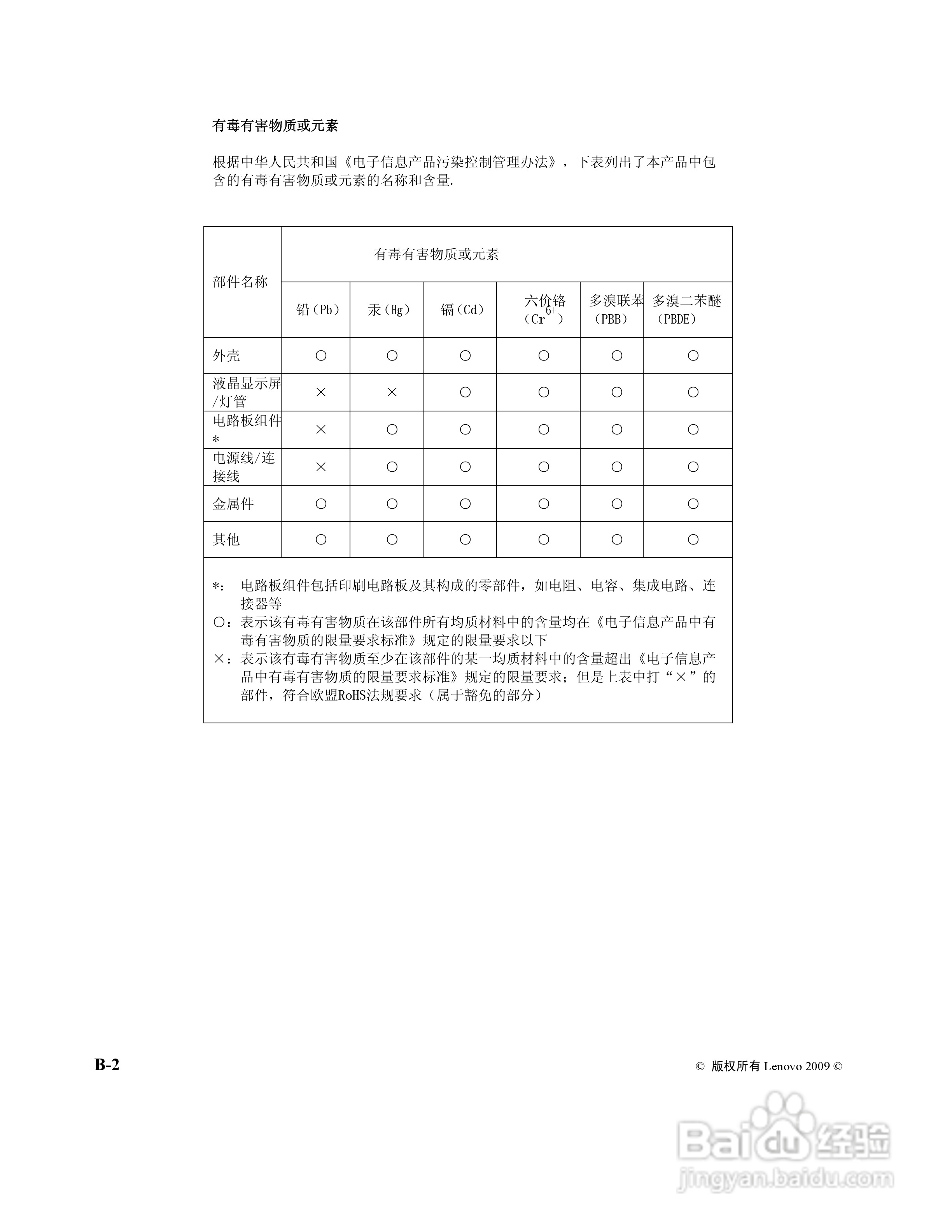
联想L1710液晶显示器使用说明书:[3]
2026-03-29 01:28:19
/>
(共篇)
上一篇:
声明:
本网站引用、摘录或转载内容仅供网站访问者交流或参考,不代表本站立场,如存在版权或非法内容,请联系站长删除,联系邮箱:site.kefu@qq.com。
相关推荐
联想L1710液晶显示器使用说明书:[1]
阅读量:113
联想电脑bios设置图解教程
阅读量:108
联想电脑如何一键恢复出厂设置
阅读量:158
联想怎么进入bios
阅读量:120
联想error1962解决步骤
阅读量:88
猜你喜欢
左旋肉碱的作用
麦芽糖的功效与作用
钙片什么时候吃最好早上还是晚上
三七花的功效和作用
运动会接力广播稿
天竺黄的功效与作用
办理房产证需要什么手续
初三政治知识点
桃仁的功效与作用
黑色上衣配什么颜色的裤子
猜你喜欢
什么香水好闻又持久
垃圾分类的知识
初一下册数学知识点
黄芪的作用与功效
学生运动鞋
葡萄糖的作用
冷凝器的作用
运动会跑步作文
是什么样的感觉我不懂
核桃仁的功效与作用