小度生活
首页
美食营养
手工爱好
生活家居
返回
小度生活
首页
美食营养
游戏数码
手工爱好
生活家居
健康养生
运动户外
职场理财
情感交际
母婴教育
时尚美容
知识问答
生活知识
生活百科
搜索
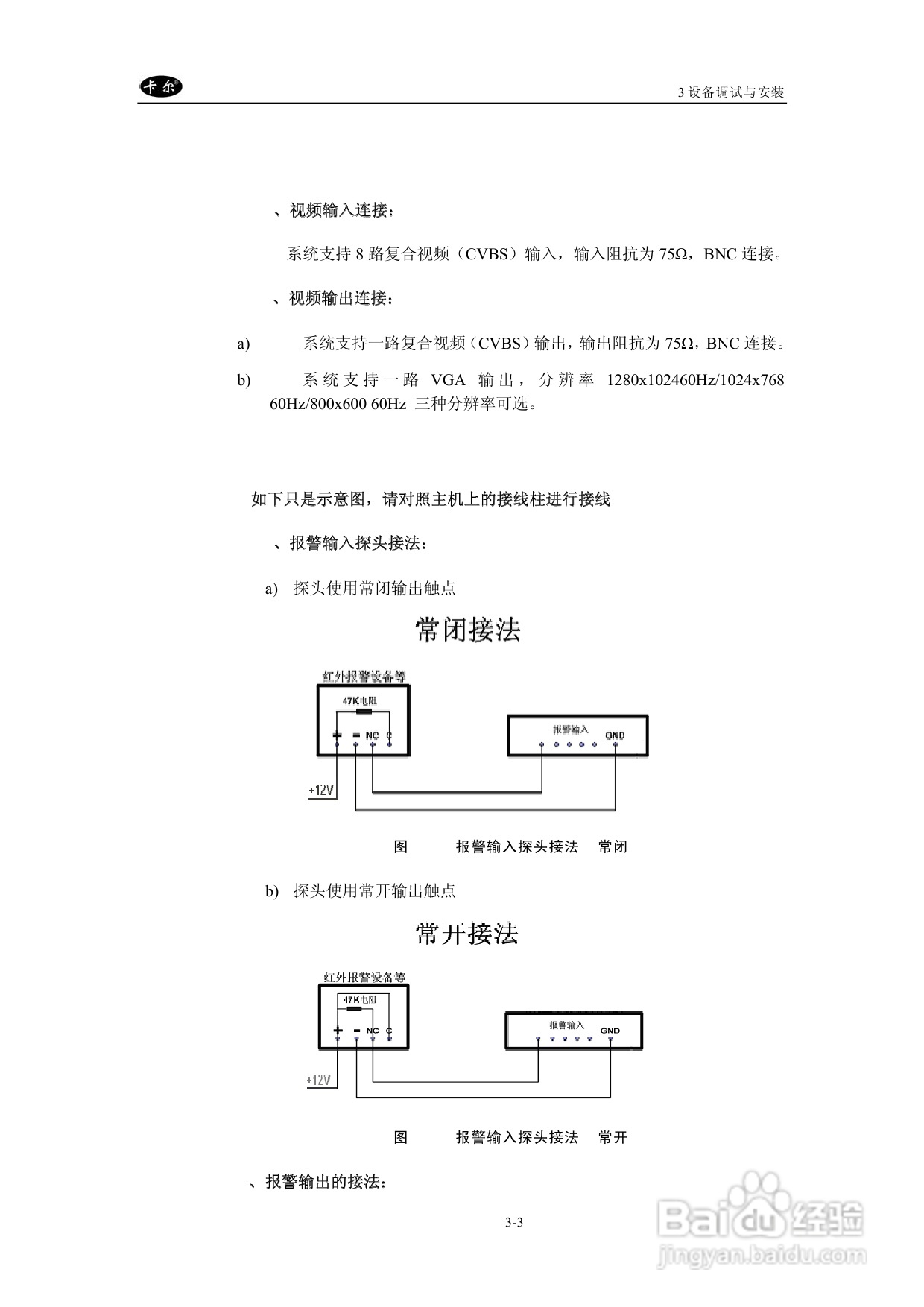
KEDVR-08数字硬盘录像机使用手册:[2]
2026-04-24 00:53:47
(共篇)
上一篇:
声明:
本网站引用、摘录或转载内容仅供网站访问者交流或参考,不代表本站立场,如存在版权或非法内容,请联系站长删除,联系邮箱:site.kefu@qq.com。
相关推荐
Panasonic数字硬盘录像机使用说明书:[5]
阅读量:83
Panasonic数字硬盘录像机使用说明书:[1]
阅读量:81
Panasonic数字硬盘录像机使用说明书:[4]
阅读量:185
KEDVR-04DCW车载数字硬盘录像机快速使用手册:[1]
阅读量:150
KEDVR-04BCW车载数字硬盘录像机快速使用手册:[1]
阅读量:57
猜你喜欢
吹泡泡的水怎么配
打印机怎么换色带
流黄鼻涕是怎么回事
二级路由器怎么设置
低烧是怎么回事
洁癖怎么办
k线图怎么看
春风150nk怎么样
退休金怎么算
嗳气怎么治疗
猜你喜欢
鼻子不透气怎么办
英文逗号怎么打
宇怎么读
机械革命怎么样
微信怎么在电脑上登录
工资申请书怎么写
tcl电视机怎么样
八马茶业怎么样
浓缩的异界精髓怎么得
word怎么打下划线