小度生活
首页
美食营养
手工爱好
生活家居
返回
小度生活
首页
美食营养
游戏数码
手工爱好
生活家居
健康养生
运动户外
职场理财
情感交际
母婴教育
时尚美容
知识问答
生活知识
搜索
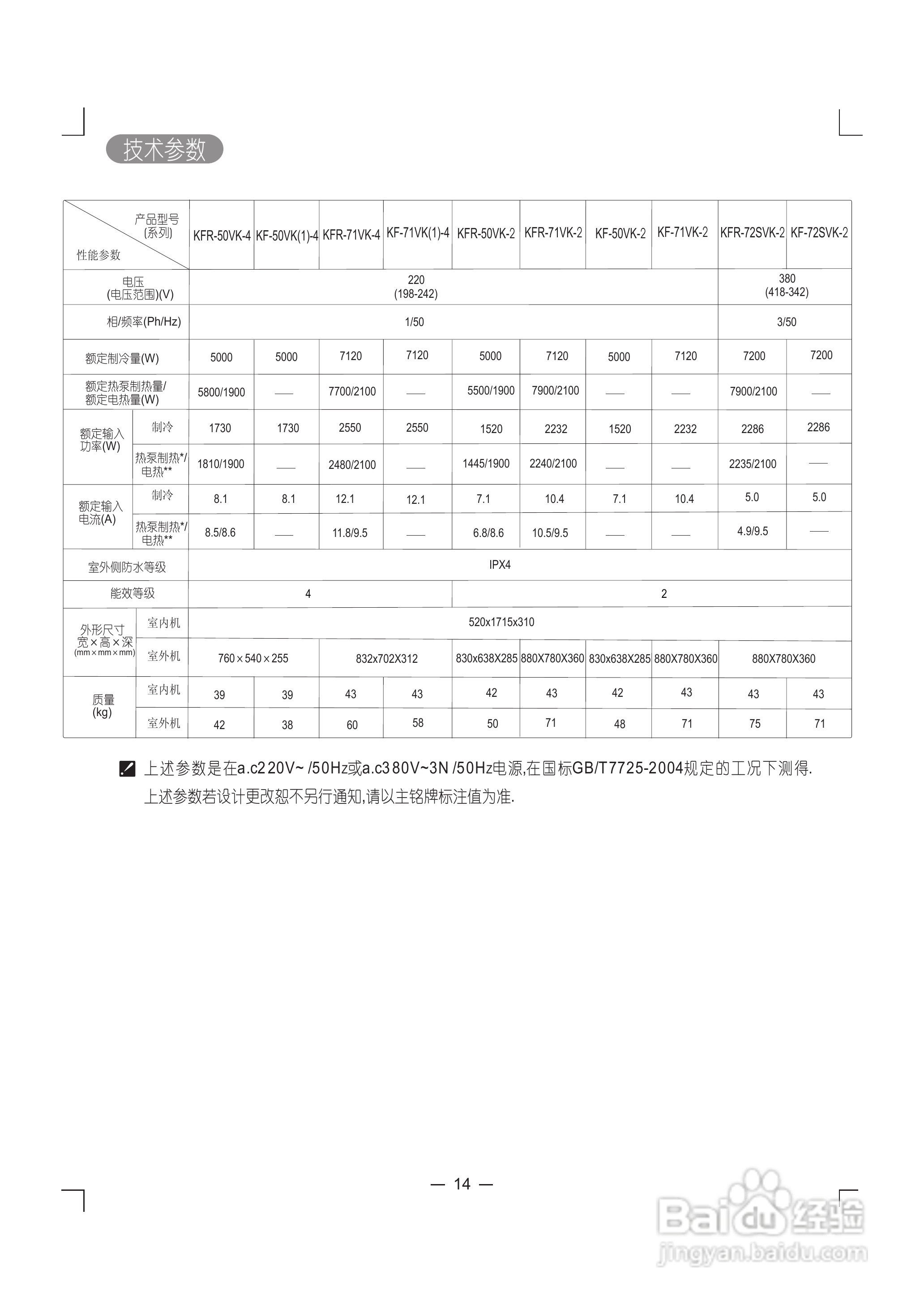
科龙KF-76VC3-E4空调使用说明书:[2]
2025-10-30 12:16:25
(共篇)
上一篇:
|
下一篇:
声明:
本网站引用、摘录或转载内容仅供网站访问者交流或参考,不代表本站立场,如存在版权或非法内容,请联系站长删除,联系邮箱:site.kefu@qq.com。
相关推荐
科龙KF-76VC3-E4空调使用说明书:[3]
阅读量:121
科龙KF-76VC3-E4空调使用说明书:[1]
阅读量:39
科龙KF-26GW/VD1-2型空调使用说明书:[3]
阅读量:62
科龙空调柜机KF-72LW/VK-N2使用安装说明书:[3]
阅读量:52
科龙空调柜机KF-72LW/VKF-N2使用安装说明书:[3]
阅读量:138
猜你喜欢
西双版纳旅游图片
启辰r50怎么样
旅游帽
吉隆坡旅游
一万块钱怎么理财
端午节旅游
浙h是哪里的车牌
昆明旅游攻略景点大全
乳腺增生怎么调理最好方法
e代驾司机收入怎么样
猜你喜欢
摄影旅游
仓鼠怎么养不容易死
电脑怎么放光碟
江苏财经职业技术学院怎么样
台湾通行证怎么办
爸爸去哪里
衣服上有霉点怎么洗掉
如何预防中暑
龙虎山在哪里
骶髂关节在哪里