小度生活
首页
美食营养
手工爱好
生活家居
返回
小度生活
首页
美食营养
游戏数码
手工爱好
生活家居
健康养生
运动户外
职场理财
情感交际
母婴教育
时尚美容
知识问答
搜索
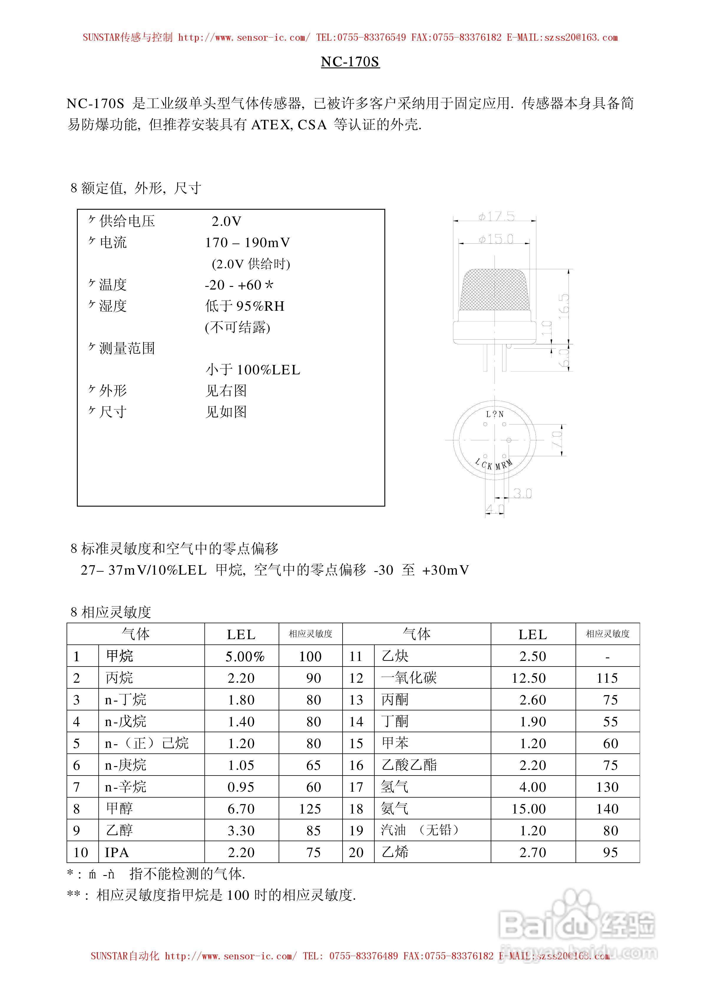
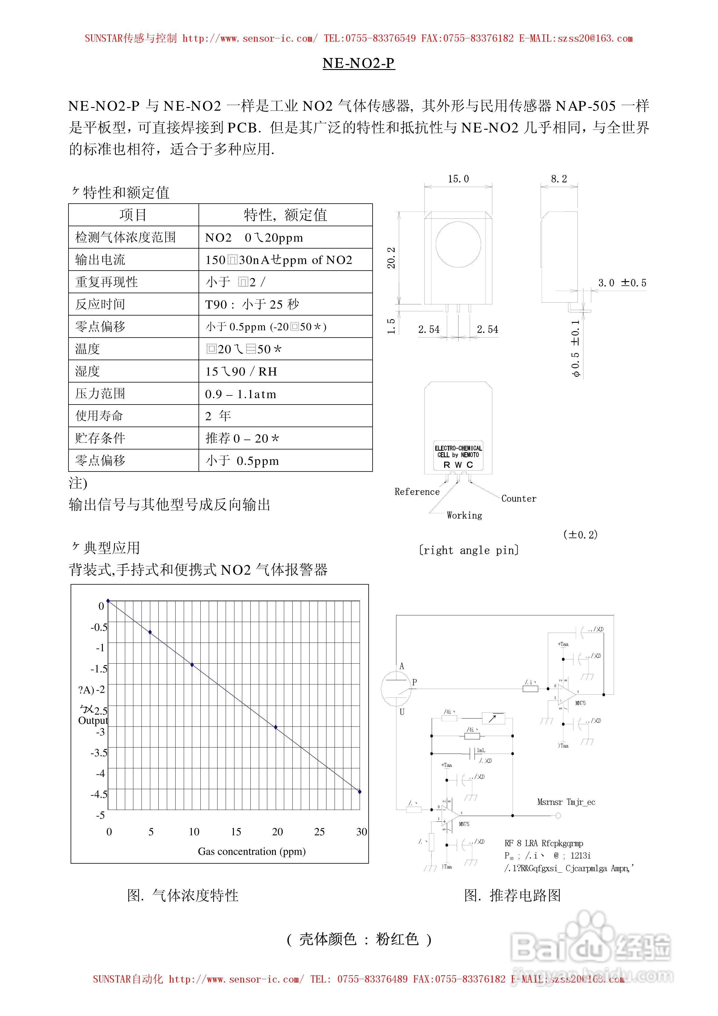
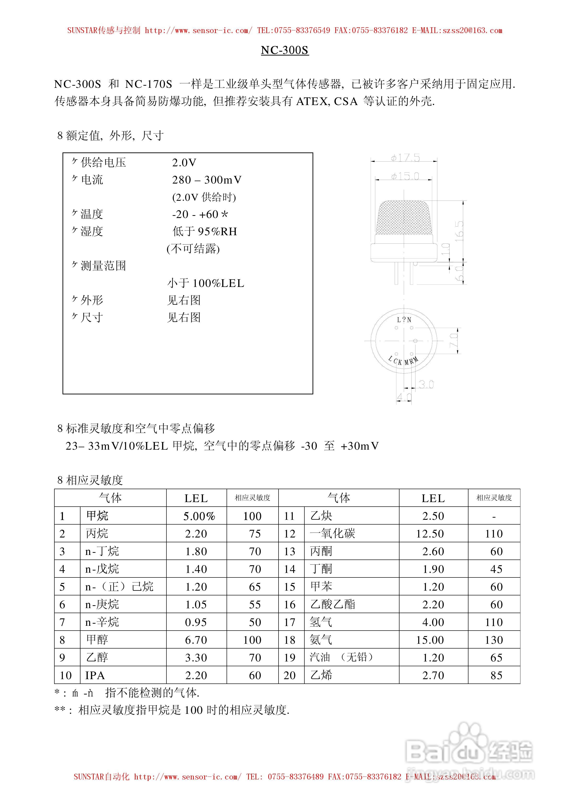
MAP-100A系列工业用可燃性气体传感器使用说明书:[5]
2025-11-19 20:40:23
本篇为《MAP-100A系列工业用可燃性气体传感器使用说明书》,主要介绍该产品的使用方法以及常见故障解决方案。
(共篇)
上一篇:
|
下一篇:
声明:
本网站引用、摘录或转载内容仅供网站访问者交流或参考,不代表本站立场,如存在版权或非法内容,请联系站长删除,联系邮箱:site.kefu@qq.com。
相关推荐
MAP-100A系列工业用可燃性气体传感器使用说明书:[9]
阅读量:34
使用说明书封面怎么做
阅读量:110
map集合的遍历方式
阅读量:159
使用说明书wf2651使用指南
阅读量:50
使用Iterator输出map,遍历map集合
阅读量:29
猜你喜欢
轮胎上的数字和字母是什么意思
精气神是什么意思
c位是什么意思
金戈铁马的意思
jpg格式是什么意思
纳闷的意思
circle是什么意思
破月是什么意思
厚此薄彼的意思
纬度是什么意思
猜你喜欢
糟粕什么意思
偏光镜什么牌子好
安逸的意思
周公之礼什么意思
morning是什么意思
上幼儿园需要什么证件
鬼使神差的意思
grape是什么意思
覆水难收是什么意思
against是什么意思