小度生活
首页
美食营养
手工爱好
生活家居
返回
小度生活
首页
美食营养
游戏数码
手工爱好
生活家居
健康养生
运动户外
职场理财
情感交际
母婴教育
时尚美容
知识问答
生活知识
搜索
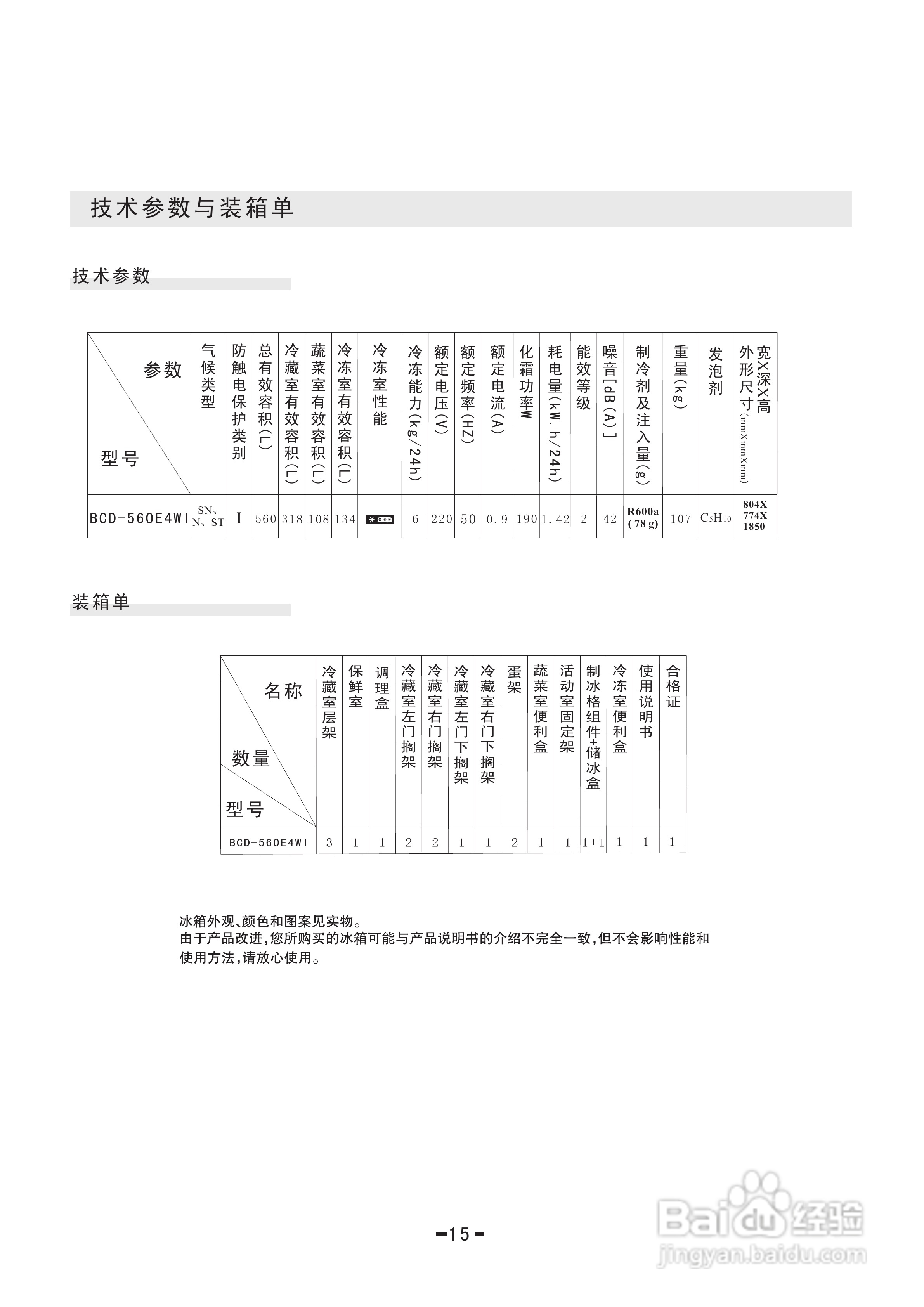
惠而浦BCD-560E4WI冰箱使用说明书:[2]
2026-02-05 15:49:55
(共篇)
上一篇:
声明:
本网站引用、摘录或转载内容仅供网站访问者交流或参考,不代表本站立场,如存在版权或非法内容,请联系站长删除,联系邮箱:site.kefu@qq.com。
相关推荐
冰箱数字1-7调哪个最冷
阅读量:99
#过年#去掉地板上的水印
阅读量:162
卤牛肉的做法
阅读量:115
前列腺钙化老是光顾我,有什么好的治疗方法
阅读量:108
北京方太油烟机清洗维修方法
阅读量:115
猜你喜欢
u盘打不开怎么办
瓦尔塔蓄电池怎么样
一个月来两次月经怎么回事
全世界都在演我怎么办
电信积分怎么来的
dnf红字怎么转换
怎么让网速变快
坐便堵了怎么疏通
阴道瘙痒怎么回事
反胃酸怎么办
猜你喜欢
气管炎怎么治
空间怎么设置访问权限
缺锌怎么补
莴苣怎么做好吃
白带有血丝怎么回事
母乳性黄疸怎么办
拔丝香蕉怎么做
ppt怎么加音乐
怎么开网站
花苞头怎么扎