小度生活
首页
美食营养
手工爱好
生活家居
返回
小度生活
首页
美食营养
游戏数码
手工爱好
生活家居
健康养生
运动户外
职场理财
情感交际
母婴教育
时尚美容
知识问答
生活知识
生活百科
搜索
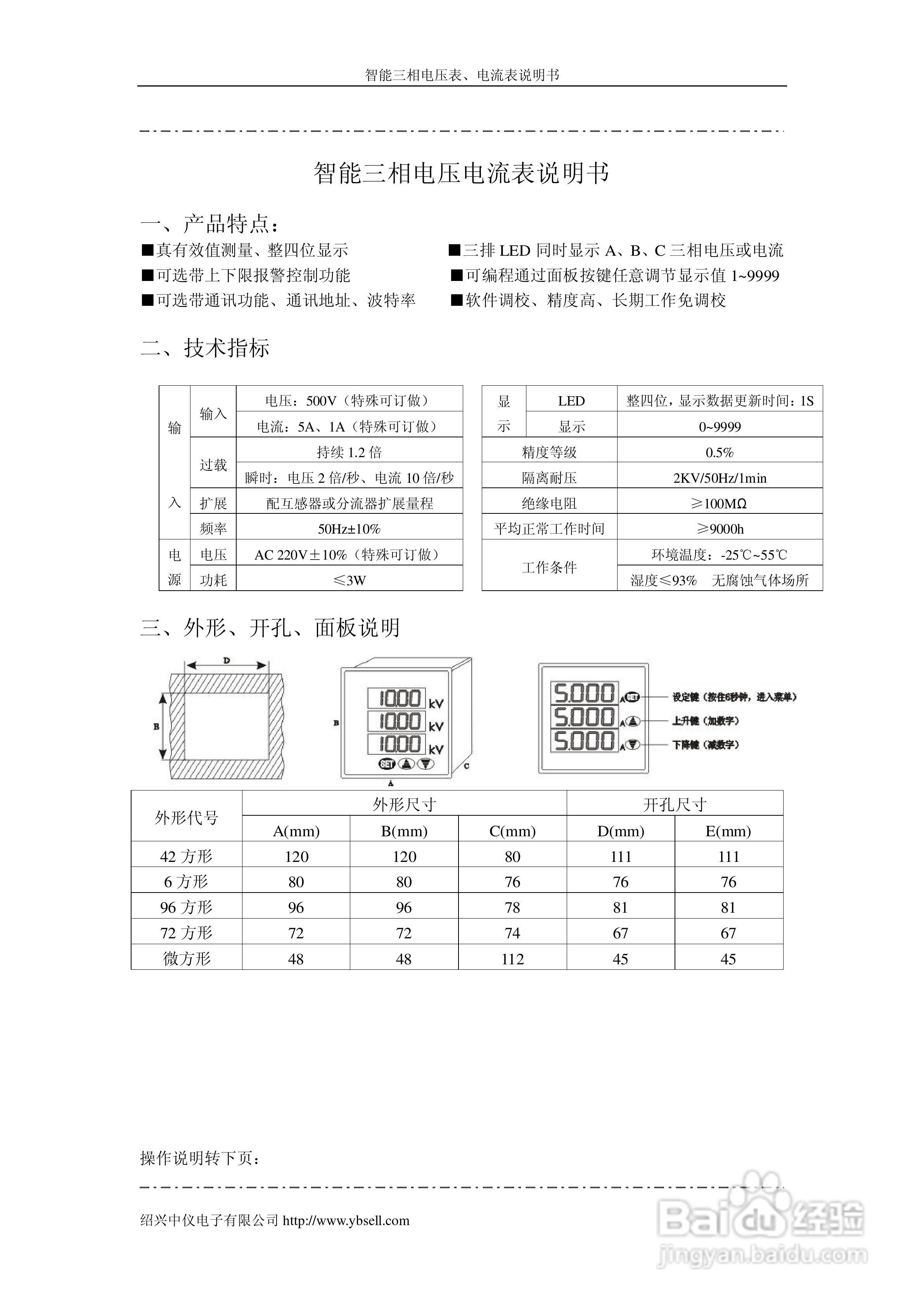
ZYC智能三相电流电压表使用说明书
2026-05-11 07:01:29
声明:
本网站引用、摘录或转载内容仅供网站访问者交流或参考,不代表本站立场,如存在版权或非法内容,请联系站长删除,联系邮箱:site.kefu@qq.com。
相关推荐
新手学开车系列图文教程,详细实用1
阅读量:78
ZBZ2-4.0/1140(660)M矿用隔爆型照明信号综合保护装置:[1]
阅读量:145
如何分析应对空调不启动问题
阅读量:109
英菲克i8八核怎么进入工程模式
阅读量:20
AOR2000数字式智能软起动器用户手册:[2]
阅读量:101
猜你喜欢
怎么关注微信公众号
胶水怎么洗
鼻子干怎么办
怎么隐藏qq
拉屎拉出血怎么办
网络老是掉线怎么回事
晚上尿多怎么回事
樱花国际日语怎么样
微信怎么转发
怎么样做蛋糕
猜你喜欢
怎么打乒乓球
汉密尔顿手表怎么样
cad倒角怎么标注
青岛黄海学院怎么样
兰州交通大学怎么样
喉咙痛咳嗽怎么办
怎么做照片
三诺血糖仪怎么样
怎么折戒指
电子邮箱格式怎么注册