小度生活
首页
美食营养
手工爱好
生活家居
返回
小度生活
首页
美食营养
游戏数码
手工爱好
生活家居
健康养生
运动户外
职场理财
情感交际
母婴教育
时尚美容
知识问答
生活知识
搜索
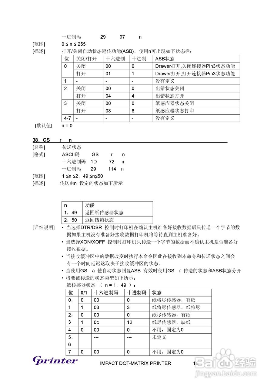
Gprinter撞击点阵式打印机GP-7635K说明书:[2]
2026-02-07 00:13:29
本篇为《Gprinter撞击点阵式打印机GP-7635K说明书》,主要介绍该产品的使用方法以及常见故障解决方案。
(共篇)
上一篇:
声明:
本网站引用、摘录或转载内容仅供网站访问者交流或参考,不代表本站立场,如存在版权或非法内容,请联系站长删除,联系邮箱:site.kefu@qq.com。
相关推荐
爱普生WF-3011打印机说明书:[6]
阅读量:174
fr3文件怎么打开
阅读量:156
Bartender设置序列化自增的方法和步骤
阅读量:20
HP MFP M477机器颜色校准方法&设置网络IP
阅读量:138
爱普生WF-C869Ra墨仓式打印机驱动下载安装
阅读量:42
猜你喜欢
如何制作图片
莫高窟在哪里
光猫怎么连接路由器
皮肤松弛怎么保养
dmg文件怎么打开
湖南周边旅游景点大全
高云翔怎么了
麦冬泡水喝的五大禁忌
搜索引擎怎么优化
手机黑屏怎么刷机
猜你喜欢
yy马甲怎么改
衣服缩水怎么恢复
信用卡怎么开通网银
如何赚钱最快
怎么去黑头小窍门
平顶山学院怎么样
刚刚哪里地震了
如何备课
如何查询社保卡余额
蚂蚁花呗怎么提高额度