小度生活
首页
美食营养
手工爱好
生活家居
返回
小度生活
首页
美食营养
游戏数码
手工爱好
生活家居
健康养生
运动户外
职场理财
情感交际
母婴教育
时尚美容
知识问答
生活知识
生活百科
搜索
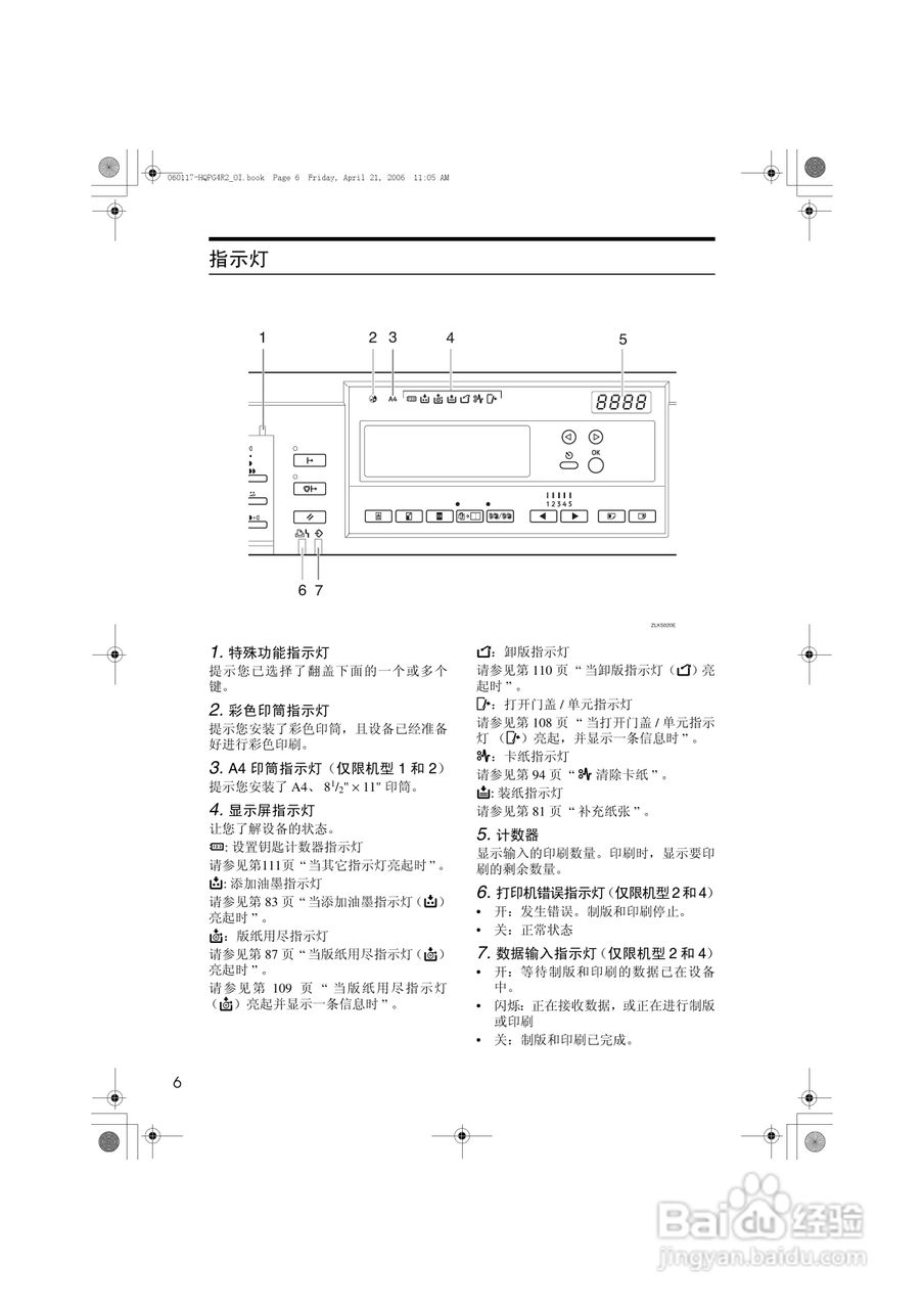
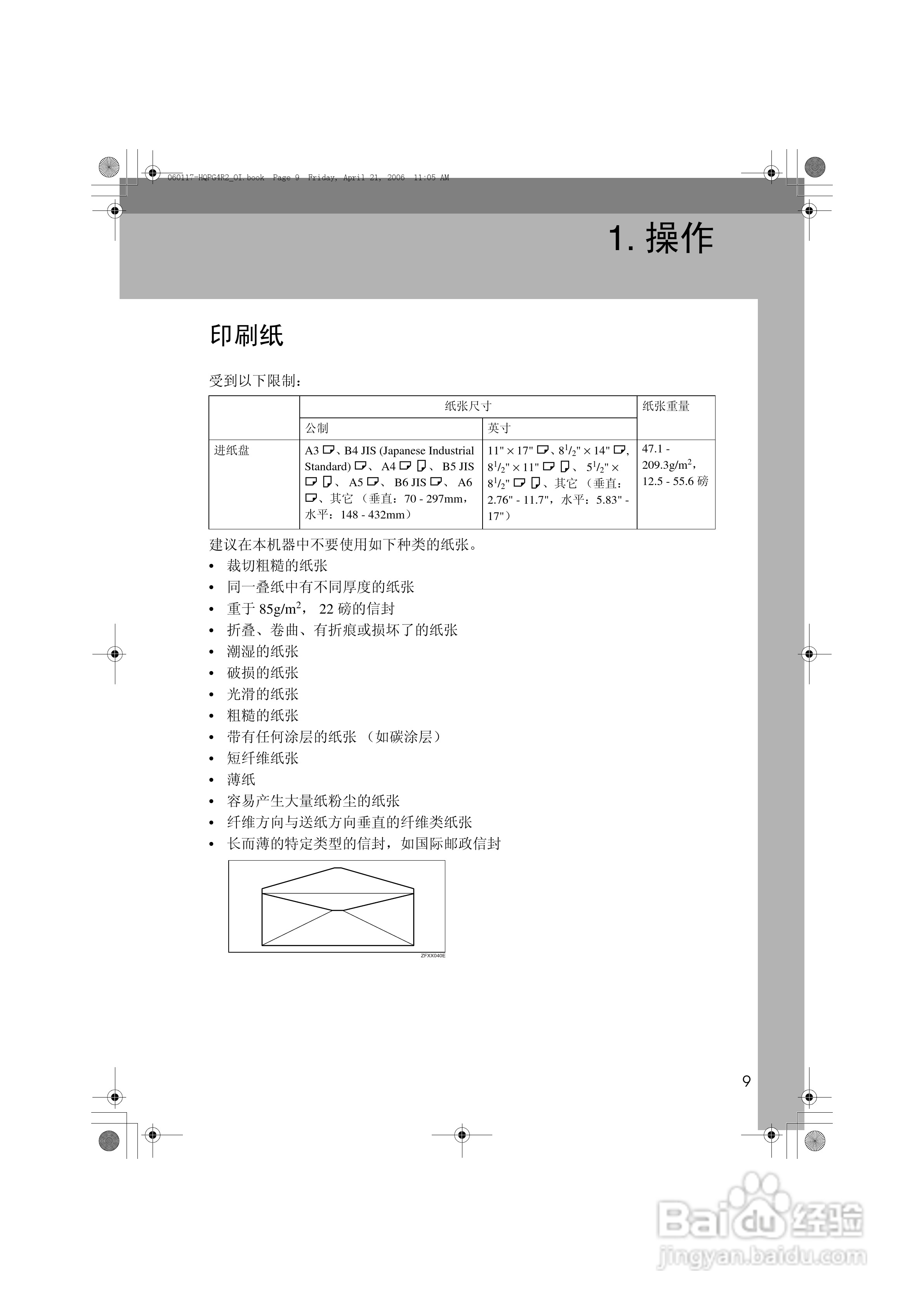
基士得耶CP6401P一体机使用说明书:[3]
2026-04-14 03:59:13
本篇为《基士得耶CP6401P一体机使用说明书》,主要介绍该产品的使用方法以及常见故障解决方案。
(共篇)
上一篇:
|
下一篇:
声明:
本网站引用、摘录或转载内容仅供网站访问者交流或参考,不代表本站立场,如存在版权或非法内容,请联系站长删除,联系邮箱:site.kefu@qq.com。
相关推荐
基士得耶CP6401P一体机使用说明书:[13]
阅读量:181
基士得耶CP6401P一体机使用说明书:[15]
阅读量:120
使用说明书封面怎么做
阅读量:191
使用说明书wf2651使用指南
阅读量:131
基士得耶CP6401P一体机使用说明书:[12]
阅读量:113
猜你喜欢
轩字五行属什么
百合花代表什么意思
others是什么意思
知足常乐什么意思
我国的四大发明是什么
梦见牙齿掉了是什么意思
越位是什么意思
什么是低碳生活
核销是什么意思
take是什么意思
猜你喜欢
信仰是什么
蹦沙卡拉卡是什么歌
卒是什么意思
11月15日是什么星座
道不同不相为谋什么意思
什么样的红点是艾滋病
him是什么意思
cda是什么
以德报怨是什么意思
安逸是什么意思