小度生活
首页
美食营养
手工爱好
生活家居
返回
小度生活
首页
美食营养
游戏数码
手工爱好
生活家居
健康养生
运动户外
职场理财
情感交际
母婴教育
时尚美容
知识问答
生活知识
搜索
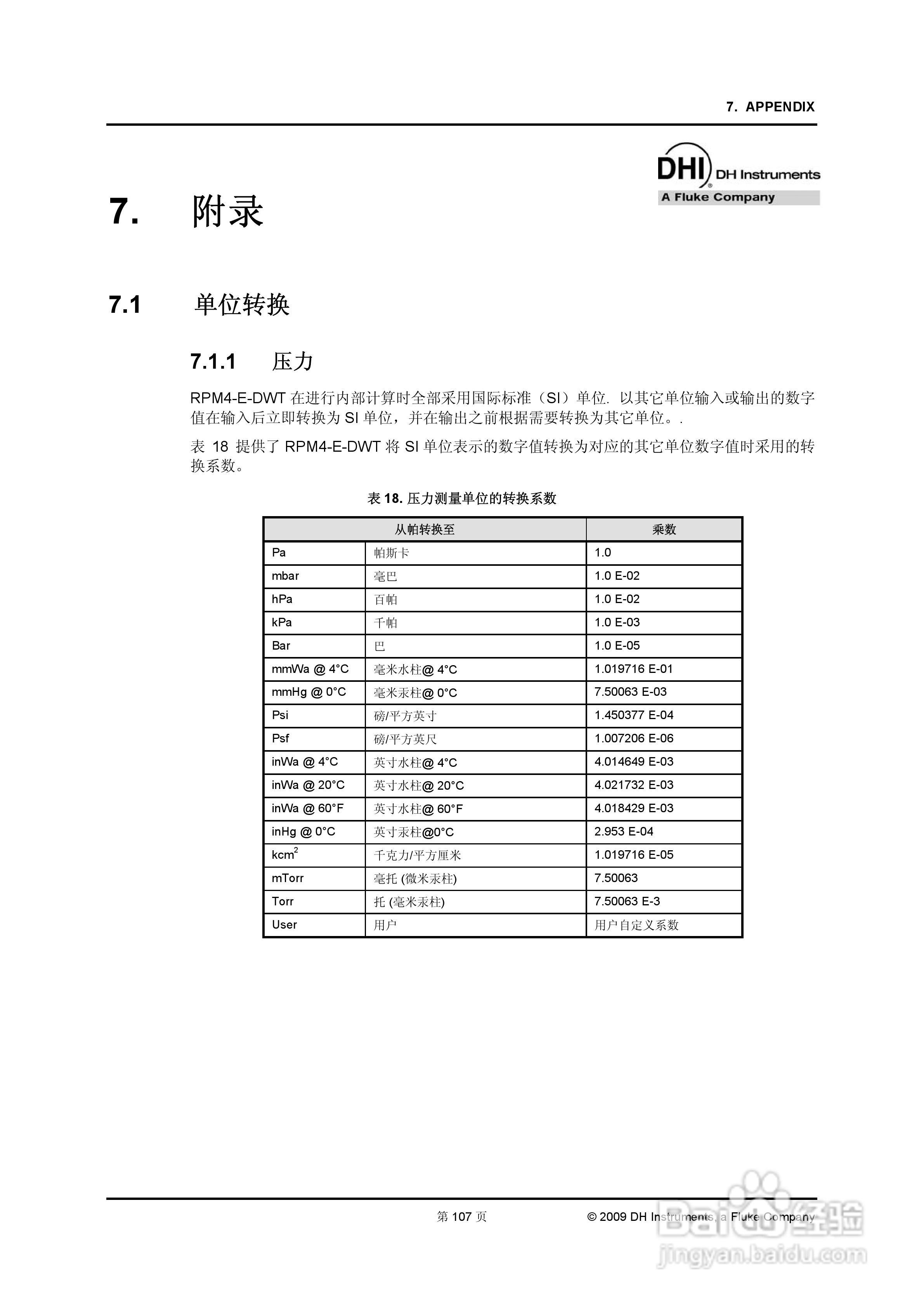
E-DWT-H数字式压力校准器操作和维护手册:[12]
2025-11-03 17:33:28
本篇为《E-DWT-H数字式压力校准器操作和维护手册》,主要介绍该产品的使用方法以及常见故障解决方案。
(共篇)
上一篇:
|
下一篇:
声明:
本网站引用、摘录或转载内容仅供网站访问者交流或参考,不代表本站立场,如存在版权或非法内容,请联系站长删除,联系邮箱:site.kefu@qq.com。
相关推荐
E-DWT-H数字式压力校准器操作和维护手册:[13]
阅读量:151
notepad++的使用技巧,语言切换,编写dwt文件
阅读量:103
AutoCAD如何定制模板(DWT格式)
阅读量:172
dwt文件如何变html
阅读量:186
Dreamweaver怎样创建index.dwt模板
阅读量:97
猜你喜欢
abc卫生巾怎么样
鼻子上长脓包型痘痘怎么办
泰拉瑞亚捕虫网怎么做
唱歌怎么换气
万年青怎么养
雌二醇低怎么办
银行卡掉了怎么查卡号
左边头疼是怎么回事
怎么做布丁
怎么做鱼
猜你喜欢
意大利面怎么做好吃
qq邮件怎么发
怎么录制视频
预计净残值怎么算
怎么修改图片尺寸
dnf公会副本怎么进
我怎么这么有钱小说免费阅读
正当防卫4怎么设置中文
开红酒没有开瓶器怎么办
怎么写好作文