小度生活
首页
美食营养
手工爱好
生活家居
返回
小度生活
首页
美食营养
游戏数码
手工爱好
生活家居
健康养生
运动户外
职场理财
情感交际
母婴教育
时尚美容
知识问答
生活知识
生活百科
搜索
富士通DPK8400E+平推式打印机使用说明书:[7]
2026-05-21 09:00:00
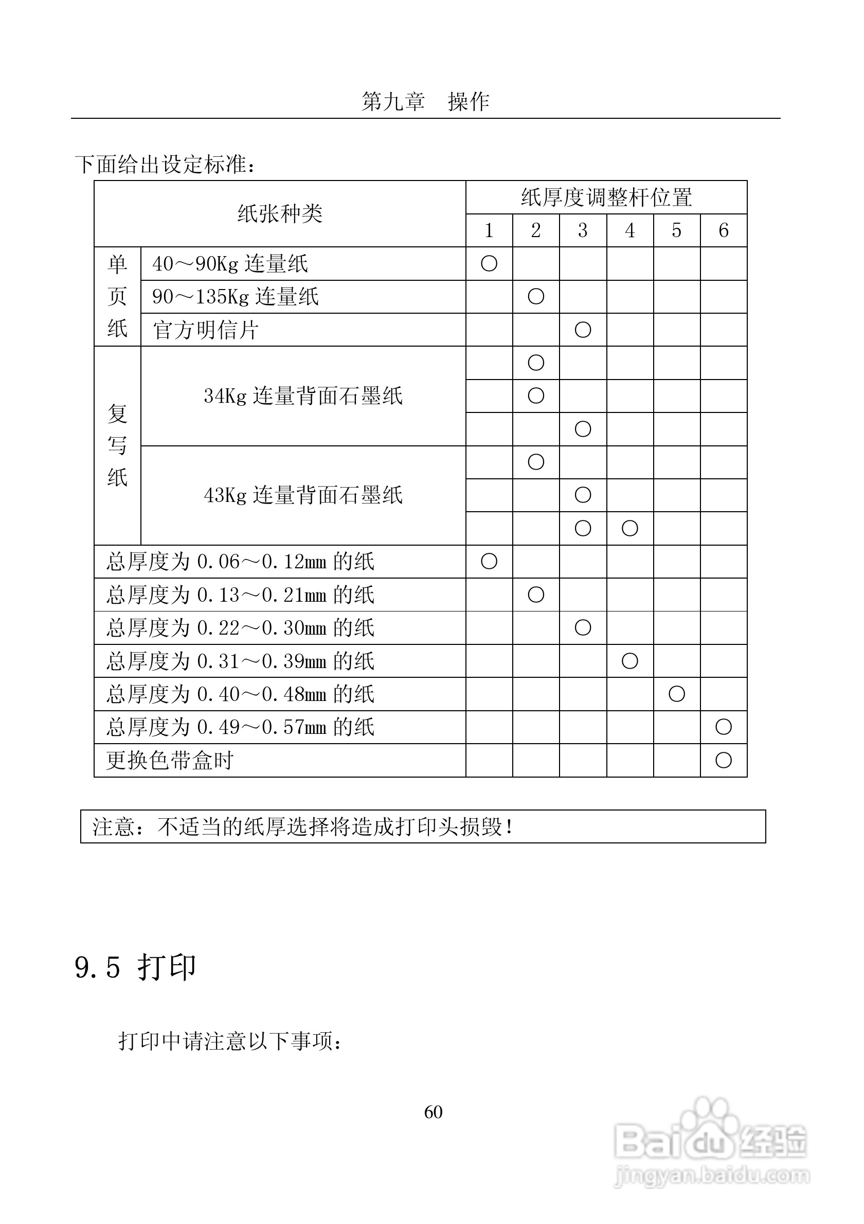
本篇为《富士通DPK8400E+平推式打印机使用说明书》,主要介绍该产品的使用方法以及常见故障解决方案。
(共篇)
上一篇:
|
下一篇:
声明:
本网站引用、摘录或转载内容仅供网站访问者交流或参考,不代表本站立场,如存在版权或非法内容,请联系站长删除,联系邮箱:site.kefu@qq.com。
相关推荐
富士通DPK8400E+平推式打印机使用说明书:[1]
阅读量:44
富士通DPK8400E+平推式打印机使用说明书:[4]
阅读量:134
给富士通dpk750打印机原装色带盒换色带技巧
阅读量:104
打印机驱动程序如何安装
阅读量:98
打印机连不上电脑怎么办
阅读量:183
猜你喜欢
宝宝补锌什么牌子好
giao是什么意思
nature是什么意思
酒酿是什么
轩是什么意思
霉菌性阴炎的症状用什么药效果好
梦遗是什么
什么风残月
嵌固部位是什么意思
准贷记卡是什么意思
猜你喜欢
remember什么意思
月经推迟是什么原因
道路红线是什么意思
胸有成竹是什么意思
什么是全球化
卧薪尝胆是什么意思
权责发生制是什么意思
again是什么意思
肺大泡是什么病
麦卡锡主义是什么意思