小度生活
首页
美食营养
手工爱好
生活家居
返回
小度生活
首页
美食营养
游戏数码
手工爱好
生活家居
健康养生
运动户外
职场理财
情感交际
母婴教育
时尚美容
知识问答
生活知识
搜索
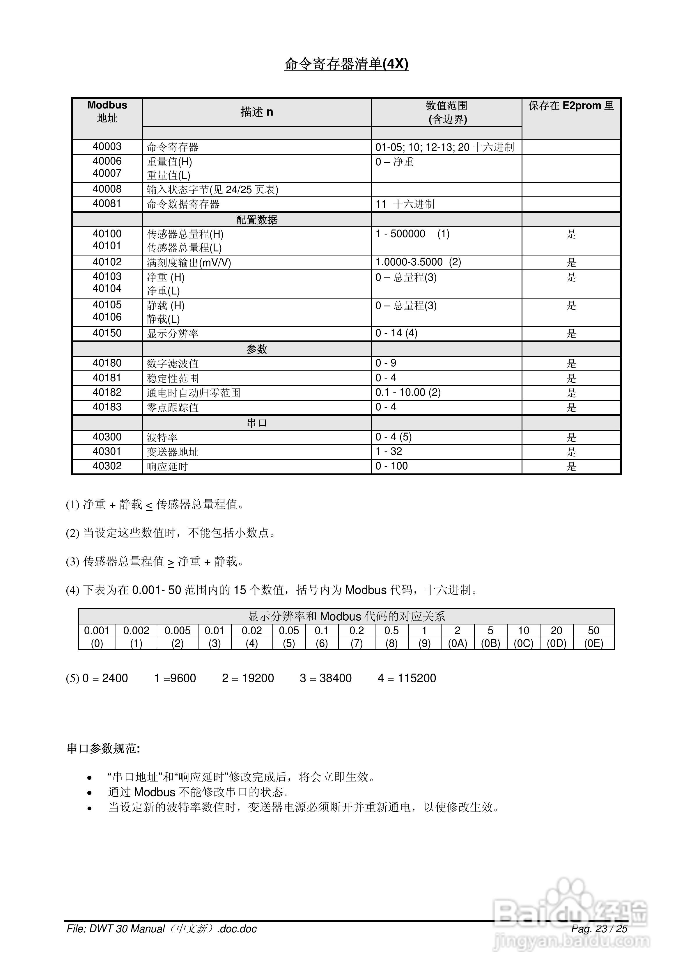
DWT30数字式称重变送器说明书:[3]
2026-02-16 11:30:37
本篇为《DWT30数字式称重变送器说明书》,主要介绍该产品的使用方法以及常见故障解决方案。
(共篇)
上一篇:
声明:
本网站引用、摘录或转载内容仅供网站访问者交流或参考,不代表本站立场,如存在版权或非法内容,请联系站长删除,联系邮箱:site.kefu@qq.com。
相关推荐
爱尔兰留学申请基本要求
阅读量:57
冬天怎样防止静电?
阅读量:27
5KPlayer如何更换DLNA使用的IP
阅读量:147
索尼D-FJ405播放机使用说明书:[2]
阅读量:56
怎样开奶茶加盟店
阅读量:127
猜你喜欢
虾酱怎么做
怎么看自己电脑的配置
反义词大全
扇贝怎么洗
剑圣怎么玩
谢谢英文怎么写
小黄鱼怎么做好吃
读书方法有哪些
现代诗歌大全100首
七叶莲的养殖方法
猜你喜欢
大连艺术学院怎么样
鸡蛋炒什么菜好吃
洛克王国宠物大全
发糕的做法松软又好吃
包粽子的方法
我的世界木门怎么做
杜鹃花的养殖方法和注意事项
急性乳腺炎的治疗方法
怎么给别人发邮件
家常豆腐做法