小度生活
首页
美食营养
手工爱好
生活家居
返回
小度生活
首页
美食营养
游戏数码
手工爱好
生活家居
健康养生
运动户外
职场理财
情感交际
母婴教育
时尚美容
知识问答
生活知识
生活百科
搜索
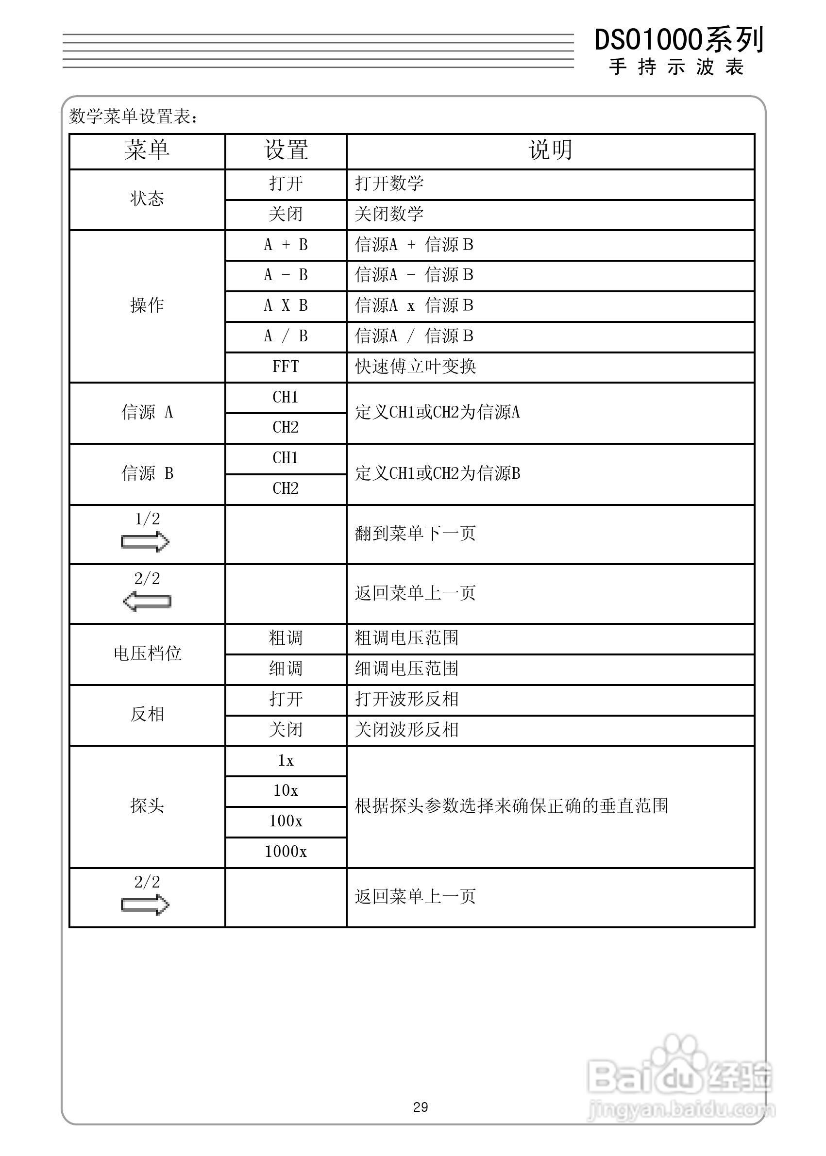
DSO1200手持示波表/数字存储示波器/万用表使用说明书:[4]
2026-05-27 05:48:56
本篇为《DSO1200手持示波表/数字存储示波器/万用表使用说明书》,主要介绍该产品的使用方法以及常见故障解决方案。
(共篇)
上一篇:
|
下一篇:
声明:
本网站引用、摘录或转载内容仅供网站访问者交流或参考,不代表本站立场,如存在版权或非法内容,请联系站长删除,联系邮箱:site.kefu@qq.com。
相关推荐
DSO1200手持示波表/数字存储示波器/万用表使用说明书:[11]
阅读量:175
DSO1050型手持示波表/数字存储示波器/万用表使用说明:[4]
阅读量:70
DSO1060手持示波表/数字存储示波器/万用表:[4]
阅读量:97
DSO1060手持示波表/数字存储示波器/万用表:[1]
阅读量:193
DSO1060手持示波表/数字存储示波器/万用表:[2]
阅读量:107
猜你喜欢
南京财经大学怎么样
韧带拉伤怎么恢复
我的世界打不开怎么办
晴天娃娃怎么做
大自然木门怎么样
邮箱怎么登陆
小孩子发烧怎么办
用眼过度怎么缓解
怎么用手指吹口哨
怎么收藏淘宝店铺
猜你喜欢
怎么看自己电脑型号
雷诺手表怎么样
word怎么调整行距
怎么改变图片格式
鸟瞰图怎么画
说话结巴怎么办
怎么说课
手脚冰凉怎么调理
胸闷胸痛是怎么回事
closet怎么读