小度生活
首页
美食营养
手工爱好
生活家居
返回
小度生活
首页
美食营养
游戏数码
手工爱好
生活家居
健康养生
运动户外
职场理财
情感交际
母婴教育
时尚美容
知识问答
生活知识
搜索
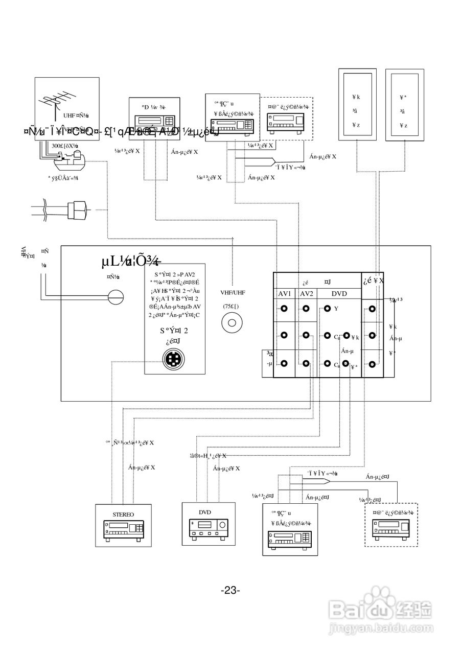
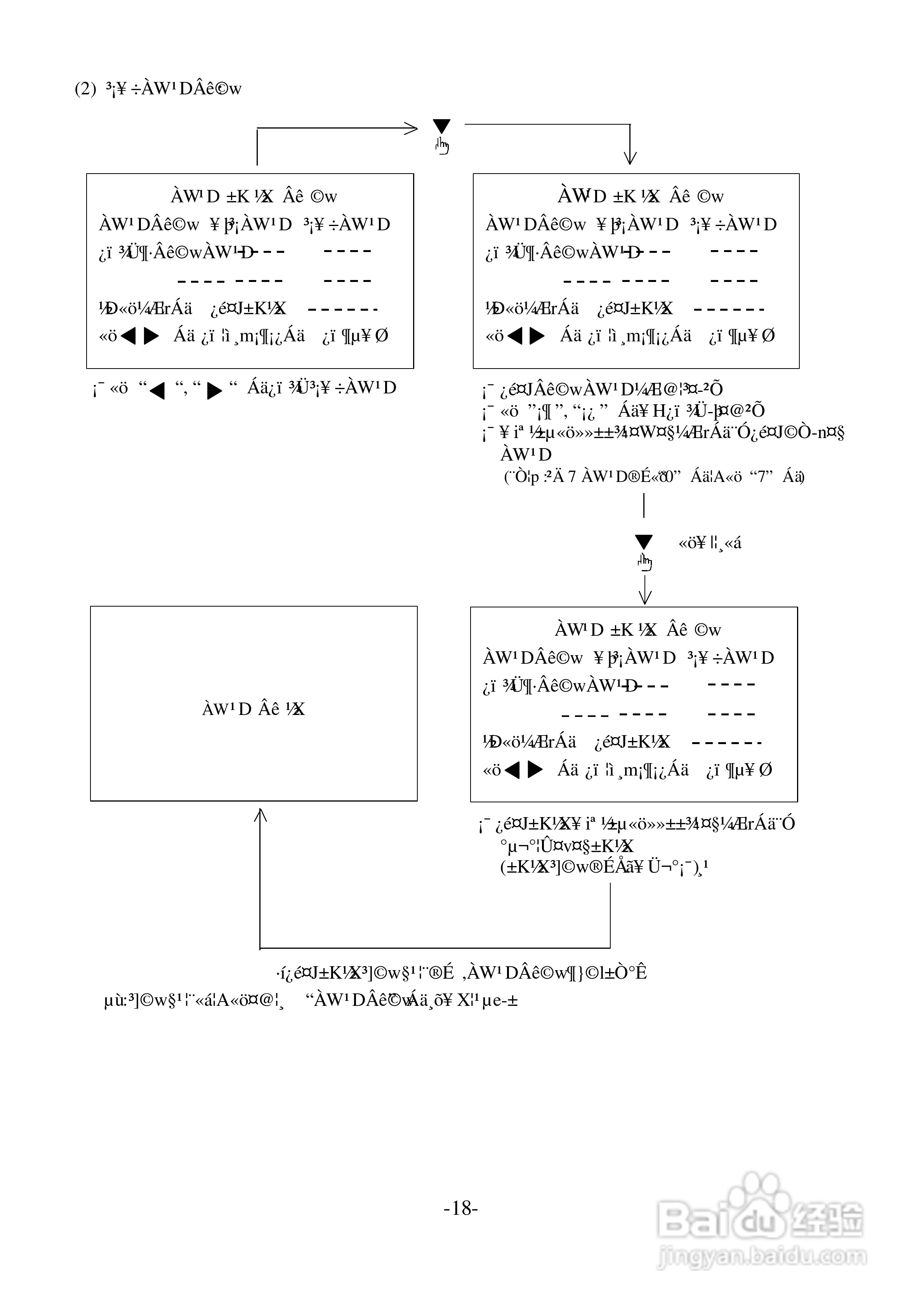
声宝SC-29FD1型电视机说明书:[3]
2025-10-21 06:57:08
/>
(共篇)
上一篇:
|
下一篇:
声明:
本网站引用、摘录或转载内容仅供网站访问者交流或参考,不代表本站立场,如存在版权或非法内容,请联系站长删除,联系邮箱:site.kefu@qq.com。
相关推荐
声宝SC-29FAS型电视机说明书:[3]
阅读量:143
声宝SC-29PH28型电视机说明书:[3]
阅读量:112
声宝SC-29FAS型电视机说明书:[2]
阅读量:59
声宝SC-29PH28型电视机说明书:[2]
阅读量:190
声宝SC-29PH28型电视机说明书:[4]
阅读量:120
猜你喜欢
我的世界附魔台怎么做
为什么不能克隆人
豆腐做法大全家常
怎么进入路由器设置界面
蔻怎么读
hurt怎么读
电脑怎么截图快捷键
耐克森轮胎怎么样
路由器怎么改密码
怎么办
猜你喜欢
诺贝尔奖为什么没有数学奖
奢侈怎么读
电脑为什么开不了机
西瓜用英语怎么说
东南西北怎么折
复印机怎么用
虎皮青椒的家常做法
螺蛳粉为什么臭
海子为什么自杀
鹅肉怎么做好吃