小度生活
首页
美食营养
手工爱好
生活家居
返回
小度生活
首页
美食营养
游戏数码
手工爱好
生活家居
健康养生
运动户外
职场理财
情感交际
母婴教育
时尚美容
知识问答
生活知识
生活百科
搜索
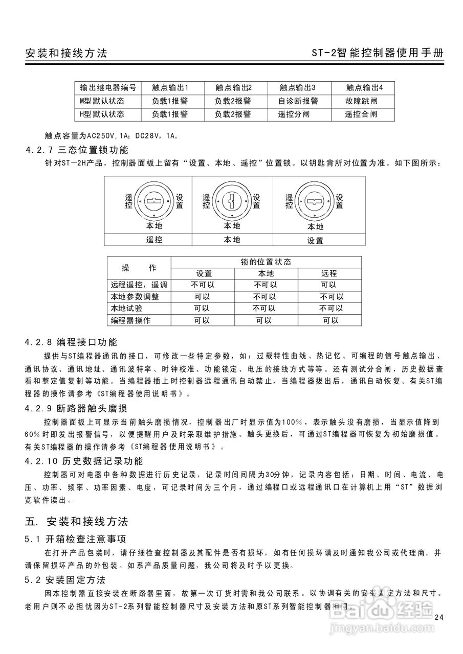
ST-2(M、H)智能控制器使用说明书:[3]
2026-03-27 08:12:33
本篇为《ST-2(M、H)智能控制器使用说明书》,主要介绍该产品的使用方法以及常见故障解决方案。
(共篇)
上一篇:
|
下一篇:
声明:
本网站引用、摘录或转载内容仅供网站访问者交流或参考,不代表本站立场,如存在版权或非法内容,请联系站长删除,联系邮箱:site.kefu@qq.com。
相关推荐
充气帐篷如何搭建
阅读量:61
如何让连尚读书实现“上滑退出阅读”效果
阅读量:139
TC9000-LC2全自动张力控制器使用说明书:[3]
阅读量:177
创意云虚拟工作室使用FTP出现中文乱码解决方案
阅读量:23
国内期货PVC价格在哪里查询
阅读量:94
猜你喜欢
电脑显示器亮度怎么调
文档页码怎么设置
怎么更新qq
五笔怎么学
怎么锻炼记忆力
个人怎么做微信小程序
感冒流鼻涕怎么办
脸上长脂肪粒怎么办
解说词怎么写
第一学历怎么填
猜你喜欢
麦本本笔记本怎么样
极品飞车怎么漂移
电脑怎么录像
ikea怎么读
韩语怎么学
赛轮轮胎怎么样
入队申请书怎么写
广发信用卡怎么样
骨转移怎么治疗
四级准考证忘了怎么办