小度生活
首页
美食营养
手工爱好
生活家居
返回
小度生活
首页
美食营养
游戏数码
手工爱好
生活家居
健康养生
运动户外
职场理财
情感交际
母婴教育
时尚美容
知识问答
生活知识
搜索
HF-01型电除尘器高频电源使用说明书:[4]
2026-02-28 10:00:37
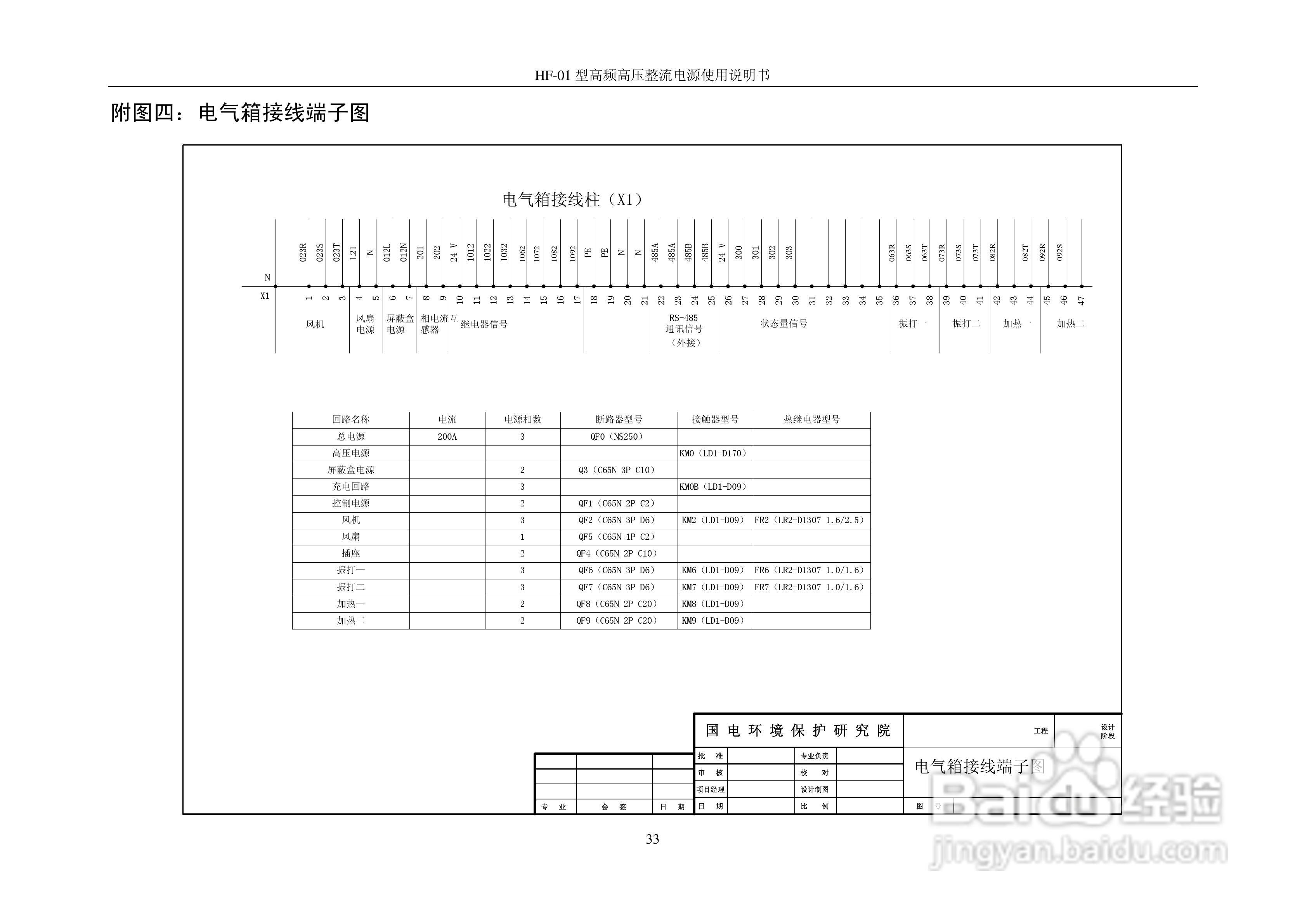
本篇为《HF-01型电除尘器高频电源使用说明书》,主要介绍该产品的使用方法以及常见故障解决方案。
(共篇)
上一篇:
|
下一篇:
声明:
本网站引用、摘录或转载内容仅供网站访问者交流或参考,不代表本站立场,如存在版权或非法内容,请联系站长删除,联系邮箱:site.kefu@qq.com。
相关推荐
DLT461-2004燃煤电厂电除尘器运行维护手册:[1]
阅读量:196
DLT461-2004燃煤电厂电除尘器运行维护手册:[2]
阅读量:86
DLT514-1993燃煤电厂电除尘器说明书:[1]
阅读量:151
除尘器的常识
阅读量:63
电除尘器阳极板的选择基本要求
阅读量:161
猜你喜欢
贴吧如何发帖
公司放假通知怎么写
久违是什么意思
头发静电怎么办
义无反顾是什么意思
你怎么舍得我难过伴奏
如何改ip
如何瘦小腿肚子
鼻子有点歪怎么办
外贸开发信怎么写
猜你喜欢
白名单是什么意思
犯太岁如何化解
怎么做微商赚钱
在家怎么能赚钱
星月菩提怎么看密度
头屑是怎么产生的
腰疼是什么原因引起的
怎么用ps做表格
浙江师范大学行知学院怎么样
大姨妈推迟是什么原因