小度生活
首页
美食营养
手工爱好
生活家居
返回
小度生活
首页
美食营养
游戏数码
手工爱好
生活家居
健康养生
运动户外
职场理财
情感交际
母婴教育
时尚美容
知识问答
生活知识
生活百科
搜索
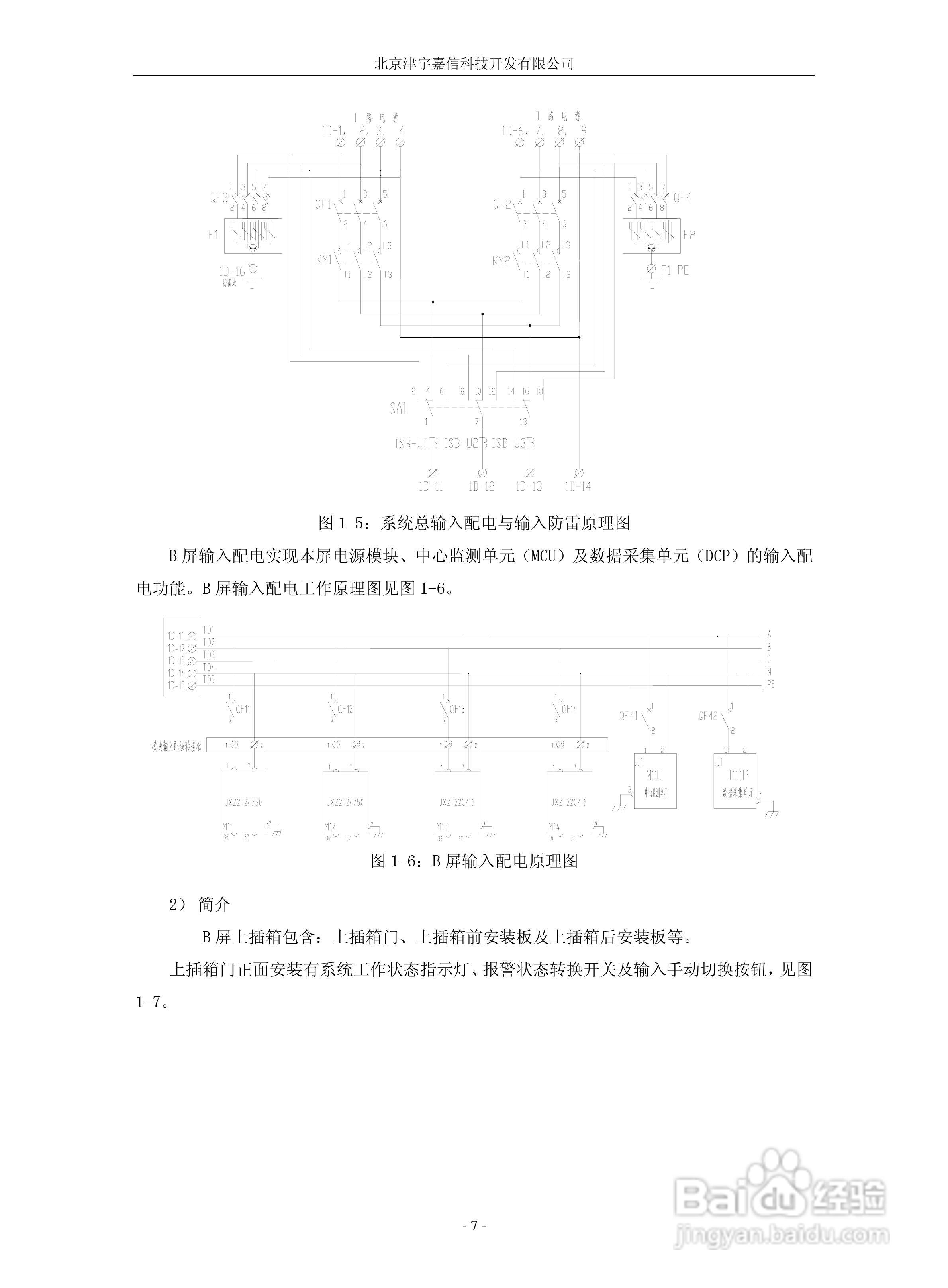
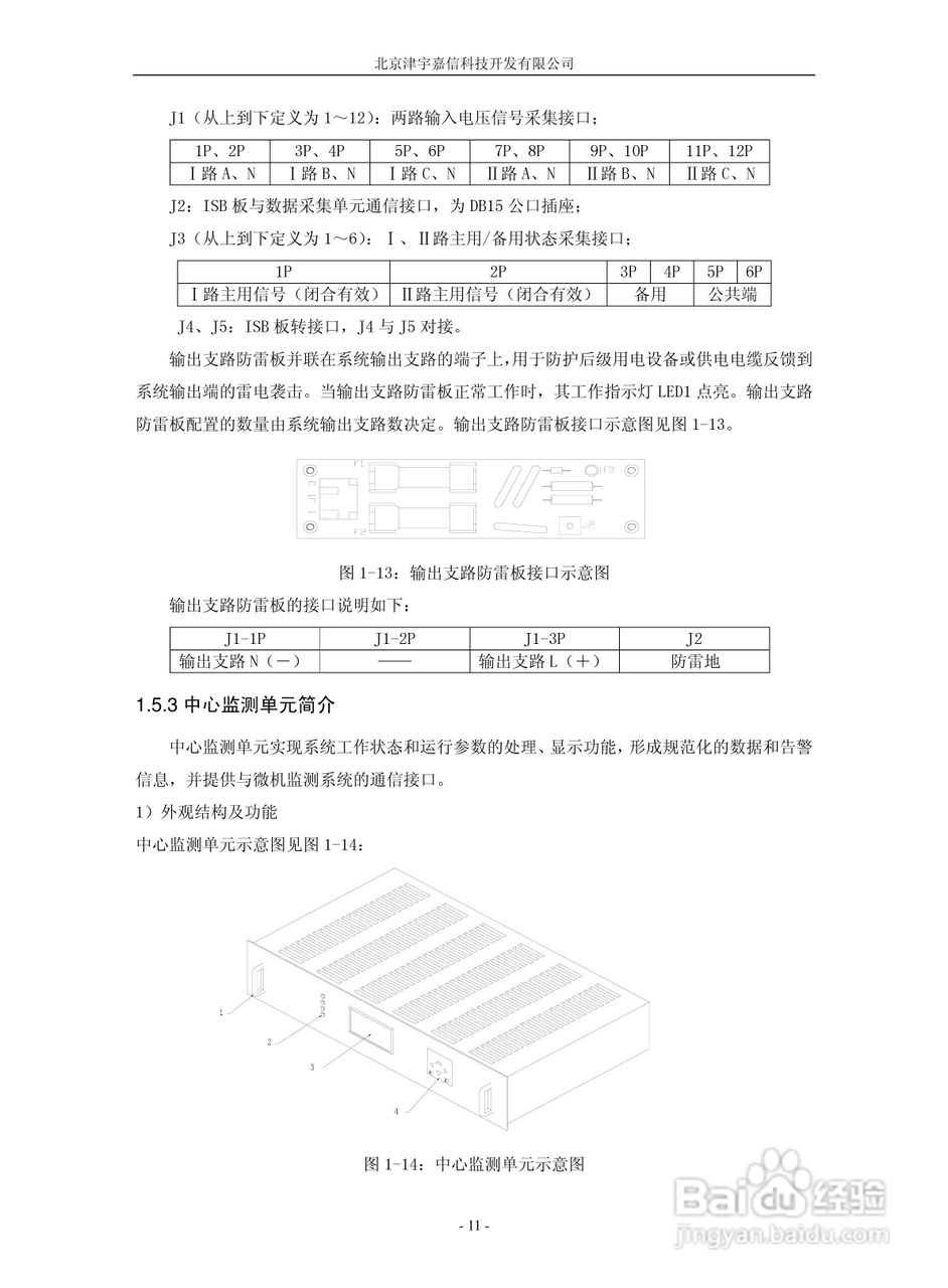
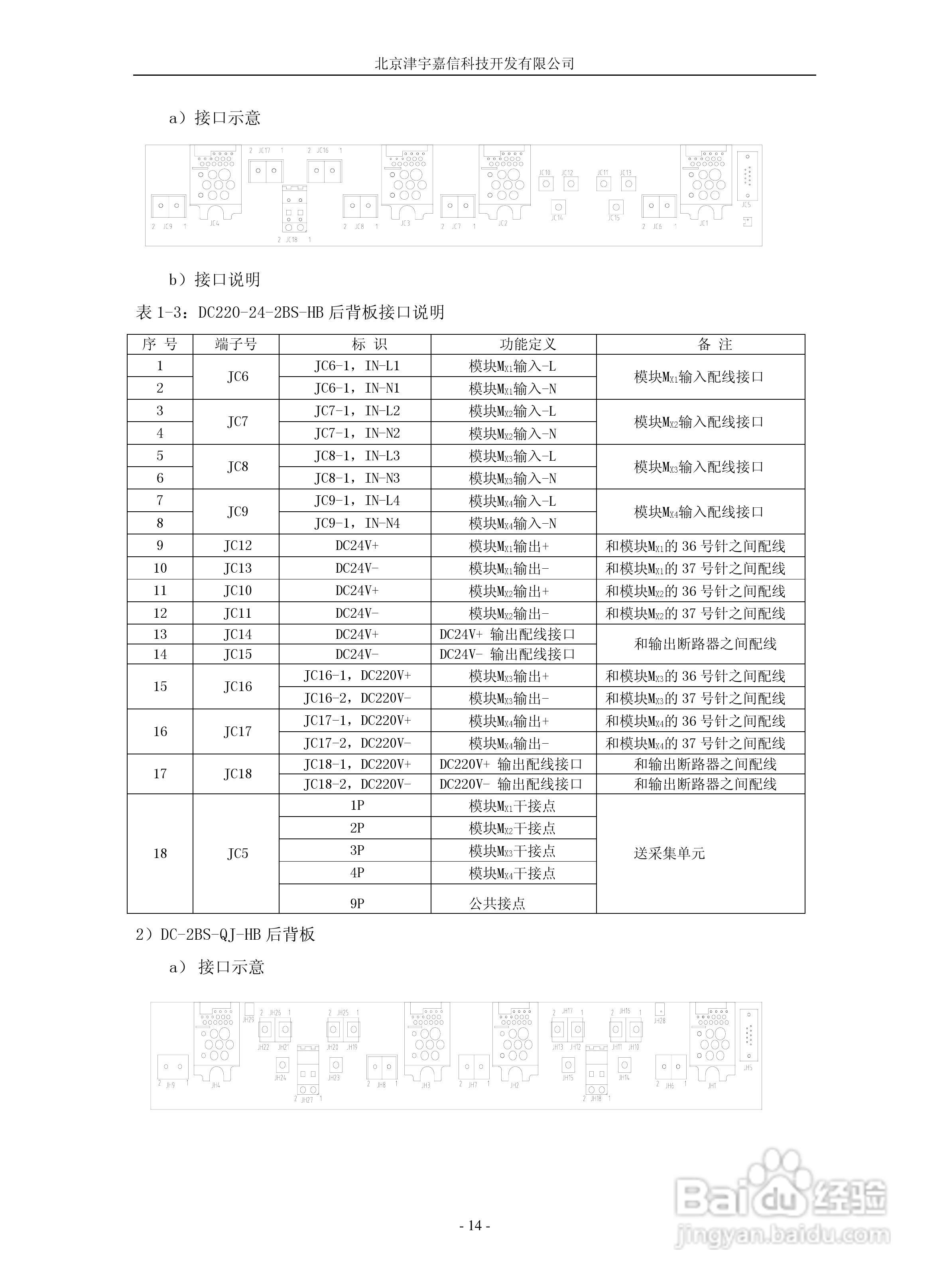
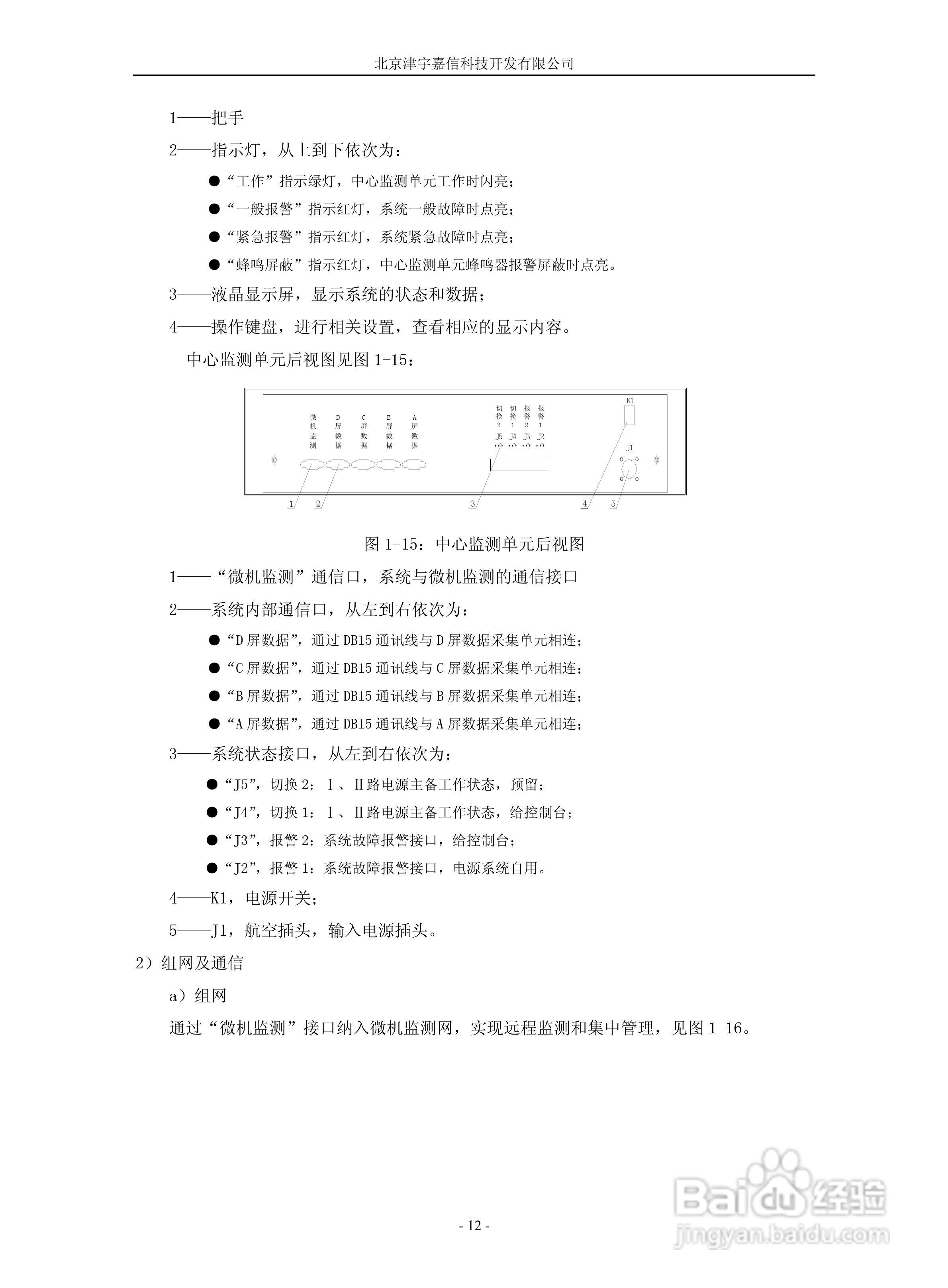
PMZG智能铁路信号电源系统用户手册:[2]
2026-04-04 01:51:26
本篇为《PMZG智能铁路信号电源系统用户手册》,主要介绍该产品的使用方法以及常见故障解决方案。
(共篇)
上一篇:
|
下一篇:
声明:
本网站引用、摘录或转载内容仅供网站访问者交流或参考,不代表本站立场,如存在版权或非法内容,请联系站长删除,联系邮箱:site.kefu@qq.com。
相关推荐
声宝AM-PY45L/AU-PY45型冷气机说明书:[1]
阅读量:173
[RPi3(2)] 创建和调试AndroidThings程序[TZZ]
阅读量:161
iOS开发之XCODE9快速上手篇
阅读量:121
Zebra斑马 RXi4打印机说明书:[13]
阅读量:68
五通电磁阀VFR4000系列使用说明书:[1]
阅读量:83
猜你喜欢
红核妇洁洗液怎么用
手抄报怎么画
甘油三酯低是怎么回事
联想摄像头怎么打开
腰花怎么切
苹果手机怎么下载视频
胸围怎么测量
男人肾虚怎么办
透明头像怎么弄
科幻画怎么画
猜你喜欢
孩子成绩不好怎么办
雅兰床垫怎么样
cheap什么意思怎么读
dear怎么读
洋姜怎么吃
怎么插入页码
白萝卜怎么吃
格力空调遥控器怎么解锁
电脑耳机没声音怎么设置
啤酒鸭怎么做