小度生活
首页
美食营养
手工爱好
生活家居
返回
小度生活
首页
美食营养
游戏数码
手工爱好
生活家居
健康养生
运动户外
职场理财
情感交际
母婴教育
时尚美容
知识问答
生活知识
生活百科
搜索
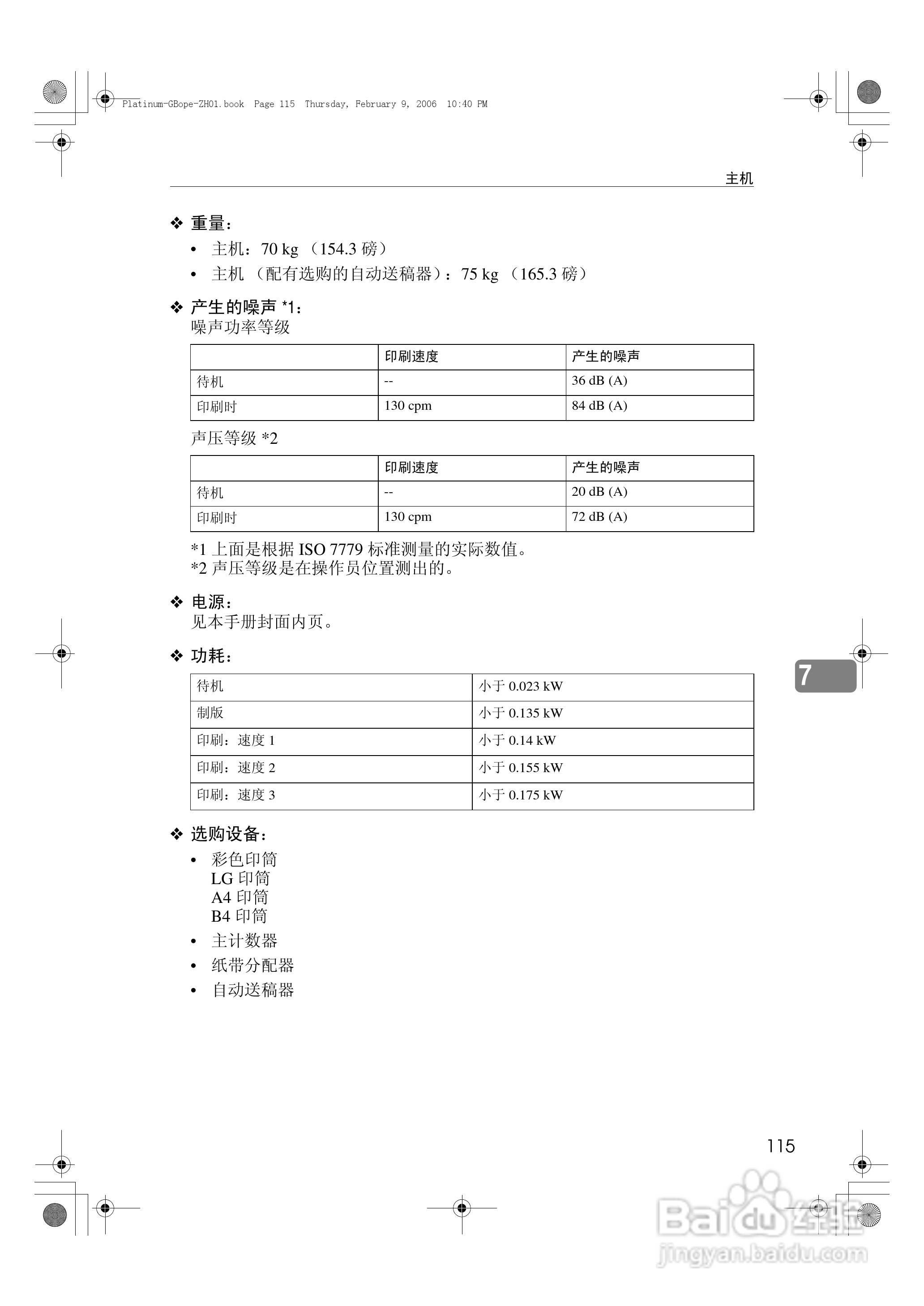
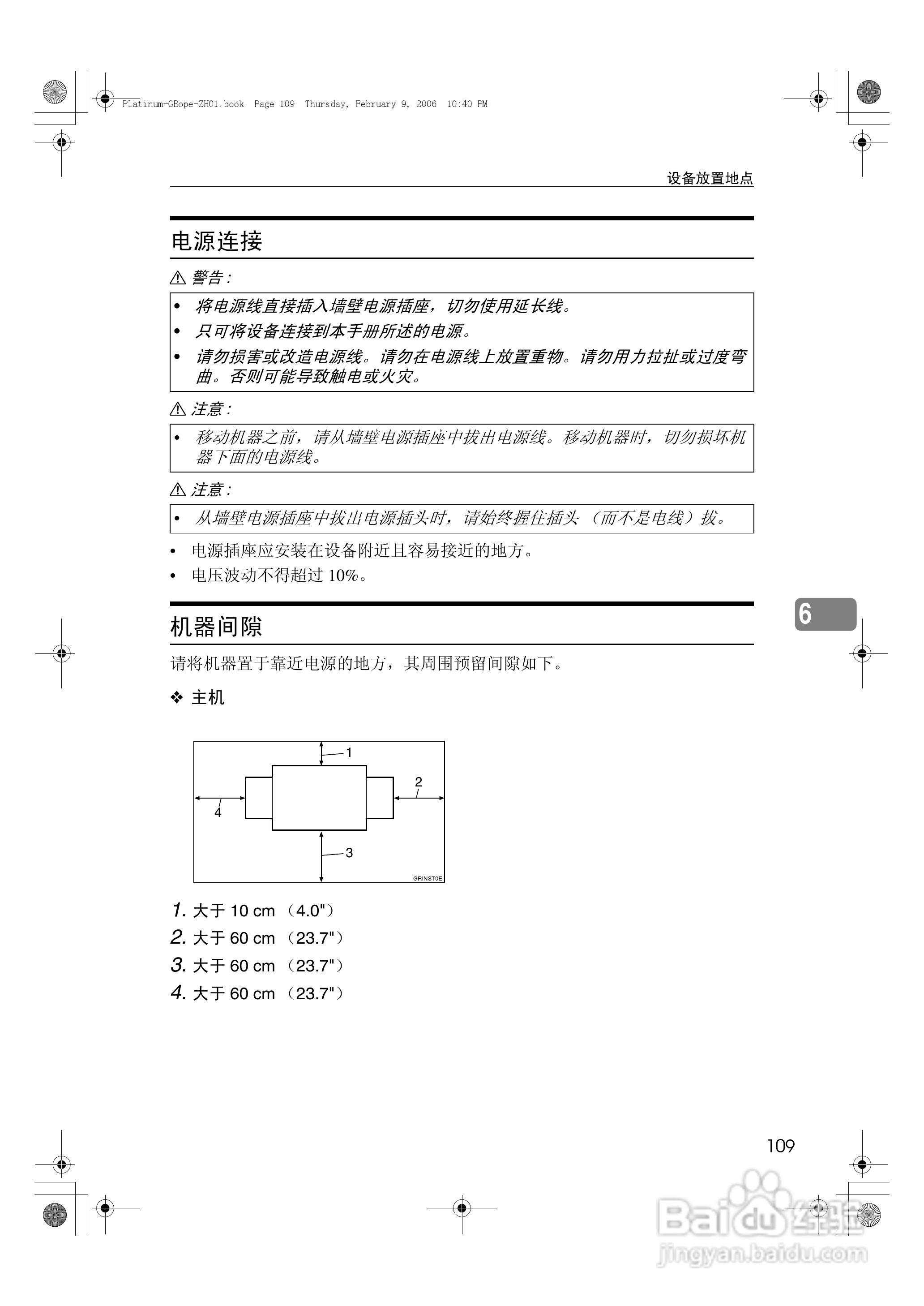
基士得耶CP6301C一体机使用说明书:[12]
2026-03-28 22:37:44
本篇为《基士得耶CP6301C一体机使用说明书》,主要介绍该产品的使用方法以及常见故障解决方案。
(共篇)
上一篇:
|
下一篇:
声明:
本网站引用、摘录或转载内容仅供网站访问者交流或参考,不代表本站立场,如存在版权或非法内容,请联系站长删除,联系邮箱:site.kefu@qq.com。
相关推荐
Twain驱动操作说明
阅读量:55
柯尼卡美能达Bizhub 15清零的方法
阅读量:196
东芝2006复印机怎么更换载体
阅读量:104
京瓷复印机如何设置密码
阅读量:85
怎样解决windows无法连接打印机错误0x00000002
阅读量:146
猜你喜欢
日语加油怎么说
84消毒液怎么用
怎么坐火车
疱疹怎么治疗
微信密码忘了怎么办
怀孕了怎么办
视频号怎么关闭
微信红包封面怎么设置
灭火器怎么用
怎么判断自己是低血糖
猜你喜欢
怎么才能长高
水土不服拉肚子怎么办
身份证丢了怎么坐飞机
皮肤晒伤怎么办
教学评价怎么写
端午节是怎么来的
苹果pay怎么用
社保怎么查
梅毒是怎么引起的
临时身份证怎么办