小度生活
首页
美食营养
手工爱好
生活家居
返回
小度生活
首页
美食营养
游戏数码
手工爱好
生活家居
健康养生
运动户外
职场理财
情感交际
母婴教育
时尚美容
搜索
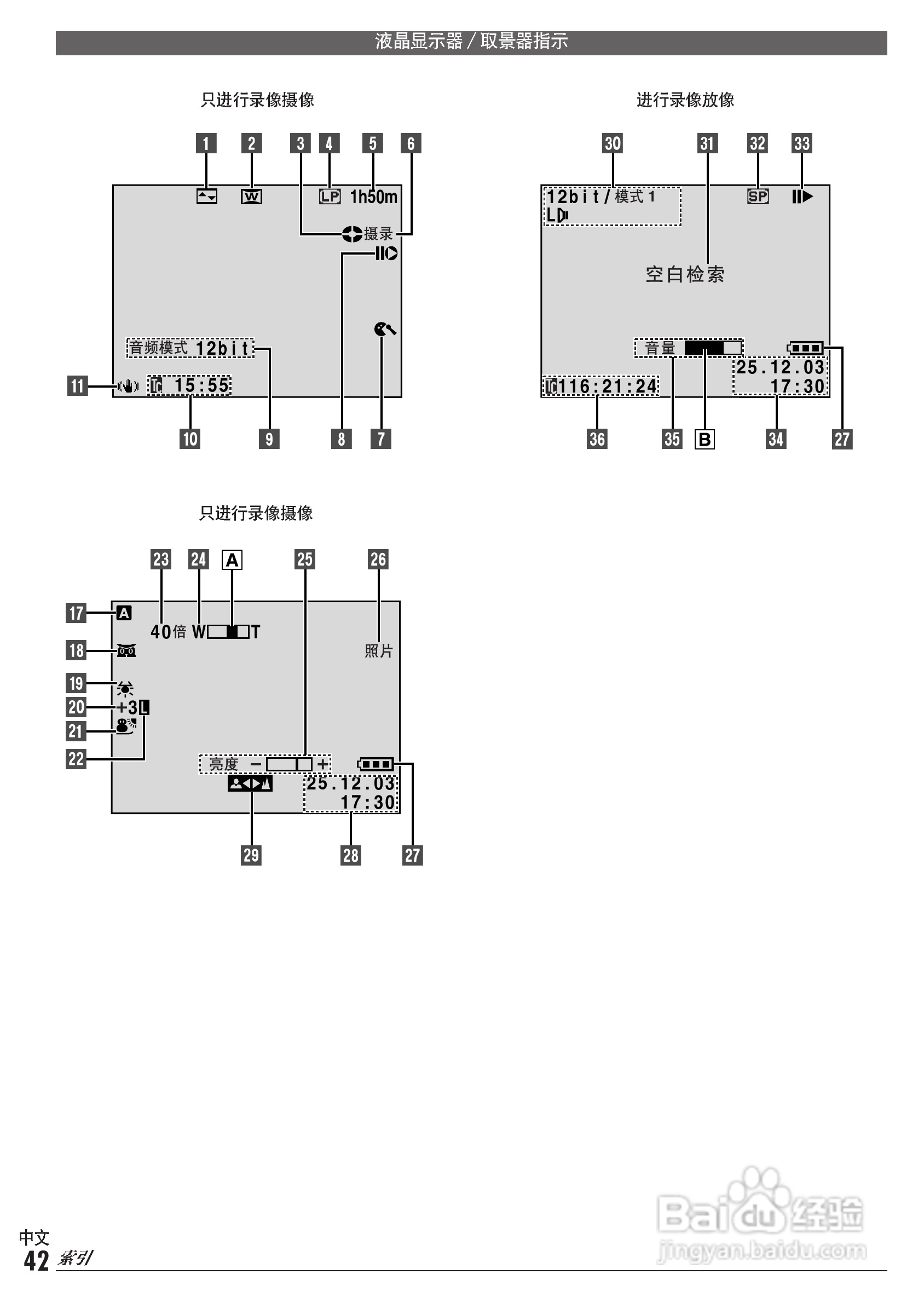
JVC GR-D30AC数码摄像机说明书:[5]
2025-10-19 03:54:26
本篇为《JVC GR-D30AC数码摄像机说明书》,主要介绍该产品的使用方法以及常见故障解决方案。
(共篇)
上一篇:
声明:
本网站引用、摘录或转载内容仅供网站访问者交流或参考,不代表本站立场,如存在版权或非法内容,请联系站长删除,联系邮箱:site.kefu@qq.com。
相关推荐
使用Nero Burning ROM 7刻录DVD数据光盘
阅读量:185
大话群侠传门贡怎么获得
阅读量:80
视频制作视频编辑软件有哪些推荐好用方便
阅读量:67
win7系统IE浏览器怎么缓存音乐?
阅读量:109
打开文件出现安全警告怎么办:[2]组策略法
阅读量:22
猜你喜欢
结婚十年是什么婚
圆周率是什么
电子商务主要学什么
吃蜂蜜有什么好处
晚安是什么意思
颈椎病挂什么科
后裔是什么意思
vulkan是什么
拉皮条什么意思
职高和技校有什么区别
猜你喜欢
三观是什么
薰衣草什么时候开花
脉压差大是什么原因
荷兰的国花是什么
12月1日是什么星座
税号是什么
care是什么意思
buff是什么意思
password什么意思
四叶草项链是什么牌子