小度生活
首页
美食营养
手工爱好
生活家居
返回
小度生活
首页
美食营养
游戏数码
手工爱好
生活家居
健康养生
运动户外
职场理财
情感交际
母婴教育
时尚美容
知识问答
生活知识
生活百科
搜索
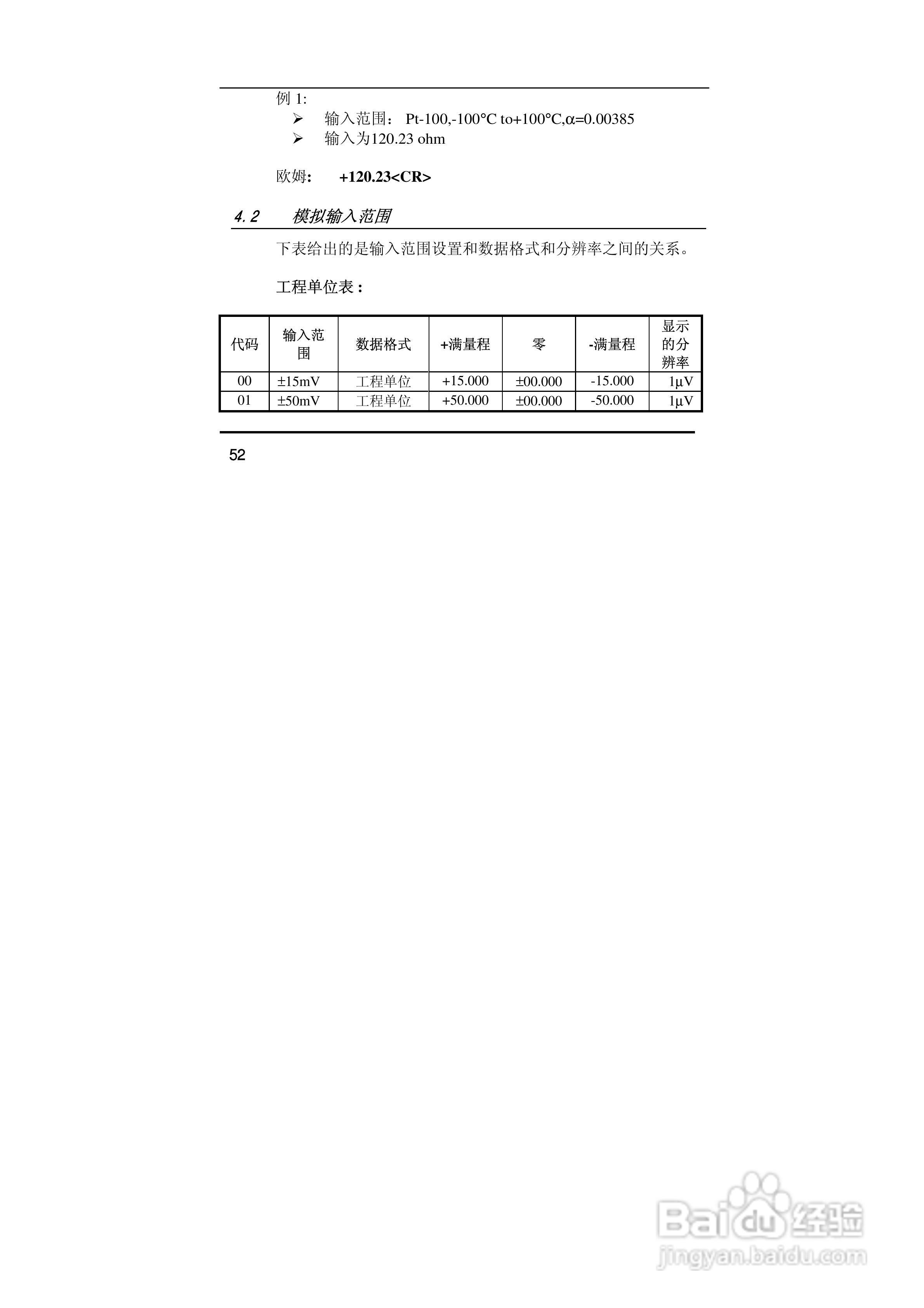
亚当ARK-24017F 8通道模拟量输入模块说明书:[6]
2026-04-07 14:44:12
本篇为《亚当ARK-24017F 8通道模拟量输入模块说明书》,主要介绍该产品的使用方法以及常见故障解决方案。
(共篇)
上一篇:
|
下一篇:
声明:
本网站引用、摘录或转载内容仅供网站访问者交流或参考,不代表本站立场,如存在版权或非法内容,请联系站长删除,联系邮箱:site.kefu@qq.com。
相关推荐
安装Cyber Ark server
阅读量:26
研祥ARK-8017DHI帯隔离16位差分8路模拟量输入模块说明:[3]
阅读量:153
研祥ARK-8017DHI帯隔离16位差分8路模拟量输入模块说明:[5]
阅读量:140
研祥ARK-8050DH 7路数字输入8路数字输出模块说明书:[1]
阅读量:138
研祥ARK-8050DH 7路数字输入8路数字输出模块说明书:[3]
阅读量:181
猜你喜欢
绘本是什么
梦见婴儿是什么意思
你牛什么牛歌曲
峰值是什么意思
吹哨人是什么意思
岁次是什么意思
工银灵通卡是什么卡
糖耐什么时候做
timber什么意思
tf什么意思
猜你喜欢
股票带r是什么意思
南昌有什么好玩的地方
什么空调好
三原色是什么
什么是操作系统
dns服务器是什么
than是什么意思
知性是什么意思
什么是预包装食品
潜移默化是什么意思