小度生活
首页
美食营养
手工爱好
生活家居
返回
小度生活
首页
美食营养
游戏数码
手工爱好
生活家居
健康养生
运动户外
职场理财
情感交际
母婴教育
时尚美容
知识问答
搜索
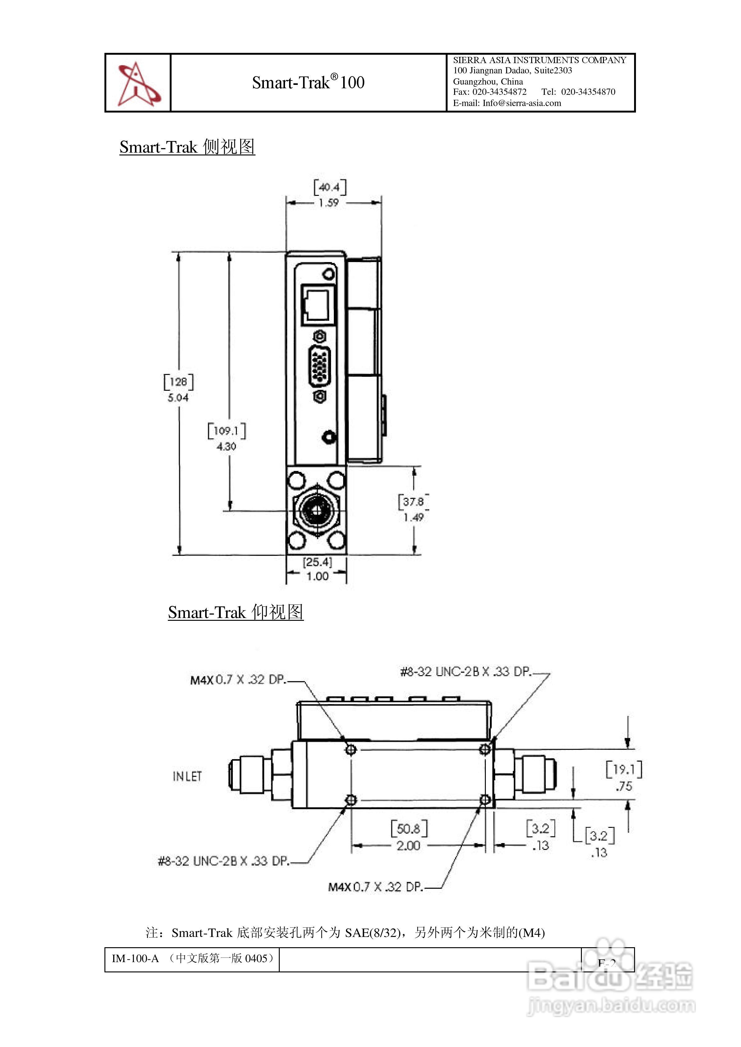
Sierra Smart-Trak 100系列质量流量计和调节仪说明书:[7]
2025-11-09 09:54:39
本篇为《Sierra Smart-Trak 100系列质量流量计和调节仪说明书》,主要介绍该产品的使用方法以及常见故障解决方案。
(共篇)
上一篇:
声明:
本网站引用、摘录或转载内容仅供网站访问者交流或参考,不代表本站立场,如存在版权或非法内容,请联系站长删除,联系邮箱:site.kefu@qq.com。
相关推荐
Sierra Smart-Trak 100系列质量流量计和调节仪说明书:[6]
阅读量:35
气体质量流量计如何安装
阅读量:163
流量计如何安装,流量计安装条件及注意事项
阅读量:119
温度数显调节仪的正确使用
阅读量:171
智能皂膜流量计的使用
阅读量:172
猜你喜欢
tst庭秘密怎么代理
黄山风景区旅游攻略
如何聊天
西班牙旅游攻略
普陀山在哪里
如何编程
重庆市旅游局官网
龙门石窟在哪里
福建旅游地图
马桶下水慢怎么回事
猜你喜欢
更年期潮热如何调理
燃烧平原怎么去
如何贴瓷砖
如何安装路由器
额济纳旅游攻略
如何修复感情
日本旅游价格
江西财经职业学院怎么样
身份证310开头是哪里的
薯条怎么炸才脆