小度生活
首页
美食营养
手工爱好
生活家居
返回
小度生活
首页
美食营养
游戏数码
手工爱好
生活家居
健康养生
运动户外
职场理财
情感交际
母婴教育
时尚美容
知识问答
生活知识
生活百科
搜索
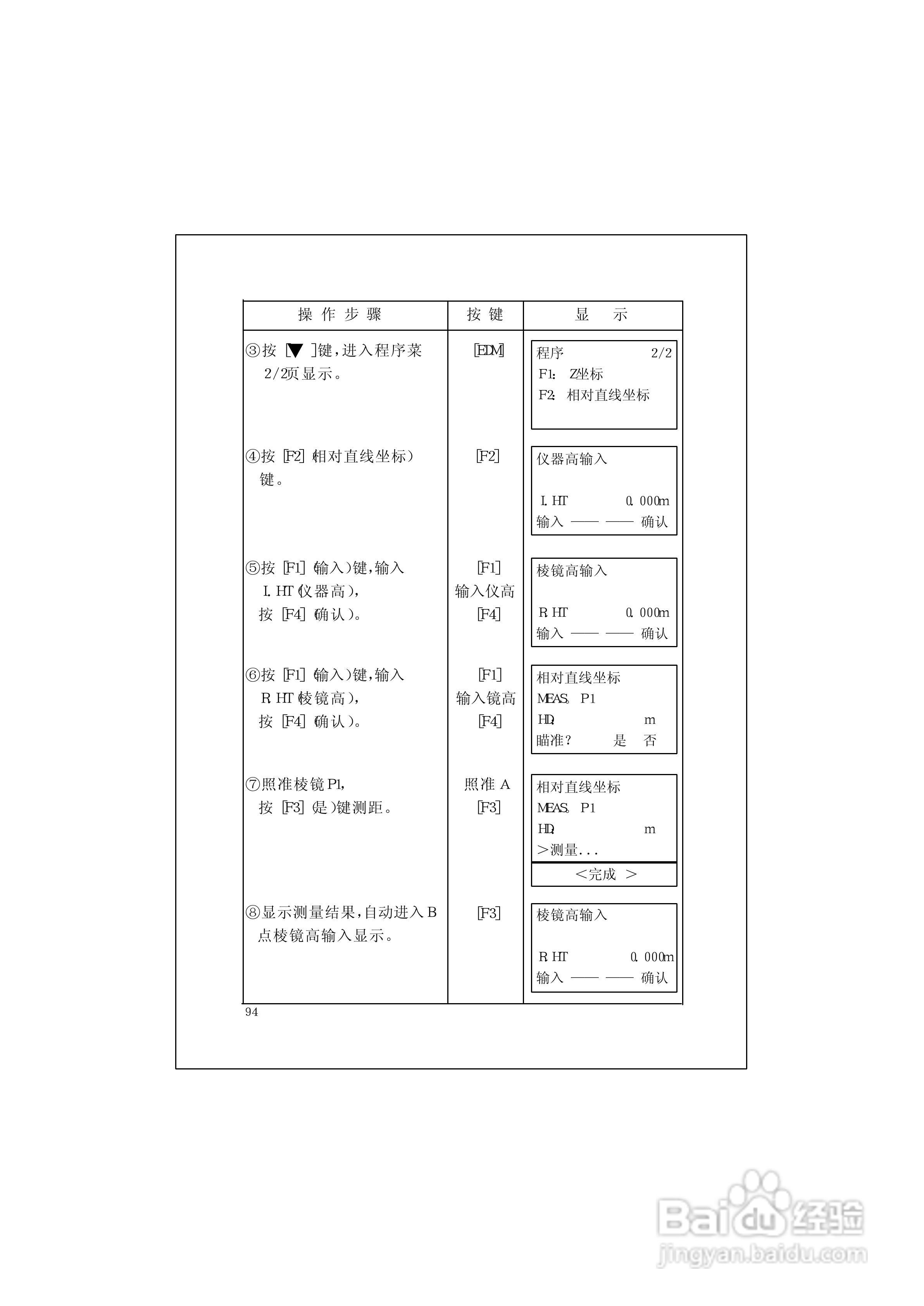
RTS600系列电子全站仪使用说明书:[11]
2026-03-30 15:54:43
本篇为《RTS600系列电子全站仪使用说明书》,主要介绍该产品的使用方法以及常见故障解决方案。
(共篇)
上一篇:
|
下一篇:
声明:
本网站引用、摘录或转载内容仅供网站访问者交流或参考,不代表本站立场,如存在版权或非法内容,请联系站长删除,联系邮箱:site.kefu@qq.com。
相关推荐
RTS600系列电子全站仪使用说明书:[10]
阅读量:116
RTS600系列电子全站仪使用说明书:[8]
阅读量:130
上煇RTS-680/GPI-210 系列全站仪说明书:[11]
阅读量:74
使用说明书封面怎么做
阅读量:119
使用说明书wf2651使用指南
阅读量:64
猜你喜欢
你看起来很好吃中文版
长期坐着腰疼怎么办
周公解梦大全查询
绶带的佩戴方法
怎么用扑克牌变魔术
喝醉了怎么快速解酒
怎么受孕
炒年糕怎么做好吃
卫衣怎么搭配
肺不张的治疗方法
猜你喜欢
vicky怎么读
焖面怎么做好吃
产妇食谱大全
长高的方法
炒茄子的家常做法
斯巴鲁xv怎么样
个人简历怎么制作
取名字大全免费查询
怎样煮羊肉好吃
萝卜泡菜的腌制方法