小度生活
首页
美食营养
手工爱好
生活家居
返回
小度生活
首页
美食营养
游戏数码
手工爱好
生活家居
健康养生
运动户外
职场理财
情感交际
母婴教育
时尚美容
知识问答
生活知识
生活百科
搜索
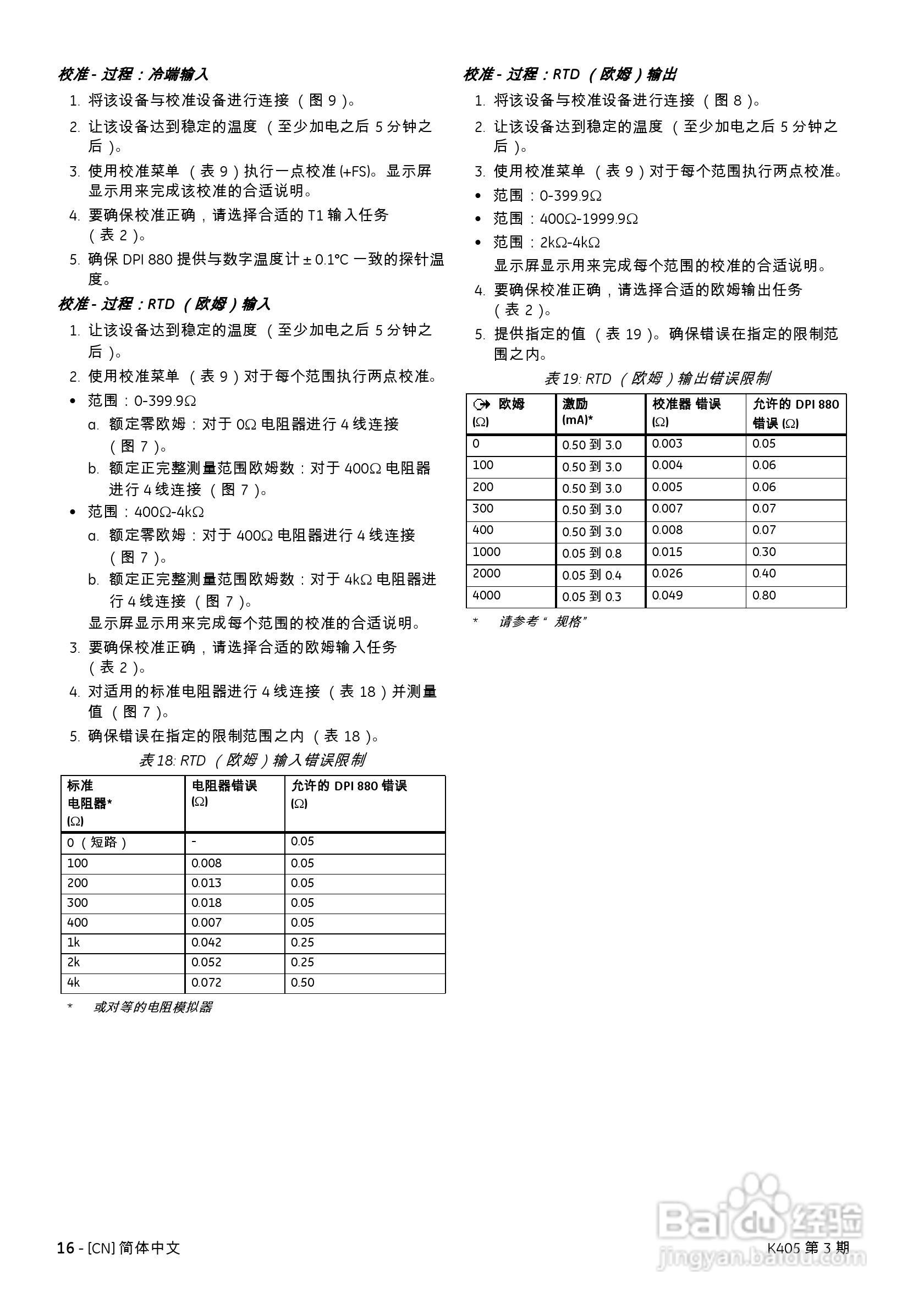
Druck DPI 880多功能校准器K405用户手册:[2]
2026-03-30 03:42:30
本篇为《Druck DPI 880多功能校准器K405用户手册》,主要介绍该产品的使用方法以及常见故障解决方案。
(共篇)
上一篇:
|
下一篇:
声明:
本网站引用、摘录或转载内容仅供网站访问者交流或参考,不代表本站立场,如存在版权或非法内容,请联系站长删除,联系邮箱:site.kefu@qq.com。
相关推荐
Druck DPI 880多功能校准器K405用户手册:[3]
阅读量:170
Druck DPI 880多功能校准器说明书:[2]
阅读量:119
GE Druck DPI880 多功能校准器用户手册:[3]
阅读量:193
Druck DPI 880多功能校准器说明书:[1]
阅读量:131
GE Druck DPI 150压力指示仪用户手册:[2]
阅读量:63
猜你喜欢
蒲剧大全
天官赐福简介
编发图片大全
脸上毛孔大怎么办
穷人怎么创业
凤凰传奇歌曲大全
怎么计算怀孕时间
采购计划怎么写
牙齿断了一半怎么办
中秋的古诗大全300首
猜你喜欢
天龙八部唐门怎么样
归元寺罗汉解签大全
大全集团
脸上的痤疮怎么治
梅花简笔画图片大全
室内干燥怎么办
央视视频怎么下载
我的世界传送门大全
fastboot怎么刷机
干海带怎么处理