小度生活
首页
美食营养
手工爱好
生活家居
返回
小度生活
首页
美食营养
游戏数码
手工爱好
生活家居
健康养生
运动户外
职场理财
情感交际
母婴教育
时尚美容
知识问答
生活知识
生活百科
搜索
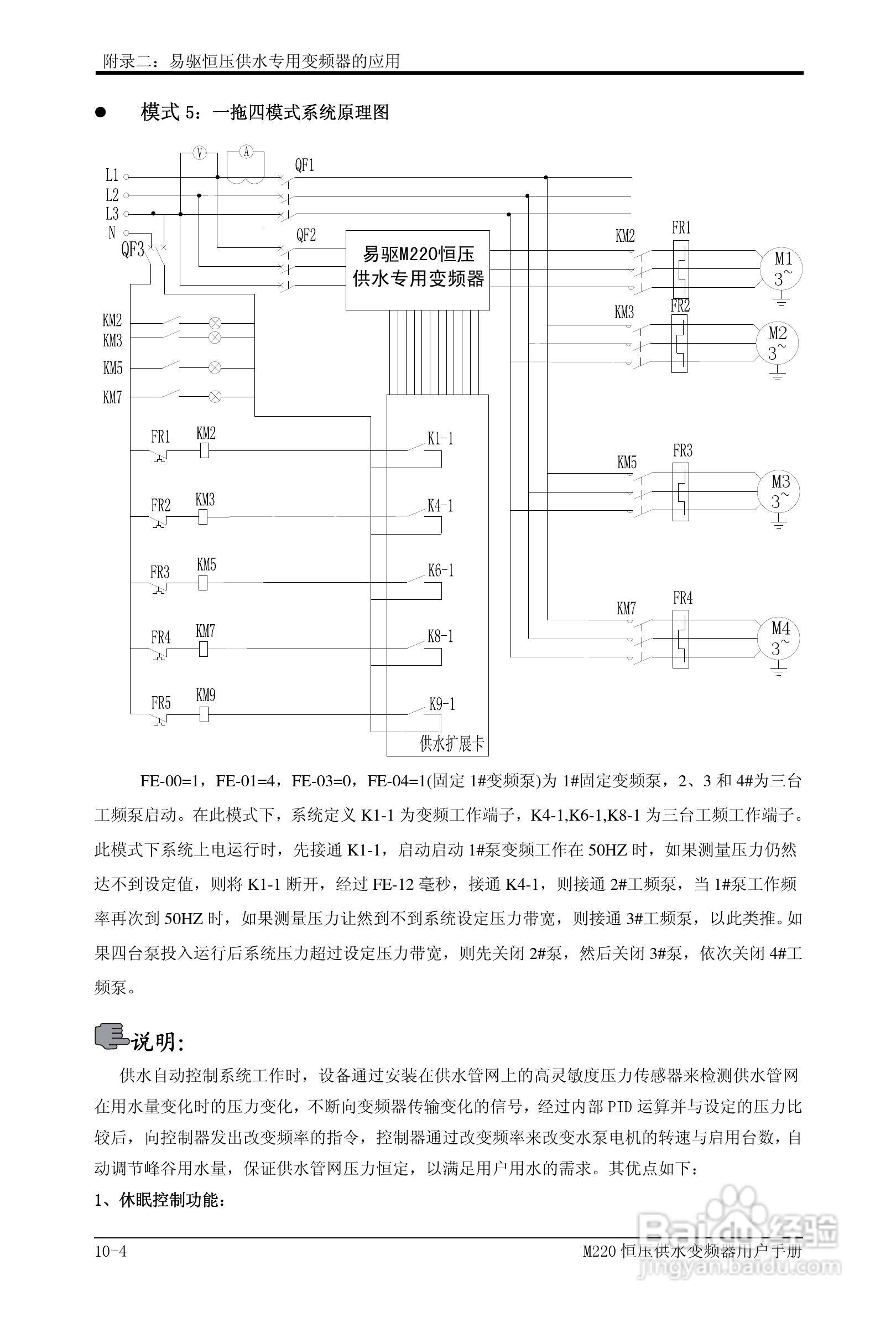
易驱M220-4T0930FPVER0M00变频器使用说明书:[10]
2026-05-22 23:39:10
本篇为《易驱M220-4T0930FPVER0M00变频器使用说明书》,主要介绍该产品的使用方法以及常见故障解决方案。
(共篇)
上一篇:
|
下一篇:
声明:
本网站引用、摘录或转载内容仅供网站访问者交流或参考,不代表本站立场,如存在版权或非法内容,请联系站长删除,联系邮箱:site.kefu@qq.com。
相关推荐
易驱M220-4T0930FPVER0M00变频器使用说明书:[11]
阅读量:192
易驱M200-2S0022VER0M00通用变频器使用说明书:[4]
阅读量:43
易驱M200-2S0022VER0M00通用变频器使用说明书:[10]
阅读量:113
易驱M200-2S0022VER0M00通用变频器使用说明书:[2]
阅读量:75
易驱M200-2S0022VER0M00通用变频器使用说明书:[6]
阅读量:59
猜你喜欢
延伸的意思
扒胎机什么牌子好
duty是什么意思
spain是什么意思
broken是什么意思
建制派什么意思
amg是什么意思
左右逢源是什么意思
plank是什么意思
支离破碎的意思
猜你喜欢
健壮的意思
国庆节祝福语
mpp文件用什么打开
等红灯时挂什么档
education是什么意思
额定功率是什么意思
五金工具什么牌子好
再接再厉是什么意思
只言片语的意思
相煎何太急是什么意思